Bộ 3 đề thi Vật Lí 11 Học kì 1 năm 2026 tải nhiều nhất
Với Bộ 3 đề thi Vật Lí 11 Học kì 1 năm 2026 tải nhiều nhất, chọn lọc giúp học sinh ôn tập và đạt kết quả cao trong bài thi Học kì 1 Vật lí 11.
Bộ 3 đề thi Vật Lí 11 Học kì 1 năm 2026 tải nhiều nhất
Chỉ từ 150k mua trọn bộ Đề thi Vật Lí 11 Học kì 1 theo cấu trúc mới bản word có lời giải chi tiết:
- B1: gửi phí vào tk:
1133836868- CT TNHH DAU TU VA DV GD VIETJACK - Ngân hàng MB (QR) - B2: Nhắn tin tới Zalo VietJack Official - nhấn vào đây để thông báo và nhận đề thi
Sở Giáo dục và Đào tạo .....
Đề thi Học kì 1
năm 2025
Bài thi môn: Vật Lí 11
Thời gian làm bài: phút
(không kể thời gian phát đề)
(Đề số 1)
PHẦN I: TRẮC NGHIỆM (3 điểm)
Chọn chữ cái đứng trước câu trả lời mà em cho là đúng nhất. Mỗi câu trả lời đúng được 0,5 điểm.
Câu 1: Công thức định luật Cu-lông trong môi trường điện môi là:

Câu 2: Hai điện tích q1 = q2 = 5.10-16C, đặt tại hai đỉnh B và C của một tam giác đều ABC cạnh bằng 8cm trong không khí. Cường độ điện trường tại đỉnh A của tam giác ABC có độ lớn bằng
A. 1,2178.10-3 V/m
B. 0,6089.10-3 V/m
C. 0,3515.10-3 V/m
D. 0,7031.10-3 V/m
Câu 3: Công của nguồn điện được xác định theo công thức:
A. A = It.
B. A = I.
C. A = UIt.
D.A = UI.
Câu 4. Đơn vị của điện dung là
A. V/m (vôn/mét)
B. C. V (culông. vôn)
C. V (vôn)
D. F (fara)
Câu 5. Hai bóng đèn có điện trở 5 Ω mắc song song và nối vào một nguồn có điện trở trong 1 Ω thì cường độ dòng điện trong mạch là
. Khi tháo một đèn ra thì cường độ dòng điện trong mạch là
A.
B. 1 A.
C.
D. 0 A.
Câu 6. Đường sức điện cho biết
A. Độ lớn lực tác dụng lên điện tích đặt trên đường sức ấy.
B. Độ lớn của điện tích nguồn sinh ra điện trường được biểu diễn bằng đường sức ấy.
C. Độ lớn điện tích thử cần đặt trên đường sức ấy.
D. Hướng của lực điện tác dụng lên điện tích điểm đặc trên đường sức ấy.
PHẦN II: TỰ LUẬN (7 điểm)
Bài 1. (2 điểm) Cường độ điện trường do điện tích +Q gây ra tại điểm A cách nó một khoảng r có độ lớn là E . Nếu thay bằng điện tích -2Q và giảm khoảng cách đến A còn một nửa thì cường độ điện trường tại A có độ lớn là bao nhiêu?
Bài 2. (3 điểm) Một bộ nguồn điện gồm 30 pin mắc thành 3 nhóm nối tiếp, mỗi nhóm có 10 pin mắc song song, mỗi pin có suất điện động 0,9V và điện trở trong 0,6Ω . Một bình điện phân đựng dung dịch CuSO4 có điện trở 205Ω được mắc vào hai cực của bộ nguồn nói trên. Anốt của bình điện phân bằng đồng. Khối lượng đồng bám vào catốt của bình trong thời gian 50 phút là? Biết đồng có A = 64, n = 2.
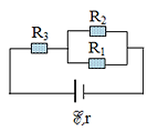
Bài 3: (2 điểm) Cho mạch điện như hình vẽ:

Ampe kế chỉ 1A. Tính công suất tỏa nhiệt trên ?
----------HẾT---------
Sở Giáo dục và Đào tạo .....
Đề thi Học kì 1
năm 2025
Bài thi môn: Vật Lí 11
Thời gian làm bài: phút
(không kể thời gian phát đề)
(Đề số 2)
PHẦN I: TRẮC NGHIỆM (3 điểm)
Chọn chữ cái đứng trước câu trả lời mà em cho là đúng nhất. Mỗi câu trả lời đúng được 0,5 điểm.
Câu 1: Phát biểu nào sau đây về tính chất của đường sức điện là không đúng
A. các đường sức là các đường cong không kín
B. các đường sức luôn xuất phát từ điện tích dương và kết thúc ở điện tích âm
C. qua mỗi điểm trong không gian có điện trường ta chỉ có thể vẽ được duy nhất một đường sức
D. các đường sức không bao giờ cắt nhau
Câu 2: Gọi UMN là hiệu điện thế, điện thế VM và VN là điện thế, AMN là công của lực điện khi di chuyển điện tích q giữa hai điểm M và N. Công thức nào sau đây là đúng

Câu 3:Điện tích q đặt vào trong điện trường đều, dưới tác dụng của lực điện trường điện tích sẽ
A. di chuyển ngược chiều nếu q >0
B. di chuyển cùng chiều nếu q >0
C. di chuyển theo chiều bất kỳ
D. di chuyển cùng chiều nếu q <0
Câu 4. Cho điện tích dịch chuyển giữa 2 điểm cố định trong một điện trường đều với cường độ 3000 V/m thì công của lực điện trường là 90 mJ. Nếu cường độ điện trường là 4000 V/m thì công của lực điện trường dịch chuyển điện tích giữa hai điểm đó là
A. 80 J.
B. 67,5m J.
C. 40 mJ.
D. 120 mJ.
Câu 5. Công thức tính điện dung của tụ điện là

Câu 6: Muốn ghép 3 pin giống nhau, mỗi pin có suất điện động 9V, điện trở trong 2Ω thành bộ nguồn 18 V thì điện trở trong của bộ nguồn là
A. 6Ω.
B. 4Ω.
C. 3Ω.
D. 2Ω.
PHẦN II: TỰ LUẬN (7 điểm)
Bài 1: (2 điểm) Cho mạch điện như hình vẽ:

. Ampe kế chỉ 1A. Tính nhiệt lượng tỏa ra trên R1 trong thời gian 5 phút.
Bài 2: (2 điểm) Ở nhiệt độ
, hiệu điện thế giữa hai cực của bóng đèn là U1 = 20mV thì cường độ dòng điện qua đèn là I1 = 8 mA. Khi sáng bình thường, hiệu điện thế giữa hai cực của bóng đèn là U2 = 240 V thì cường độ dòng điện chạy qua đèn là I2 = 8 A . Nhiệt độ của dây tóc bóng đèn khi đèn sáng bình thường là? Biết hệ số nhiệt điện trở của dây tóc làm bóng đèn là
Bài 3: (3 điểm) Trong nước có một viên bi nhỏ bằng kim loại thể tích V = 10 cm3 khối lượng m = 0,5 g , mang điện tích 1 = 10-9 C đang lơ lửng. Tất cả đặt trong điện trường đều có đường thẳng đứng. Xác định chiều và độ lớn của
biết khối lượng riêng của nước 
----------HẾT---------
Sở Giáo dục và Đào tạo .....
Đề thi Học kì 1
năm 2025
Bài thi môn: Vật Lí 11
Thời gian làm bài: phút
(không kể thời gian phát đề)
(Đề số 3)
PHẦN I: TRẮC NGHIỆM (3 điểm)
Chọn chữ cái đứng trước câu trả lời mà em cho là đúng nhất. Mỗi câu trả lời đúng được 0,5 điểm.
Câu 1: Hai điện tích q1 = q2 = 3.10-8C đặt cách nhau một khoảng 9cm trong môi trường cho hằng số điện môi
Lực tương tác giữa hai điện tích đó là :
A. 0,05N
B. 4,5.10-3N
C. 5.10-4N
D. 4,5.10-4N
Câu 2. Hiệu điện thế giữa hai điểm M, N là UMN = 2V. Một điện tích q = -1C di chuyển từ M đến N thì công của lực điện trường là:
A. -2J
B. 2J
C. - 0,5J
D. 0,5J
Câu 3: Hai bóng đèn có công suất định mức lần lượt là P1 < P2 đều làm việc bình thường ở hiệu điện thế U = 6V. Cường độ dòng điện qua mỗi bóng đèn và điện trở của hai bóng đèn có mối liên hệ:
A. I1 < I2 và R1 < R2.
B. I1 < I2 và R1 > R2.
C. I1 > I2 và R1 > R2.
D. I1 > I2 và R1 < R2.
Câu 4. Nhiệt lượng tỏa ra trên một vật dẫn có dòng điện là:
A. Q = U. I
B. Q = R. I. t
C. Q = R. I2 .t
D.
A
Câu 5. Nếu ghép 3 pin giống nhau nối tiếp thu được bộ nguồn 7,5 V và 3 Ω thì khi mắc 3 pin đó song song thu được bộ nguồn
A. 2,5 V và 1 Ω.
B. 7,5 V và 1 Ω.
C. 75 V và 1 Ω.
D. 2,5 V và 
Câu 6: Một nguồn điện mắc với một biến trở. Khi điện trở của biến trở là 1,65Ω thì hiệu điện thế hai cực nguồn là 3,3V; khi điện trở của biến trở là 3,5Ω thì hiệu điện thế ở hai cực nguồn là 3,5V. Tìm suất điện động và điện trở trong của nguồn:
A. 3,4V và 0,1Ω
B. 3,6V và 0,15Ω
C. 3,7V và 0,2Ω
D. 6,8V và 1,95Ω
PHẦN II: TỰ LUẬN (7 điểm)
Bài 1: (3 điểm) Hai điện tích điểm
đặt tại hai điểm cố đinh A và B trong dầu có hằng số điện môi
. AB = 16 cm. Xác định vị trí của điểm M mà tại đó cường độ điện trường tổng hợp bằng không?
Bài 2: (2 điểm) Một bóng đèn 220V - 40W có dây tóc làm bằng vônfram. Điện trở của dây tóc bóng đèn ở 20o C là Ro=121Ω . Nhiệt độ của dây tóc bóng khi bóng đèn sáng bình thường là bao nhiêu? Biết hệ số nhiệt điện trở của vônfram là 
Bài 3: (2 điểm) Cho mạch điện có sơ đồ như hình vẽ :

Biết
Tính cường độ dòng điện chạy qua R1 ?
----------HẾT---------
Sở Giáo dục và Đào tạo .....
Đề thi Học kì 1
năm 2025
Bài thi môn: Vật Lí 11
Thời gian làm bài: phút
(không kể thời gian phát đề)
(Đề số 4)
PHẦN I: TRẮC NGHIỆM (4 điểm)
Chọn chữ cái đứng trước câu trả lời mà em cho là đúng nhất. Mỗi câu trả lời đúng được 0,5 điểm.
Câu 1: Hiện tượng siêu dẫn là hiện tượng mà khi ta hạ nhiệt độ xuống dưới nhiệt độ TC nào đó, điện trở kim loại (hay hợp kim) :
A. không thay đổi
B. giảm đến một giá trị khác không.
C. giảm đột ngột đến giá trị bằng không
D. tăng đến vô cực
Câu 2. Phát biểu nào sai về đường sức điện
A. Với điện tích dương đường sức điện hướng ra xa điện tích
B. Với điện tích âm đường sức điện hướng về điện tích
C. Đường sức điện hướng từ điện tích dương sang điện tích âm
D. Đường sức điện hướng từ điện tích âm sang điện tích dương
Câu 3: Bản chất dòng điện trong chất khí là dòng chuyển dời có hướng của:
A. các ion âm
B. các ion dương.
C. các ion và các electron tự do
D. các electron tự do
Câu 4. Hiệu điện thế giữa hai điểm M, N là UMN = 2V. Một điện tích q = -1C di chuyển từ M đến N thì công của lực điện trường là:
A. -2J
B. 2J
C. - 0,5J
D. 0,5J
Câu 5. Cường độ dòng điện không đổi có biểu thức nào sau đây:

Câu 6. Cho mạch điện như hình vẽ: R1 = 1W, R2 = 5W; R3 = 12W; E = 3V, r = 1W.
Bỏ qua điện trở của dây nối. Công suất mạch ngoài là

A. 0,64W
B. 1W
C. 1,44W
D. 1,96W
Câu 7: Bản chất dòng điện trong chất điện phân là
A. dòng ion dương và dòng ion âm chuyển động có hướng theo hai chiều ngược nhau.
B. dòng ion âm dịch chuyển ngược chiều điện trường.
C. dòng electron dịch chuyển ngược chiều điện trường.
D. dòng ion dương dịch chuyển theo chiều điện trường.
Câu 8: Một tụ điện điện dung 5μF được tích điện đến điện tích bằng 86μC. Tính hiệu điện thế trên hai bản tụ:
A. 47,2V
B. 27,2V
C. 37,2V
D. 17,2V
PHẦN II: TỰ LUẬN (6 điểm)
Bài 1: (3 điểm) Cho một khung dây hình chữ nhật, kích thước 30cm x 20cm, trong có dòng điện I = 0,5A; khung được đặt trong một từ trường đều có phương vuông góc với mặt phẳng chứa khung và có độ lớn B = 0,1T. Hãy xác định
a. Lực từ tác dụng lên mỗi cạnh của khung
b. Lực tổng hợp của các lực từ ấy
Bài 2: (3 điểm) Một ấm nước dùng với hiệu điện thế 220V thì đung sôi được 1,5 lít nước từ nhiệt độ 20o C trong thời gian 10 phút. Biết nhiệt dung riêng của nước là 4200 J / kgK . Khối lượng riêng của nước là 1000kg/m3 và hiệu suất của ấm là 90%. Tính điện năng tiêu thụ của ấm trong 30 ngày mỗi ngày mỗi ngày 20 phút theo đơn vị kWh .
----------HẾT---------
Sở Giáo dục và Đào tạo .....
Đề thi Học kì 1
năm 2025
Bài thi môn: Vật Lí 11
Thời gian làm bài: phút
(không kể thời gian phát đề)
(Đề số 5)
PHẦN I: TRẮC NGHIỆM (4 điểm)
Chọn chữ cái đứng trước câu trả lời mà em cho là đúng nhất. Mỗi câu trả lời đúng được 0,5 điểm.
Câu 1: Có n nguồn điện giống nhau, mỗi nguồn có suất điện động
và điện trở trong r mắc song song thì bộ nguồn tương đương:

Câu 2. Công thức định luật Cu-lông trong môi trường điện môi là:

Câu 3: Hai quả cầu kim loại nhỏ giống hệt nhau, mang các điện tích q1 và q2=3q1 tác dụng lên nhau một lực bằng F. Nếu cho chúng tiếp xúc với nhau rồi đưa đến các vị trí cũ thì tỉ số giữa lực tương tác lúc sau với lực tương tác lúc chưa tiếp xúc là

Câu 4. Gọi UMN là hiệu điện thế, điện thế VM và VN là điện thế, AMN là công của lực điện khi di chuyển điện tích q giữa hai điểm M và N. Công thức nào sau đây là đúng

Câu 5. Quy ước chiều dòng điện là:
A. Chiều dịch chuyển của các electron
B. chiều dịch chuyển của các ion
C. chiều dịch chuyển của các ion âm
D. chiều dịch chuyển của các điện tích dương
Câu 6. Công của nguồn điện được tính bằng công thức

Câu 7: Cho mạch điện như hình vẽ. Mỗi pin có E = 1,5V; r = 1Ω. Điện trở mạch ngoài R = 3,5Ω. Tìm cường độ dòng điện ở mạch ngoài:

A. 0,88A
B. 0,9A
C. 1A
D. 1,2A
Câu 8. Nếu điện tích dịch chuyển trong điện trường sao cho thế năng của nó tăng thì công của của lực điện trường
A. âm.
B. dương.
C. bằng không.
D. chưa đủ dữ kiện để xác định.
PHẦN II: TỰ LUẬN (6 điểm)
Bài 1: (2 điểm) Cho 4 dòng điện cùng cường độ I1 = I2 = I3 = I4 = I = 2A song song nhau, cùng vuông góc mặt phẳng hình vẽ, đi qua 4 đỉnh của một hình vuông cạnh a = 20cm và có chiều như hình vẽ. Hãy xác định vector cảm ứng từ tại tâm của hình vuông ?

Bài 2: (2 điểm) Dây tóc của bóng đèn 220V - 200W khi sáng bình thường ở nhiệt độ 2500o C có điện trở gấp 10,8 lần so với điện trở ở 100o C. Hệ số nhiệt điện trở
của dây tóc là bao nhiêu?
Bài 3: (2 điểm) Một ấm nước dùng với hiệu điện thế 220 V thì đung sôi được 1,5 lít nước từ nhiệt độ 20o C trong thời gian 10 phút. Biết nhiệt dung riêng của nước là 4200J/kgK . Khối lượng riêng của nước là 1000 kg/m3 và hiệu suất của ấm là 90%. Tính điện trở của ấm?
----------HẾT---------
Sở Giáo dục và Đào tạo .....
Đề thi Học kì 1
năm 2025
Bài thi môn: Vật Lí 11
Thời gian làm bài: phút
(không kể thời gian phát đề)
(Đề số 6)
PHẦN I: TRẮC NGHIỆM (5 điểm)
Chọn chữ cái đứng trước câu trả lời mà em cho là đúng nhất. Mỗi câu trả lời đúng được 0,5 điểm.
Câu 1: Một điện tích q được đặt trong điện môi đồng tính, vô hạn. Tại điểm M cách q là 40cm, điện trường có cường độ 9.105V/m và hướng về điện tích q, biết hằng số điện môi của môi trường là 2,5. Xác định dấu và độ lớn của q
A. + 40 μC
B. - 32 μC
C. +32 μC
D. - 40 μC
Câu 2. Nếu độ lớn điện tích của một trong hai vật mang điện giảm đi một nửa, đồng thời khoảng cách giữa chúng tăng lên gấp đôi thì lực tương tác điện giữa hai vật sẽ
A. giảm 2 lần.
B. giảm 4 lần.
C. giảm 8 lần.
D. không đổi.
Câu 3: Hai quả cầu A và B giống nhau ,quả cầu A mang điện tích q, quả cầu B không mang điện. Cho A tiếp xúc B sau đó tách chúng ra và đặt A cách quả cầu C mang điện tich -2 .10-9C một đoạn 3cm thì chúng hút nhau bằng một lực 6.10-5N. Biết các quả cầu được đặt trong chân không. Điện tích q của quả cầu A lúc đầu là:
A. 2.10-9C
B. 5.10-9C
C. 4.10-9C
D.6.10-9C
Câu 4. Hai điện tích q1 = -10-6C; q2 = 10-6C đặt tại hai điểm A, B cách nhau 40cm trong không khí. Cường độ điện trường tổng hợp tại trung điểm M của AB là
A. 4,5.106V/m
B. 0
C. 2,25.105V/m
D. 4,5.105V/m
Câu 5. Công thức tính điện năng tiêu thụ của một mạch điện là

Câu 6. Một bóng đèn ghi 3V – 3W khi đèn sáng bình thường điện trở đèn có giá trị là
A. 9Ω
B. 3Ω
C. 6Ω
D. 12Ω
Câu 7: Cho mạch điện gồm 2 nguồn mắc nối tiếp nhau ,mắc nối tiếp với một bóng đèn ghi (12 V - 6 W). Biết E1= 6 V , r1 = r2 = 2 Ω. Xác định giá trị của E2 biết rằng đèn sáng bình thường?
A. 8 V
B. 2 V
C. 6 V
D. 12 V
Câu 8. Đơn vị của điện thế là vôn (V). 1V bằng
A. 1 J.C.
B. 1 J/C.
C. 1 N/C.
D. 1. J/N.
Câu 9: Nhận xét không đúng về điện môi là:
A. Hằng số điện môi của chân không bằng 1.
B. Hằng số điện môi có thể nhỏ hơn 1.
C. Hằng số điện môi của một môi trường cho biết lực tương tác giữa các điện tích trong môi trường đó nhỏ hơn so với khi chúng đặt trong chân không bao nhiêu lần.
D. Điện môi là môi trường cách điện.
Câu 10: Trong thời gian cỡ 0,5s đóng công tắc một tủ lạnh thì cường độ dòng điện trung bình đo được là 6A. Tính điện lượng chuyển qua tiết diện thẳng của dây dẫn nối với động cơ của tủ lạnh.
A. 3C.
B. 12,5C.
C. 2C
D. 1,25C
PHẦN II: TỰ LUẬN (5 điểm)
Bài 1: (3 điểm) Hai dòng điện cường độ I1 = 6A, I2 = 9A chạy trong hai dây dẫn thẳng song song dài vô hạn có chiều ngược nhau, được đặt trong chân không cách nhau 10cm
1. Xác định cảm ứng từ tại:
a. Điểm M, cách I1 một khoảng 6cm và cách I2 một khoảng 4cm
b. Điểm N, cách I1 một khoảng 6cm và cách I2 một khoảng 8cm
2. Tìm quỹ tích những điểm tại đó véctơ cảm ứng từ B = 0
Bài 2: (2 điểm) Một bộ nguồn điện gồm 30 pin mắc thành 3 nhóm nối tiếp, mỗi nhóm có 10 pin mắc song song, mỗi pin có suất điện động 0,9 A và điện trở trong 0,6Ω . Một bình điện phân đựng dung dịch CuSO4 có điện trở 205 Ω được mắc vào hai cực của bộ nguồn nói trên. Anốt của bình điện phân bằng đồng. Khối lượng đồng bám vào catốt của bình trong thời gian 50 phút là? Biết đồng có A = 64, n = 2 .
----------HẾT---------
Sở Giáo dục và Đào tạo .....
Đề thi Học kì 1
năm 2025
Bài thi môn: Vật Lí 11
Thời gian làm bài: phút
(không kể thời gian phát đề)
(Đề số 7)
Chọn chữ cái đứng trước câu trả lời mà em cho là đúng nhất. Mỗi câu trả lời đúng được 0,4 điểm.
Câu 1:Hai thanh kim loại có điện trở bằng nhau. Thanh A chiều dài lA, đường kính dA; thanh B có chiều dài lB = 2lA và đường kính dB = 2dA. Điện trở suất của chúng liên hệ với nhau như thế nào:
A. ρA = 0,25 ρB
B. ρA = 0,5 ρB
C. ρA = 4ρB
D. ρA = 2ρB
Câu 2: Một hạt prôtôn có khối lượng 1,672.10-27 kg chuyển động theo quỹ đạo tròn bán kính 5 m dưới tác dụng của một từ trường đều B = 10-2 T. Tốc độ của prôtôn là:
A. 4,784.106 m/s
B. 47,84.106 m/s
C. 478,4.106 m/s
D. 3.106 m/s
Câu 3. Hai điện tích điểm q1= 2.10-9C; q2= 4.10-9C đặt cách nhau 3cm trong không khí, lực tương tác giữa chúng có độ lớn
A. 8.10-5N
B. 9.10-5N
C. 8.10-9N
D. 9.10-6N
Câu 4: Trong mạch điện kín, nếu mạch ngoài thuần điện trở R thì hiệu suất của nguồn điện có điện trở trong r được tính bởi công thức:
Câu 5. Quả cầu nhỏ mang điện tích 10-9C đặt trong không khí. Cường độ điện trường tại 1 điểm cách quả cầu 3cm là
A. 105V/m
B. 104V/m
C. 5.103V/m
D. 3.104V/m
Câu 6. Cho mạch điện gồm 2 điện trở R mắc song song và nối vào nguồn điện có suất điện động E, và điện trở trong r. Biết R = r, cường độ dòng điện chạy trong mạch có giá trị

Câu 7. Hạt mang điện tự do trong chất khí là
A. ion dương, ion âm, electron tự do
B. ion dương, ion âm
C. ion dương, electron tự do
D. ion dương, electron tự do
Câu 8. Từ trường đều là từ trường
A. Có các đường sức từ song song cách đều nhau
B. Các đường sức từ cùng chiều nhau
C. Có độ lớn cảm ứng từ bằng nhau tại mọi điểm
D. Cả A, B, C đều đúng
Câu 9. Nếu tăng khoảng cách giữa hai điện tích điểm lên 3 lần thì lực tương tác tĩnh điện giữa chúng sẽ:
A. Tăng lên 3 lần
B. Giảm đi 3 lần
C. Tăng lên 9 lần
D. Giảm đi 9 lần
Câu 10. Công của lực điện trường dịch chuyển quãng đường 1m một điện tích 10μC vuông góc với các đường sức điện trong một điện trường đều cường độ 106 V/m là
A. 1 J
B. 1000 J.
C. 1 mJ.
D. 0 J.
Câu 11. Trong các công thức sau, công thức không phải để tính năng lượng điện trường trong tụ điện là:

Câu 12. Khi khoảng cách giữa hai điện tích điểm trong chân không giảm xuống 2 lần thì độ lớn lực Cu – lông
A. Giảm 2 lần.
B. Giảm 4 lần.
C. Tăng 4 lần.
D. Tăng 2 lần.
Câu 13: Khi nói về kim loại câu nào dưới đây là sai?
A. Kim loại chỉ tồn tại ở trạng thái rắn
B. Kim loại có khả năng uốn dẻo
C. Trong kim loại có nhiều electron tự do
D. Kim loại là chất dẫn điện
Câu 14: Công thức nào là định luật Ôm cho mạch điện kín gồm một nguồn điện và một điện trở ngoài:
A. UAB = ξ – I
B. UAB = IAB(R + r)
C. UAB = ξ + Ir
D.
Câu 15: Không khí ở điều kiện bình thường không dẫn điện vì
A. các phân tử chất khí không thể chuyển động thành dòng.
B. các phân tử chất khí không chứa các hạt mang điện.
C. các phân tử chất khí luôn chuyển động hỗn loạn không ngừng.
D. các phân tử chất khí luôn trung hòa về điện, trong chất khí không có hạt tải
Câu 16: Dòng điện trong bán dẫn là dòng chuyển dời có hướng của các hạt:
A. electron tự do
B. ion
C. electron và lỗ trống
D. electron, các ion dương và ion âm
Câu 17: Những chất nào dưới đây không phải là chất bán dẫn?
A. Silic (Si)
B. Gecmani (Ge)
C. Lưu huỳnh (S)
D. Sunfua chì (PbS)
Câu 18: Người ta muốn bóc một lớp đồng dày d = 10mm trên một bản đồng diện tích S = 1cm2 bằng phương pháp điện phân. Cường độ dòng điện là 0,01A. Biết ACu = 64, nCu = 2. Khối lượng riêng của đồng là 8900 kg/m3. Thời gian cần thiết để bóc được lớp đồng là:
A. 2684 phút.
B. 45 phút.
C. 22 phút.
D. 1342 phút.
Câu 19: Chọn những thiết bị áp dụng sự phóng điện trong không khí
A. Đèn hình tivi
B. Bugi trong động cơ nổ
C. Đèn cao áp
D. Đèn sợi đốt
Câu 20: Hai điện tích đặt gần nhau, nếu giảm khoảng cách giữa chúng đi 2 lần thì lực tương tác giữa 2 vật sẽ:
A. giảm đi 2 lần
B. tăng lên 4 lần
C. tăng lên 2 lần
D. giảm đi 4 lần
Câu 21: Tính chất của điot bán dẫn là
A. Chỉnh lưu và khuyếch đại
B. Trộn sóng
C. Ổn áp và phát quang
D. Chỉnh lưu và dao động
Câu 22: Cho mạch điện như hình vẽ, bỏ qua các điện trở dây nối và ampe kế, ξ = 3V, r = 1Ω, ampe kế chỉ 0,5A. Giá trị của điện trở R là:

A. 1Ω
B. 2Ω
C. 5Ω
D. 3 Ω
Câu 23: Một bình điện phân đựng dung dịch AgNO3, cường độ dòng điện chạy qua bình điện phân là I = 1 (A). Cho AAg = 108 (đvc), nAg= 1. Lượng Ag bám vào catốt trong thời gian 16 phút 5 giây là:
A. 1,08 mg.
B. 1,08g.
C. 0,54g.
D. 1,08 kg
Câu 24: Hãy chọn phát biểu sai:
Độ lớn của lực tương tác giữa hai điện tích điểm trong không khí:
A. Tỉ lệ thuận với bình phương khoảng cách giữa hai điện tích.
B. Phụ thuộc vào độ lớn của hai điện tích và khoảng cách giữa chúng
C. Tỉ lệ nghịch với bình phương khoảng cách giữa hai điện tích
D. Tỉ lệ thuận với tích của hai điện tích
Câu 25: Câu phát biểu nào sau đây chưa đúng?
A. Qua mỗi điểm trong điện trường chỉ vẽ được một đường sức.
B. Các đường sức của điện trường không cắt nhau.
C. Đường sức của điện trường bao giờ cũng là đường thẳng.
D. Đường sức của điện trường tĩnh không khép kín.
----------HẾT---------
Sở Giáo dục và Đào tạo .....
Đề thi Học kì 1
năm 2025
Bài thi môn: Vật Lí 11
Thời gian làm bài: phút
(không kể thời gian phát đề)
(Đề số 8)
Chọn chữ cái đứng trước câu trả lời mà em cho là đúng nhất. Mỗi câu trả lời đúng được 0,4 điểm.
Câu 1:Hiện tượng siêu dẫn là hiện tượng mà khi ta hạ nhiệt độ xuống dưới nhiệt độ TC nào đó, điện trở kim loại (hay hợp kim) :
A. không thay đổi
B. giảm đến một giá trị khác không.
C. giảm đột ngột đến giá trị bằng không
D. tăng đến vô cực
Câu 2: Cho hai dòng điện I1 = I1 = 6A chạy trong hai dây dẫn thẳng dài, song song, cách nhau 30 cm cùng chiều. Xác định cảm ứng từ tổng hợp tại điểm M nằm trong mặt phẳng chứa hai dây dẫn, cách hai dây thứ nhất và dây thứ hai lần lượt là 10 cm và 20 cm
A. 6. 10-6T
B. 2. 10-6T
C. 6. 10-5T
D. 4. 10-6T
Câu 3: Công thức xác định cường độ điện trường gây ra bởi điện tích Q >0, tại một điểm trong chân không, cách điện tích Q một khoảng r là

Câu 4. Hai điện tích điểm q1 = 10-8C, q2 = -2.10-8C đặt cách nhau 3cm trong dầu có hằng số điện môi bằng 2. Lực hút giữa chúng có độ lớn
A. 10-4N
B. 10-3N
C. 2.10-3N
D. 0,5.10-4N
Câu 5: Điện năng tiêu thụ được đo bằng
A. Công tơ điện
B. Am pe kế
C. Vôn kế
D. Tĩnh điện kế
Câu 6. Phát biểu nào sai về đường sức điện
A. Với điện tích dương đường sức điện hướng ra xa điện tích
B. Với điện tích âm đường sức điện hướng về điện tích
C. Đường sức điện hướng từ điện tích dương sang điện tích âm
D. Đường sức điện hướng từ điện tích âm sang điện tích dương
Câu 7. Điện trở của kim loại phụ thuộc vào nhiệt độ như thế nào:
A. Tăng khi nhiệt độ giảm
B. Tăng khi nhiệt độ tăng
C. Không đổi theo nhiệt độ
D. Tăng hay giảm phụ thuộc vào bản chất kim loại
Câu 8. Tương tác nào không phải là tương tác từ
A. giữa nam châm với nam châm
B. giữa dòng điện với dòng điện
C. giữa nam châm với dòng điện
D. giữa hai điện tích điểm
Câu 9. Trong các hiện tượng sau, hiện tượng nào không liên quan đến nhiễm điện?
A. Về mùa đông lược dính rất nhiều tóc khi chải đầu
B. Chim thường xù lông về mùa rét
C. Ôtô chở nhiên liệu thường thả một sợi dây xích kéo lê trên mặt đường
D. Sét giữa các đám mây.
Câu 10: Trong mạch điện chỉ có điện trở thuần, với thời gian như nhau, nếu cường độ dòng điện giảm ba lần thì nhiệt lượng tỏa ra trên mạch
A. giảm ba lần.
B. tăng chín lần.
C. giảm chín lần.
D. tăng ba lần.
Câu 11. Trên vỏ một tụ điện có ghi 50µF-100V. Điện tích lớn nhất mà tụ tích được là:
A. 5.10-4C
B. 5.10-3C
C. 5000C
D. 2C
Câu 12: Một mối hàn của cặp nhiệt điện có hệ số nhiệt điện 65µV/K đặt trong không khí ở 200C, còn mối kia được nung nóng đến nhiệt độ 2320C. Suất nhiệt điện của cặp này là:
A. 13,9mV
B. 13,87mV
C. 13,85mV
D. 13,78mV
Câu 13. Với một tụ điện xác định, nếu hiệu điện thế hai đầu tụ giảm 2 lần thì năng lượng điện trường của tụ
A. Tăng 2 lần.
B. Tăng 4 lần.
C. Không đổi.
D. Giảm 4 lần
Câu 14: Trong một điện trường đều, nếu trên một đường sức, giữa hai điểm cách nhau 4 cm có hiệu điện thế 10 V, giữa hai điểm cách nhau 6 cm có hiệu điện thế là
A. 10 V.
B. 15 V.
C. 22,5 V.
D. 8 V.
Câu 15: Đại lượng nào cho biết mức độ mạnh yếu của dòng điện?
A. Cường độ dòng điện.
B. Nhiệt lượng.
C. Hiệu điện thế.
D. Công suất.
Câu 16: Một tụ điện có điện dung C, điện tích q, hiệu điện thế U. Tăng hiệu điện thế hai bản tụ lên gấp đôi thì điện tích của tụ:
A. tăng gấp bốn
B. không đổi
C. tăng gấp đôi
D. giảm một nửa
Câu 17: Hai điện tích điểm q1= 2.10-9C; q2= 4.10-9C đặt cách nhau 3cm trong không khí, lực tương tác giữa chúng có độ lớn:
A. 8.10-5N
B. 9.10-5N
C. 8.10-9N
D. 9.10-9N
Câu 18: Hai điện tích điểm đặt trong không khí cách nhau 12 cm, lực tương tác giữa chúng bằng 10 N. Đặt chúng vào trong dầu cách nhau 8,2 cm thì lực tương tác giữa chúng vẫn bằng 10 N. Hằng số điện môi của dầu là:
A. 2,45.
B. 2,14.
C. 2,65.
D. 2,25.
Câu 19: Chọn câu trả lời đúng: Điện năng tiêu thụ được đo bằng:
A. Công tơ điện
B. Vôn kế
C. Ampe kế
D. Tĩnh điện kế
Câu 20. Hai điện tích điểm q1 = 9.10-8C ; q2 = -9.10-8C đặt tại hai điểm A, B trong không khí cách nhau 25cm. Cường độ điện trường tại điểm M có AM=15cm; BM = 20cm là
A. 36000 V/m
B. 41304 V/m
C. 20250 V/m
D. 56250 V/m
Câu 21: Muốn mạ đồng một tấm sắt có diện tích tổng cộng 200cm2 người ta dùng tấm sắt làm catot của bình điện phân đựng dung dịch CuSO4 và anot là một thanh đồng nguyên chất, cho dòng điện 10A chạy qua bình trong 2 giờ 40 phút 50 giây. Độ dày của lớp đồng bám trên mặt tấm sắt là bao nhiêu. Biết ACu = 64 gam/mol, n = 2, D = 8900kg/m3 (Coi đồng bám đều lên bề mặt tấm kim loại).
A. 1,79.10-2 mm.
B. 1,79.10-3 mm.
C. 1,79.10-1 mm.
D. 1,79.10-4 mm.
Câu 22: Hai quả cầu nhỏ có điện tích 10-7 (C) và 4.10-7 (C), tương tác với nhau một lực 0,1 (N) trong chân không. Khoảng cách giữa chúng là:
A. r = 6 (cm).
B. r = 0,6 (cm).
C. r = 0,6 (m).
D. r = 6 (m).
Câu 23: Cho điện tích dịch chuyển giữa 2 điểm cố định trong một điện trường đều với cường độ 150 V/m thì công của lực điện trường là 60 mJ. Nếu cường độ điện trường là 200 V/m thì công của lực điện trường dịch chuyển điện tích giữa hai điểm đó là
A. 80 J.
B. 40 J.
C. 40 mJ.
D. 80 mJ.
Câu 24: Hai điện tích điểm q1 = 2 μC và q2 = - 2 μC đặt tại A và B cách nhau một khoảng AB = 6cm. Cường độ điện trường tổng hợp tại điểm C nằm trên đường trung trực của AB cách AB một khoảng x = 4cm có độ lớn gần bằng
A. 86,40.107 V/m.
B. 68,40.105 V/m.
C. 68,40.107 V/m.
D. 86,40.105 V/m.
Câu 25: Ba điện tích q1 = q2 = q3 = q =5.10-9C đặt tại ba đỉnh A, B , C của hình vuông ABCD cạnh a = 30cm trong không khí. Cường độ điẹn trường tại D là:
A. 8131,7V/m
B. 81,317V/m
C. 8,137V/m
D. 813,17 V/m
----------HẾT---------
Sở Giáo dục và Đào tạo .....
Đề thi Học kì 1
năm 2025
Bài thi môn: Vật Lí 11
Thời gian làm bài: phút
(không kể thời gian phát đề)
(Đề số 9)
Chọn chữ cái đứng trước câu trả lời mà em cho là đúng nhất. Mỗi câu trả lời đúng được 0,4 điểm.
Câu 1: Hai điện tích
đặt cách nhau một khoảng 9cm trong môi trường cho hằng số điện môi
Lực tương tác giữa hai điện tích đó là :
A. 0,05N
B. 4,5.10-3N
C. 5.10-4N
D.4,5.10-4N
Câu 2: Phát biểu nào sau đây về tính chất của đường sức điện là không đúng
A. các đường sức là các đường cong không kín
B. các đường sức luôn xuất phát từ điện tích dương và kết thúc ở điện tích âm
C. qua mỗi điểm trong không gian có điện trường ta chỉ có thể vẽ được duy nhất một đường sức
D. các đường sức không bao giờ cắt nhauư
Câu 3: Hiện tượng siêu dẫn là hiện tượng mà khi ta hạ nhiệt độ xuống dưới nhiệt độ TC nào đó, điện trở kim loại (hay hợp kim) :
A. không thay đổi
B. giảm đến một giá trị khác không.
C. giảm đột ngột đến giá trị bằng không
D. tăng đến vô cực
Câu 4. Công thức định luật Cu-lông trong môi trường điện môi là:

Câu 5: Công của nguồn điện được xác định theo công thức:
A. A = It.
B. A = I.
C. A = UIt.
D. A = UI.
Câu 6. Hai điện tích điểm q1 = 10-8C, q2 = -2.10-8C đặt cách nhau 3cm trong dầu có hằng số điện môi bằng 2. Lực hút giữa chúng có độ lớn
A. 10-4N
B. 10-3N
C. 2.10-3N
D. 0,5.10-4N
Câu 7. Hai điện tích điểm có độ lớn điện tích tổng cộng là 3.10-5C khi đặt chúng cách nhau 1m trong không khí thì chúng đẩy nhau bằng lực 1,8N. Điện tích của chúng là
A. 2,5.10-5C và 0,5.10-5C
B. 1,5.10-5C và 1,5.105C
C. 2.10-5C và 10-5C
D. 1,75.10-5C và 1,25.10-5C
Câu 8. Sự phụ thuộc của điện trở suất vào nhiệt độ có biểu thức:
A. R = ρ
B. R = R0(1 + αt)
C. Q = I2Rt
D. 
Câu 9. Theo nội dung của thuyết electron, phát biểu nào sau đây là Sai?
A. Electron có thể rời khỏi nguyên tử để di chuyển từ nơi này đến nơi khác
B. Vật nhiễm điện âm khi số electron mà nó chứa lớn hơn số proton
C. Nguyên tử nhận thêm electron sẽ trở thành ion dương
D. Nguyên tử bị mất electron sẽ trở thành ion dương
Câu 10. Một mạch điện như hình vẽ. R = 12Ω, Đ: 6V – 9W; bình điện phân CuSO4 có anot bằng Cu; E = 9V, r = 0,5Ω. Đèn sáng bình thường, khối lượng Cu bám vào catot mỗi phút là bao nhiêu:

A. 25mg
B. 36mg
C. 40mg
D. 45mg
Câu 11. Khi đưa một quả cầu kim loại không nhiễm điện lại gần một quả cầu khác nhiễm điện thì
A. hai quả cầu đẩy nhau.
B. hai quả cầu hút nhau.
C. không hút mà cũng không đẩy nhau.
D. hai quả cầu trao đổi điện tích cho nhau
Câu 12: Dòng điện không đổi là:
A. Dòng điện có chiều và cường độ không thay đổi theo thời gian
B. Dòng điện có điện lượng chuyển qua tiết diện thẳng của dây không đổi theo thời gian
C. Dòng điện có chiều không thay đổi theo thời gian
D. Dòng điện có cường độ không thay đổi theo thời gian
Câu 13: Một hạt bụi khối lượng 10-8 g mang điện tích 5.10-5C chuyển động trong điện trường đều theo một đường sức điện từ điểm M đến điểm N thì vật vận tốc tăng từ 2.104m/s đến 3,6.104m/s. Biết đoạn đường MN dài 5cm, cường độ điện trường đều là
A. 2462 V/m
B. 1685 V/m
C. 2175 V/m
D. 1792 V/m.
Câu 14: Cho mạch điện như hình vẽ. Bỏ qua điện trở của dây nối và ampe kế, biết ξ1 = 3V, r1 = 1Ω, ξ2 = 6V, r2 = 1Ω, Ampe kế chỉ 2A. Điện trở R có giá trị là:

A. 1 Ω.
B. 4 Ω
C. 2,5Ω.
D. 2 Ω.
Câu 15: Cho đoạn mạch điện trở 10 Ω, hiệu điện thế 2 đầu mạch là 20 V. Trong 10 phút điện năng tiêu thụ của mạch là
A. 2,4 J.
B. 24 kJ.
C. 2,4 kJ.
D. 24 J.
Câu 16: Cho một mạch điện có nguồn điện không đổi. Khi điện trở ngoài của mạch tăng 2 lần thì cường độ dòng điện trong mạch chính
A. tăng 2 lần.
B. chưa đủ dữ kiện để xác định.
C. giảm 2 lần.
D. không đổi.
Câu 17. Một tụ điện phẳng có điện dung 4µF, khoảng cách giữa hai bản tụ là 1mm. Năng lượng điện trường dự trữ trong tụ điện có giá trị lớn nhất là 0,045J. Cường độ điện trường lớn nhất mà điện môi giữa hai bản tụ còn chịu được là:
A. 1,5.105V/m
B. 1,5.104V/m
C. 2,25.104V/m
D. 2,25.105V/m
Câu 18: Người ta mắc một bộ 3 pin giống nhau song song thì thu được một bộ nguồn có suất điện động 3 V và điện trở trong 2 Ω. Mỗi pin có suất điện động và điện trở trong là
A. 3 V; 3 Ω.
B. 9 V; 9 Ω.
C. 9 V; 3 Ω.
D. 3 V; 6 Ω.
Câu 19: Cường độ dòng điện được đo bằng
A. Vôn kế
B. lực kế
C. công tơ điện
D. ampe kế
Câu 20: Chọn một đáp án đúng:
A. Dòng điện trong kim loại là dòng chuyển rời của các electron
B. Kim loại dẫn điện tốt vì mật độ electron trong kim loại lớn
C. Dòng điện trong kim loại là dòng chuyển dời có hướng của các ion
D. Điện trở dây dẫn bằng kim loại giảm khi nhiệt độ tăng
Câu 21: Một tụ có điện dung 2 μF. Khi đặt một hiệu điện thế 8 V vào 2 bản của tụ điện thì tụ tích được một điện lượng là
A. 16.10-6 C.
B. 2.10-6 C.
C. 8.10-6 C.
D. 4.10-6 C.
Câu 22: Phát biểu nào sau đây là không đúng?
A. Theo thuyết êlectron, một vật nhiễm điện âm là vật đã nhận thêm êlectron.
B. Theo thuyết êlectron, một vật nhiễm điện dương là vật thiếu êlectron.
C. Theo thuyết êlectron, một vật nhiễm điện âm là vật thừa êlectron.
D. Theo thuyết êlectron, một vật nhiễm điện dương là vật đã nhận thêm các ion dương.
Câu 23: Kim loại dẫn điện tốt vì
A. Mật độ electron tự do trong kim loại rất lớn.
B. Khoảng cách giữa các ion nút mạng trong kim loại rất lớn.
C. Mật độ các ion tự do lớn.
D. Giá trị điện tích chứa trong mỗi electron tự do của kim loại lớn hơn ở các chất khác.
Câu 24: Nhận xét nào sau đây đúng? Theo định luật Ôm cho toàn mạch thì cường độ dòng điện cho toàn mạch
A. tỉ lệ nghịch với suất điện động của nguồn;
B. tỉ lệ nghịch điện trở trong của nguồn;
C. tỉ lệ nghịch với điện trở ngoài của nguồn;
D. tỉ lệ nghịch với tổng điện trở trong và điện trở ngoài
Câu 25: Các hiện tượng: tia lửa điện, sét, hồ quang điện, hiện tượng nào là quá trình phóng điện tự lực:
A. cả 3 đều đúng
B. tia lửa điện
C. hồ quang điện
D. sét
----------HẾT---------
Sở Giáo dục và Đào tạo .....
Đề thi Học kì 1
năm 2025
Bài thi môn: Vật Lí 11
Thời gian làm bài: phút
(không kể thời gian phát đề)
(Đề số 10)
Chọn chữ cái đứng trước câu trả lời mà em cho là đúng nhất. Mỗi câu trả lời đúng được 0,4 điểm.
Câu 1: Một điện tích q được đặt trong điện môi đồng tính, vô hạn. Tại điểm M cách q là 40cm, điện trường có cường độ 9.105V/m và hướng về điện tích q, biết hằng số điện môi của môi trường là 2,5. Xác định dấu và độ lớn của q
A. + 40 μC
B. - 32 μC
C. +32 μC
D. - 40 μC
Câu 2. Hai điện tích điểm có độ lớn điện tích tổng cộng là 3.10-5C khi đặt chúng cách nhau 1m trong không khí thì chúng đẩy nhau bằng lực 1,8N. Điện tích của chúng là
A. 2,5.10-5C và 0,5.10-5C
B.1,5.10-5C và 1,5.105C
C. 2.10-5C và 10-5C
D. 1,75.10-5C và 1,25.10-5C
Câu 3: Trong vật nào sau đây không có điện tích tự do?
A. thanh niken.
B. thanh sắt
C. thanh chì.
D. thanh gỗ khô.
Câu 4. Khối lượng m của chất được giải phóng ra ở điện cực của bình điện phân được tính bởi công thức:
Câu 5. Một sợi dây đồng có điện trở 74Ω ở nhiệt độ 500C. Điện trở của sợi dây đó ở 1000C là bao nhiêu biết α = 0,004K-1:
A. 66Ω
B. 76Ω
C. 86Ω
D. 96Ω
Câu 6. Trong các đơn vị sau, đơn vị của cường độ điện trường là:
A. V/m2.
B. V.m.
C. V/m.
D. V.m2.
Câu 7. Khi điện phân dung dịch AgNO3 với cực dương là Ag biết khối lượng mol của bạc là 108. Cường độ dòng điện chạy qua bình điện phân để trong 1 h để có 27 gam Ag bám ở cực âm là
A. 6,7 A.
B. 3,35 A.
C. 24124 A.
D. 108 A.
Câu 8. Tại một điểm xác định trong điện trường tĩnh, nếu độ lớn của điện tích thử tăng 2 lần thì độ lớn cường độ điện trường
A. tăng 2 lần.
B. giảm 2 lần.
C. không đổi.
D. giảm 4 lần.
Câu 9: Đoạn mạch gồm điện trở R1 = 100 (Ω) mắc song song với điện trở R2 = 300 (Ω), điện trở toàn mạch là:
A. RTM = 75 (Ω).
B. RTM = 100 (Ω).
C. RTM = 150 (Ω).
D. RTM = 400 (Ω).
Câu 10: Đơn vị của điện thế là vôn (V). 1V bằng
A. 1 J/N.
B. 1 N/C.
C. 1 J/C.
D. 1 J.C.
Câu 11: Khi điện tích dịch chuyển dọc theo một đường sức trong một điện trường đều, nếu quãng đường dịch chuyển tăng 2 lần thì công của lực điện trường
A. tăng 4 lần.
B. giảm 2 lần.
C. tăng 2 lần.
D. không đổi.
Câu 12: Phát biểu nào sau đây là không đúng?
A. electron là hạt mang điện tích âm, q = - 1,6.10-19 C.
B. electron là hạt có khối lượng m = 9,1.10-31 kg.
C. electron không thể chuyển động từ vật này sang vật khác.
D. nguyên tử có thể mất hoặc nhận thêm electron để trở thành ion.
Câu 13: Câu nào dưới đây nói về phân loại chất bán dẫn là không đúng?
A. Bán dẫn hoàn toàn tinh khiết là bán dẫn trong đó mật độ electron bằng mật độ lỗ trống.
B. Bán dẫn tạp chất là bán dẫn trong đó các hạt tải điện chủ yếu được tạo bởi các nguyên tử tạp chất.
C. Bán dẫn loại n là bán dẫn trong đó mật độ lỗ trống lớn hơn rất nhiều mật độ electron.
D. Bán dẫn loại p là bán dẫn trong đó mật độ electron tự do nhỏ hơn rất nhiều mật độ lỗ trống.
Câu 14: Dụng cụ hay thiết bị nào sau đây biến đổi hoàn toàn điện năng thành nhiệt năng?
A. Quạt điện
B. Ấm điện
C. Acquy đang nạp điện
D. Bình điện phân
Câu 15: Một điện tích q = 1 μC đặt trong chân không sinh ra điện trường tại một điểm cách q 1m có độ lớn và hướng là
A. 9000 V/m, hướng về phía điện tích q.
B. 9.109 V/m, hướng về phía điện tích q.
C. 9000 V/m, hướng ra xa điện tích q.
D. 9.109 V/m, hướng ra xa điện tích q.
Câu 16: Cho đoạn mạch gồm điện trở R1 = 100 (Ω), mắc nối tiếp với điện trở R2 = 200 (Ω), hiệu điên thế giữa hai đầu đoạn mạch là 12 (V). Hiệu điện thế giữa hai đầu điện trở R1 là
A. U1 = 1 (V).
B. U1 = 4 (V).
C. U1 = 6 (V).
D. U1 = 8 (V).
Câu 20: Công của lực điện không phụ thuộc vào
A. cường độ của điện trường.
B. vị trí điểm đầu và điểm cuối đường đi.
C. độ lớn điện tích bị dịch chuyển.
D. hình dạng của đường đi.
Câu 21: Một sợi dây đồng có điện trở 37Ω ở 500C. Điện trở của dây đó ở t0C là 43Ω. Biết α = 0,004K-1. Nhiệt độ t0C có giá trị:
A. 750C
B. 1000C
C. 900C
D. 250C
Câu 22: Tại hiệu điện thế 220V công suất của một bóng đèn bằng 100 W. Khi hiệu điện thế của mạch giảm xuống còn 110V, lúc đó công suất của bóng đèn bằng:
A. 50 W
B. 25 W
C. 30 W
D. 20 W
Câu 23: Biết hiệu điện thế giữa hai đầu dây dẫn là 6V. Điện năng tiêu thụ trên dây dẫn khi có cường độ dòng điện 2A chạy qua trong 1 giờ là
A. 12J
B. 43200J
C. 10800J
D. 1200J
Câu 24: Cho mạch điện như hình vẽ. Trong đó ξ = 6V, r= 0,5 Ω, R1= R2= 2 Ω, R3= R5= 4 Ω, R4= 6 Ω. Điện trở của ampe kế và của các dây nối không đáng kể. Số chỉ của ampe kế và hiệu điện thế giữa hai cực của nguồn điện lần lượt bằng

A. U= 5,5V; IA= 0,25A.
B. U= 5,25V; IA= 0,5A.
C. U= 5V; IA= 0,5A.
D. U= 5V; IA= 0,25A.
Câu 25: Hai điện trở R1, R2 (R1 >R2) được mắc vào hai điểm A và B, có hiệu điện thế U = 12V. Khi R1 ghép nối tiếp với R2 thì công suất tiêu thụ của mạch là 4W; khi R1 ghép song song với R2 thì công suất tiêu thụ của mạch là 18W. Giá trị của R1, R2 bằng
A. R1 = 24Ω, R2 = 12Ω
B. R1 = 2,4Ω, R2 = 1,2Ω
C. R1 = 240Ω, R2 = 120Ω
D. R1 = 8Ω, R2 = 6Ω
----------HẾT---------
Tủ sách VIETJACK luyện thi vào 10 cho 2k11 (2026):
Đã có app VietJack trên điện thoại, giải bài tập SGK, SBT Soạn văn, Văn mẫu, Thi online, Bài giảng....miễn phí. Tải ngay ứng dụng trên Android và iOS.
Theo dõi chúng tôi miễn phí trên mạng xã hội facebook và youtube:Bộ đề thi năm 2025 các lớp các môn học được Giáo viên nhiều năm kinh nghiệm tổng hợp và biên soạn theo Thông tư mới nhất của Bộ Giáo dục và Đào tạo, được chọn lọc từ đề thi của các trường trên cả nước.
Nếu thấy hay, hãy động viên và chia sẻ nhé! Các bình luận không phù hợp với nội quy bình luận trang web sẽ bị cấm bình luận vĩnh viễn.
- Đề thi lớp 1 (các môn học)
- Đề thi lớp 2 (các môn học)
- Đề thi lớp 3 (các môn học)
- Đề thi lớp 4 (các môn học)
- Đề thi lớp 5 (các môn học)
- Đề thi lớp 6 (các môn học)
- Đề thi lớp 7 (các môn học)
- Đề thi lớp 8 (các môn học)
- Đề thi lớp 9 (các môn học)
- Đề thi lớp 10 (các môn học)
- Đề thi lớp 11 (các môn học)
- Đề thi lớp 12 (các môn học)
- Giáo án lớp 1 (các môn học)
- Giáo án lớp 2 (các môn học)
- Giáo án lớp 3 (các môn học)
- Giáo án lớp 4 (các môn học)
- Giáo án lớp 5 (các môn học)
- Giáo án lớp 6 (các môn học)
- Giáo án lớp 7 (các môn học)
- Giáo án lớp 8 (các môn học)
- Giáo án lớp 9 (các môn học)
- Giáo án lớp 10 (các môn học)
- Giáo án lớp 11 (các môn học)
- Giáo án lớp 12 (các môn học)


Giải bài tập SGK & SBT
Tài liệu giáo viên
Sách
Khóa học
Thi online
Hỏi đáp

