200+ Trắc nghiệm Đo lường và điều khiển bằng máy tính (có đáp án)
Tổng hợp trên 200 câu hỏi trắc nghiệm Đo lường và điều khiển bằng máy tính có đáp án với các câu hỏi đa dạng, phong phú từ nhiều nguồn giúp sinh viên ôn trắc nghiệm Đo lường và điều khiển bằng máy tính đạt kết quả cao.
200+ Trắc nghiệm Đo lường và điều khiển bằng máy tính (có đáp án)
Câu 1: Đây là đầu USB loại nào?
A. Loại A
B. Loại B
C. Loại C
D. Đáp án khác.
Câu 2: Cho bộ ADC 10 bit dùng để đo điện áp từ 0 – 4,5V, điện áp Vref nên chọn là bao nhiêu để đo chính xác nhất?
A. 4V
B. 5V
C. 10V
D. 4,2V
Câu 3: Một bộ ADC 12 bit thì có giá trị số lớn nhất là bao nhiêu?
A. 4096
B. 1023
C. 4095
D. 2048
Câu 4: Với X = 5,2 giá trị của KetQua?
A. 5
B. 6
C. 5.8
D. Đáp án khác.
Câu 5: Cho hàm sau, dữ liệu từ cổng COM đọc được trả về ở chân nào? Chọn phát biểu đúng:
A. Read buffer.
B. Byte count.
C. VISA resource name out.
D. Tất cả đều sai
Câu 6: Phát biểu nào sau đây sai khi nói về bộ điều khiển PID dùng trong Labview:
A. Labview thu thập tín hiệu cảm biến hồi tiếp về thông qua các cổng USB, COM, PCI, …
B. Quá trình điều khiển được thực hiện đều đặn với chu kỳ Ts.
C. Bộ điều khiển PID trên Labview có thể điều khiển được các đối tượng động cơ, thanh gia nhiệt.
D. Tất cả các đáp án trên đều sai.
Câu 7: Một cảm biến áp suất có độ nhạy 1Bar/1mV, muốn đo mực nước từ 0- 1000Bar thì Vref nên chọn là:
A. 1.5V
B. 2.8V
C. 3V
D. 1V
Câu 8: Sau khi chạy xong chương trình, KQ có giá trị là:
A. -7
B. -4
C. -3
D. Đáp án khác
Câu 9: Cho một bộ DAC 12 bit, Vref=10V thì độ phân giải là:
A. 1.220 mV
B. 1.221 mV
C. 2.442 mV
D. 2.223 mV
Câu 10: Cho bộ DAC 12 bit dùng để xuất tín hiệu điều khiển từ 0-20mA, điều khiển 1 biến tần tương ứng từ 0- 50Hz. Khi bộ DAC có giá trị là 200 thì biến tần có giá trị:
A. 2.442 Hz
B. 3.17 Hz
C. 1.49 Hz
D. Kết quả khác.
Cho phép tính như như hình dưới với A= 3, B=5, C=6, D=7. Hãy trả lời câu 11, 12 và 13:
Câu 11: KQ1 có giá trị là?
A. 14
B. 9
C. 6
D. Đáp án khác
Câu 12: KQ2 có giá trị là?
A. 14
B. 61
C. 46
D. Đáp án khác
Câu 13: KQ3 có giá trị là?
A. 61
B. 2
C. 46
D. Đáp án khác
Câu 14: Lệnh sau là lệnh gì?
A. For loop
B. Flat sequence
C. Case structure
D. While loop
Câu 15: Slide trong trường hợp này là:
A. Numeric Control
B. Numeric Indicator
C. String
D. Symbol
Câu 16: Sau khi chạy xong chương trình, KQ= ?
A. 2.5
B. 2
C. 3
D. 4
Câu 17: Sau khi chạy xong chương trình, QB = ?
A. -5.2
B. -5
C. -15
D. -15.2
Câu 18: Biểu thức nào tương ứng với đoạn chương trình sau KQ=?
A. Đáp án khác.
B. A
2
C. A*C
D. A*B*C
Cho đoạn chương trình sau, hãy trả lời câu 19, 20 và 21
Câu 19: A có giá trị là:
A. 65
B. 56
C. 5
D. 6
Câu 20: B có giá trị là:
A. 4
B. 5
C. 6
D. 7
Câu 21: C có giá trị là:
A. 4
B. 5
C. 7
D. 6
Câu 22: TR trong hình là kiểu dữ liệu gì?
A. Numeric Control
B. Numeric Indicator
C. Array
D. Number.
Câu 23: Cho đoạn chương trình sau, LED nhấp nháy mấy lần?
A. 9 lần
B. 8 lần
C. 10 lần
D. 11 lần
Câu 24: Sau khi chạy xong chương
A. 55
B. 45
C. 46
D. 32
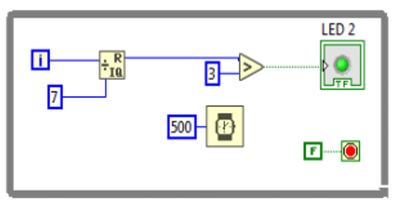
Câu 25: Cho đoạn chương trình sau, LED 2 nhấp nháy với chu kỳ:
A. 2.5s tắt, 1s sáng
B. 2s tắt, 1.5s sáng
C. 1s tắt, 2.5s sáng
D. 1.5s sáng, 1.5s tắt
................................
................................
................................
Xem thêm câu hỏi trắc nghiệm các môn học Đại học có đáp án hay khác:
Sách VietJack thi THPT quốc gia 2025 cho học sinh 2k7:
- Soạn văn 12 (hay nhất) - KNTT
- Soạn văn 12 (ngắn nhất) - KNTT
- Giải sgk Toán 12 - KNTT
- Giải Tiếng Anh 12 Global Success
- Giải sgk Tiếng Anh 12 Smart World
- Giải sgk Tiếng Anh 12 Friends Global
- Giải sgk Vật Lí 12 - KNTT
- Giải sgk Hóa học 12 - KNTT
- Giải sgk Sinh học 12 - KNTT
- Giải sgk Lịch Sử 12 - KNTT
- Giải sgk Địa Lí 12 - KNTT
- Giải sgk Giáo dục KTPL 12 - KNTT
- Giải sgk Tin học 12 - KNTT
- Giải sgk Công nghệ 12 - KNTT
- Giải sgk Hoạt động trải nghiệm 12 - KNTT
- Giải sgk Giáo dục quốc phòng 12 - KNTT
- Giải sgk Âm nhạc 12 - KNTT
- Giải sgk Mĩ thuật 12 - KNTT
Giải bài tập SGK & SBT
Tài liệu giáo viên
Sách
Khóa học
Thi online
Hỏi đáp



