200+ Trắc nghiệm Hệ thống cảm biến (có đáp án)
Tổng hợp trên 200 câu hỏi trắc nghiệm Hệ thống cảm biến có đáp án với các câu hỏi đa dạng, phong phú từ nhiều nguồn giúp sinh viên ôn trắc nghiệm Hệ thống cảm biến đạt kết quả cao.
200+ Trắc nghiệm Hệ thống cảm biến (có đáp án)
Câu 1. Cảm biến là thiết bị dùng để biến đổi các đại lượng nào sau đây:
A. Đại lượng vật lý
B. Đại lượng điện
C. Đại lượng dòng điện
D. Đại lượng điện áp
Câu 2. Cảm biến là thiết bị dùng để biến đổi các đại lượng nào?
A. Đại lượng không điện
B. Đại lượng điện
C. Đại lượng dòng điện
D. Đại lượng điện áp
Câu 3. Cảm biến là kỹ thuật chuyển các đại lượng vật lý thành:
A. Đại lượng không điện
B. Đại lượng điện
C. Đại lượng áp suất
D. Đại lượng tốc độ
Câu 4. Đại lượng (m) là đại lượng cần đo của cảm biến được biểu diễn bởi hàm s=F(m) thì:
A. (m) là đại đầu ra
B. (m) là đầu vào
C. (m) là phản ứng của cảm biến
D. (m) là đại điện
Câu 5. Một cảm biến được gọi là tuyến tính trong một dải đo xác định nếu:
A. Trong dải chế độ đó có độ nhạy không phụ thuộc vào đại lượng đo
B. Trong dải chế độ đó có sai số không phụ thuộc vào đại lượng đo ụ thuộc vào đại lượng đo
C. Trong dải chế độ đó có độ nhạy phụ thuộc vào đại lượng đo
D. Trong dải chế độ đó có sai số ph
Câu 6. Phương trình biểu diễn đường thẳng tốt nhất được lập bằng phương pháp nào?
A. Phương pháp tuyến tính
B. Phương pháp phi tuyến
C. Phương pháp bình phương tối thiểu
D. Phương pháp bình phương lớn nhất
Câu 7. Đường cong chuẩn của cảm biến là:
A. Đường cong biểu diễn sự phụ thuộc của đại lượng điện (s) ở đầu ra của cảm biến vào giá trị của đại lượng đo (m) ở đầu vào
B. Đường cong biểu diễn sai số của đại lượng điện (s) ở đầu ra của cảm biến và giá trị của đại lượng đo (m) ở đầu vào
C. Đường cong biểu diễn sự phụ thuộc của đại lượng không mang điện (s) ở đầu ra của cảm biến vào giá trị của đại lượng đo (m) ở đầu vào
D. Đường cong biểu diễn sự phụ thuộc của đại lượng không kích thích (s) ở đầu ra của cảm biến vào giá trị của đại lượng phản ứng (m) ở đầu vào
Câu 8. Đường cong chuẩn có thể biểu diễn:
A. Bảng liệt kê
B. Biểu thức đại số và đồ thị
C. Độ nhạy
D. Sai số
Câu 9. Mục đích của chuẩn cảm biến là:
A. Xác định tín hiệu đầu ra cảm biến thuộc loại nào
B. Xác lập mối quan hệ giữa đại lượng điện ở đầu ra và đại lượng đo, trên cơ sở đó xây dựng đường cong chuẩn
C. Xác định sai lệch trong quá trình đo của cảm biến
D. Tìm đặc tính vật lý của cảm biến
Câu 10. Xác định phát biểu đúng cho các loại sai số khi sử dụng cảm biến:
A. Sai số hệ thống không khắc phục được, còn sai số ngẫu nhiên thì có thể khắc phục
B. Sai số hệ thống có thể khắc phục được, còn sai số ngẫu nhiên thì không
C. Cả sai số hệ thống và sai số ngẫu nhiên đều có thể khắc phục
D. Cả sai số hệ thống và sai số ngẫu nhiên đều không thể khắc phục
Câu 11. Cảm biến nhiệt được chế tạo dựa trên nguyên lý nào sau đây:
A. Hiệu ứng nhiệt điện
B. Hiệu ứng hỏa nhiệt
C. Hiệu ứng áp điện
D. Hiệu ứng áp điện
Câu 12. Cảm biến đo tốc độ chuyển động quay có thể được chế tạo dựa trên nguyên lý nào sau đây:
A. Hiệu ứng quang điện
B. Hiệu ứng quang-điện từ
C. Hiệu ứng áp điện
D. Hiệu ứng cảm ứng điện từ
Câu 13. Hiệu ứng Hall được ứng dụng để thiết kế loại cảm biến nào sau đây:
A. Cảm biến đo từ thông
B. Cảm biến đo bức xạ ánh sáng
C. Cảm biến đo dòng điện
D. Cảm biến đo tốc độ
Câu 14. Hình vẽ sau mô tả cho nguyên lý chế tạo của cảm biến nào?
A. Hiệu ứng nhiêt điện
B. Hiệu ứng hoả nhiệt
C. Hiệu ứng áp điện
D. Hiệu ứng cảm ứng điện từ
Câu 15. Hình vẽ sau mô tả cho nguyên lý chế tạo của cảm biến nào:
A. Hiệu ứng nhiêt điện
B. Hiệu ứng hoả nhiệt
C. Hiệu ứng áp điện
D. Hiệu ứng cảm ứng điện từ
Câu 16. Hình vẽ sau mô tả cho nguyên lý chế tạo của cảm biến nào:
A. Hiệu ứng nhiêt điện
B. Hiệu ứng hoả nhiệt
C. Hiệu ứng áp điện
D. Hiệu ứng cảm ứng điện từ
Câu 17. Hình vẽ sau mô tả cho nguyên lý chế tạo của cảm biến nào:
A. Hiệu ứng nhiêt điện
B. Hiệu ứng hoả nhiệt
C. Hiệu ứng áp điện
D. Hiệu ứng cảm ứng điện từ
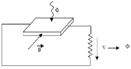
Câu 18. Hình vẽ sau mô tả cho nguyên lý chế tạo của cảm biến nào:
A. Hiệu ứng nhiêt điện
B. Hiệu ứng hoả nhiệt
C. Hiệu ứng quang – điện – từ
D. Hiệu ứng Hall
Câu 19. Hình vẽ sau mô tả cho nguyên lý chế tạo của cảm biến nào:
A. Hiệu ứng nhiêt điện
B. Hiệu ứng hoả nhiệt
C. Hiệu ứng quang – điện – từ
D. Hiệu ứng Hall
Câu 20. Từ hình vẽ đáp ứng của cảm biến sau hãy cho biết (tdm) gọi là gì?
A. Thời gian trễ khi tăng
B. Thời gian trễ khi giảm
C. Thời gian tăng
D. Thời gian giảm
Câu 21. Từ hình vẽ đáp ứng của cảm biến sau hãy cho biết (tdc) gọi là gì?
A. Thời gian trễ khi tăng
B. Thời gian trễ khi giảm
C. Thời gian tăng
D. Thời gian giảm
Câu 22. Từ hình vẽ đáp ứng của cảm biến sau hãy cho biết (tm) gọi là gì?
A. Thời gian trễ khi tăng
B. Thời gian trễ khi giảm
C. Thời gian tăng
D. Thời gian giảm
Câu 23. Cảm biến tích cực là cảm biến có đáp ứng là:
A. Điện tích
B. Điện trở
C. Độ tự cảm
D. Điện dung
Câu 24. Vùng làm việc danh định của cảm biến là:
A. Là vùng làm việc danh định tương ứng với những điều kiện sử dụng bình thường của cảm biến
B. Là vùng mà các đại lượng ảnh hưởng còn nằm trong phạm vi không gây nên hư hỏng
C. Là vùng mà các đại lượng ảnh hưởng vượt qua ngưỡng của vùng không gây nên hư hỏng nhưng vẫn còn nằm trong phạm vi không bị phá hủy
D. Là vùng mà cảm biến phải tiến hành chuẩn lại cảm biến
Câu 25. Vùng không gây nên hư hỏng:
A. Là vùng làm việc định danh tương ứng với những điều kiện sử dụng bình thường của cảm biến
B. Là vùng mà các đại lượng ảnh hưởng còn nằm trong phạm vi không gây nên hư hỏng
C. Là vùng mà các đại lượng ảnh hưởng vượt qua ngưỡng của vùng không gây nên hư hỏng nhưng vẫn còn nằm trong phạm vi không bị phá hủy
D. Là vùng mà cảm biến phải tiến hành chuẩn lại cảm biến
................................
................................
................................
Xem thêm câu hỏi trắc nghiệm các môn học Đại học có đáp án hay khác:
Sách VietJack thi THPT quốc gia 2025 cho học sinh 2k7:
- Soạn văn 12 (hay nhất) - KNTT
- Soạn văn 12 (ngắn nhất) - KNTT
- Giải sgk Toán 12 - KNTT
- Giải Tiếng Anh 12 Global Success
- Giải sgk Tiếng Anh 12 Smart World
- Giải sgk Tiếng Anh 12 Friends Global
- Giải sgk Vật Lí 12 - KNTT
- Giải sgk Hóa học 12 - KNTT
- Giải sgk Sinh học 12 - KNTT
- Giải sgk Lịch Sử 12 - KNTT
- Giải sgk Địa Lí 12 - KNTT
- Giải sgk Giáo dục KTPL 12 - KNTT
- Giải sgk Tin học 12 - KNTT
- Giải sgk Công nghệ 12 - KNTT
- Giải sgk Hoạt động trải nghiệm 12 - KNTT
- Giải sgk Giáo dục quốc phòng 12 - KNTT
- Giải sgk Âm nhạc 12 - KNTT
- Giải sgk Mĩ thuật 12 - KNTT
Giải bài tập SGK & SBT
Tài liệu giáo viên
Sách
Khóa học
Thi online
Hỏi đáp



