200+ Trắc nghiệm Hệ thống điều khiển khí nén và thủy lực (có đáp án)
Tổng hợp trên 200 câu hỏi trắc nghiệm Hệ thống điều khiển khí nén và thủy lực có đáp án với các câu hỏi đa dạng, phong phú từ nhiều nguồn giúp sinh viên ôn trắc nghiệm Hệ thống điều khiển khí nén và thủy lực đạt kết quả cao.
200+ Trắc nghiệm Hệ thống điều khiển khí nén và thủy lực (có đáp án)
Câu 1: Trong hệ thống thủy lực, bộ phận tạo ra năng lượng hoặc chuyển đổi thành dạng năng lượng khác là:
A. Bơm, xilanh truyền lực, động cơ thủy lực
B. Máy nén khí, động cơ khí nén
C. Trục, bánh răng, đai truyền
D. Máy phát điện, động cơ điện, ắc quy
Câu 2: Số vị trí của van đảo chiều là?
A. Số ngõ nhận tín hiệu
B. Số lỗ để dẫn dầu vào hay ra
C. Số thứ tự lắp van đóng trong hệ thống điều khiển
D. Số vị trí định vị con trượt của van
Câu 3: Trong hệ thống điều khiển bằng thủy lực, dòng năng lượng (dầu) đi theo chiều như sau:
A. Phần cung cấp năng lượng → phần tử điều khiển → cơ cấu chấp hành
B. Phần cung cấp năng lượng → phần tử nhận xử lý → phần tử điều khiển
C. Phần cung cấp năng lượng → phần tử nhận tín hiệu → cơ cấu chấp hành
D. Phần cung cấp năng lượng → cơ cấu chấp hành → phần tử điều khiển
Câu 4: Ký hiệu như hình vẽ sau là gì?
A. Bơm có thể tích làm việc thay đổi
B. Động cơ có thể tích làm việc thay đổi
C. Bơm có thể tích làm việc không đổi
D. Động cơ có thể tích làm việc không đổi
Câu 5: Cái gì đóng vai trò trung gian trong hệ thống truyền lực thủy lực?
A. Chất khí
B. Chất lỏng
C. Bơm dầu
D. Động cơ thủy lực
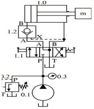
Câu 6: Sơ đồ lắp hệ thống thủy lực (hình vẽ) của cơ cấu nào?
A. Cơ cấu máy khoan bàn
B. Cơ cấu nâng hạ chi tiết được sơn trong lò sấy
C. Cơ cấu nâng hạ chi tiết sơn trong lò sấy
D. Cơ cấu kẹp chặt chi tiết gia công
Câu 7: Giả thiết chất lỏng lý tưởng là chất lỏng?
A. Không ma sát
B. Tất cả đều đúng
C. Không giãn nở
D. Không chịu nén
Câu 8: Trong hệ thống điều khiển bằng thủy lực, tổn thất thể tích là do?
A. Ma sát giữa các chi tiết có chuyển động tương đối với nhau
B. Sự thay đổi tiết diện ống dẫn
C. Độ nhám thành ống, độ lớn tiết diện ống dẫn
D. Thủy lực chảy qua các khe hở trong các phần tử của hệ thống
Câu 9: Chất lỏng lý tưởng?
A. Một giả thiết cần thiết khi nghiên cứu về động lực học chất lỏng
B. Chất lỏng rất nhớt
C. Một giả thiết hữu ích trong bài toán thuỷ tĩnh
D. Một giả thiết cần thiết khi nghiên cứu về động học chất lỏng
Câu 10: Một at kỹ thuật bằng?
A. 736 mmHg
B. 9,81.10⁴ Pa
C. 10mH₂O
D. Cả 3 đáp án kia đều đúng
Câu 11: Hình vẽ dưới đây là mô tả cấu tạo của loại bơm nào?
A. Bơm bánh răng ăn khớp ngoài
B. Bơm piston hướng tâm
C. Bơm rôto
D. Bơm bánh răng ăn khớp trong
Câu 12: Trong các số chỉ dưới đây, số chỉ nào tương đương với 1 HP?
A. 750W
B. 850W
C. 600W
D. 350W
Câu 13: Ký hiệu hình vẽ dưới thuộc loại van nào?
A. Van logic OR
B. Van tiết lưu
C. Van logic AND
D. Van xả khí nhanh
Câu 14: Phương trình Bernoulli liên hệ các đại lượng nào của chất khí được liệt kê trong các câu dưới đây?
A. Áp suất, cao độ, thể tích
B. Áp suất, tốc độ, cao độ
C. Áp suất, nhiệt độ, cao độ
D. Áp suất, thể tích, nhiệt độ
Câu 15: Máy nén khí pittông một cấp có thể đạt được áp suất nén cao nhất là?
A. 10 bar
B. 20 bar
C. 6 bar
D. 15 bar
Câu 16: Máy nén khí pittông hai cấp có thể đạt được áp suất nén cao nhất là?
A. 15 bar
B. 20 bar
C. 6 bar
D. 10 bar
Câu 17: Trình tự các quá trình trong xử lý khí nén là?
A. Lọc thô, sấy thô, lọc tinh
B. Lọc tinh, sấy khô, lọc thô
C. Sấy khô, lọc thô, lọc tinh
D. Lọc thô, lọc tinh, sấy khô
Câu 18: Yêu cầu tổn thất áp suất trong hệ thống phân phối khí nén là?
A. ≥ 1 bar
B. ≤ 2 bar
C. ≤ 1 bar
D. ≥ 2 bar
Câu 19: Trong những đặc điểm dưới đây, đặc điểm nào không phải là ưu điểm của động cơ khí nén?
A. Tốc độ quay phụ thuộc tải
B. Không xảy ra hư hỏng, khi có tải trọng quá tải
C. Điều chỉnh đơn giản mômen quay và số vòng quay
D. Đạt được số vòng quay cao và điều chỉnh vô cấp
Câu 20: Thế nào là truyền động thủy lực?
A. Truyền động với môi chất dẫn động là dầu
B. Truyền động với động cơ dầu
C. Truyền động với động cơ điện
D. Truyền động với môi chất dẫn động là không khí
Câu 21: Áp suất tạo ra bởi lực 200N vuông góc lên bề mặt 2cm² là:
A. p = 100N/cm²
B. p = 400N/cm²
C. p = 50N/cm²
D. p = 200kg/cm²
Câu 22: Bơm có khả năng thực hiện được với áp suất làm việc lớn p = 700 bar là bơm?
A. Bơm cánh gạt
B. Bơm trục vít
C. Bơm bánh răng
D. Bơm piston
Câu 23: Yêu cầu tổn thất áp suất trong các ống dẫn chính của hệ thống phân phối khí nén là?
A. ≤ 0.2 bar
B. ≥ 0.2 bar
C. ≤ 0.3 bar
D. ≤ 0.1 bar
Câu 24: Ký hiệu hình vẽ sau thuộc loại van nào?
A. Van dòng
B. Van phân phối
C. Van chặn
D. Van áp suất
Câu 25: Đâu không phải là thông số đặc trưng tiêu biểu để mô tả máy nén khí?
A. Vận tốc hoạt động
B. Áp suất hoạt động
C. Lưu lượng nạp
D. Lưu lượng cung cấp
................................
................................
................................
Xem thêm câu hỏi trắc nghiệm các môn học Đại học có đáp án hay khác:
Sách VietJack thi THPT quốc gia 2025 cho học sinh 2k7:
- Soạn văn 12 (hay nhất) - KNTT
- Soạn văn 12 (ngắn nhất) - KNTT
- Giải sgk Toán 12 - KNTT
- Giải Tiếng Anh 12 Global Success
- Giải sgk Tiếng Anh 12 Smart World
- Giải sgk Tiếng Anh 12 Friends Global
- Giải sgk Vật Lí 12 - KNTT
- Giải sgk Hóa học 12 - KNTT
- Giải sgk Sinh học 12 - KNTT
- Giải sgk Lịch Sử 12 - KNTT
- Giải sgk Địa Lí 12 - KNTT
- Giải sgk Giáo dục KTPL 12 - KNTT
- Giải sgk Tin học 12 - KNTT
- Giải sgk Công nghệ 12 - KNTT
- Giải sgk Hoạt động trải nghiệm 12 - KNTT
- Giải sgk Giáo dục quốc phòng 12 - KNTT
- Giải sgk Âm nhạc 12 - KNTT
- Giải sgk Mĩ thuật 12 - KNTT
Giải bài tập SGK & SBT
Tài liệu giáo viên
Sách
Khóa học
Thi online
Hỏi đáp



