Trắc nghiệm Vận dụng định luật Ôm (có đáp án)
Với câu hỏi & bài tập trắc nghiệm Bài tập vận dụng định luật Ôm có lời giải chi tiết sẽ giúp học sinh ôn tập trắc nghiệm Bài tập vận dụng định luật Ôm.
Trắc nghiệm Vận dụng định luật Ôm (có đáp án)
(199k) Học KHTN 9 KNTTHọc KHTN 9 CDHọc KHTN 9 CTST
Câu 1: Điện trở tương đương của đoạn mạch AB có sơ đồ như trên hình vẽ là RAB =10 Ω , trong đó các điện trở R1 = 7 Ω ; R2 = 12 Ω. Hỏi điện trở Rx có giá trị nào dưới đây?
A. 9 Ω
B. 5Ω
C. 15 Ω
D. 4 Ω
Ta thấy R1 nt (R2 // Rx)
Điện trở tương đương của đoạn mạch AB là:
→ Đáp án D
Câu 2: Điện trở R1 = 6 Ω, R2 = 9 Ω, R3 = 15Ω chịu được dòng điện có cường độ lớn nhất tương ứng là I1 = 5A, I2 = 2A, I3 = 3A. Hỏi có thể đặt một hiệu điện thế lớn nhất là bao nhiêu vào hai đầu đoạn mạch gồm 3 điện trở mắc nối tiếp với nhau?
A. 45V
B. 60V
C. 93V
D. 150V
3 điện trở mắc nối tiếp với nhau nên I = I1 = I2 = I3 = 2A (lấy giá trị nhỏ nhất vì nếu lấy giá trị lớn hơn thì điện trở bị hỏng).
Theo định luật Ôm, hiệu điện thế lớn nhất có thể đặt vào hai đầu đoạn mạch là:
U = I.R = I.(R1 + R2 + R3) = 2.(6 + 9 + 15) = 60V
→ Đáp án B
Câu 3: Khi mắc nối tiếp hai điện trở R1 và R2 vào hiệu điện thế 1,2V thì dòng điện chạy qua chúng có cường độ I = 0,12A.
a) Tính điện trở tương đương của đoạn mạch nối tiếp này.
b) Nếu mắc song song hai điện trở nói trên vào hiệu điện thế 1,2V thì dòng điện chạy qua điện trở R1 có cường độ I1 gấp 1,5 lần cường độ I2 của dòng điện chạy qua điện trở R2. Tính điện trở R1 và R2.
A. Rtđ = 10 Ω, R1 = 4V, R2 = 6 Ω
B. Rtđ = 10Ω , R1 = 6V, R2 = 4 Ω
C. Rtđ = 2,4Ω , R1 = 4V, R2 = 6 Ω
D. Rtđ = 2,4Ω , R1 = 6V, R2 = 4 Ω
a) Theo định luật Ôm ta có điện trở tương đương của đoạn mạch là:
b) Mạch điện mắc song song nên
→ Đáp án A
Câu 4: Cho mạch điện có sơ đồ như hình vẽ:
Trong đó điện trở R1 = 14 , R2 = 8 , R3 = 24 . Dòng điện đi qua R1 có cường độ là I1 = 0,4A. Tính cường độ dòng điện I2, I3 tương ứng đi qua các điện trở R2 và R3.
A. I2 = 0,1A; I3 = 0,3A
B. I2 = 3A; I3 = 1A
C. I2 = 0,1A; I3 = 0,1A
D. I2 = 0,3A; I3 = 0,1A
Ta thấy I1 = I23= 0,4A
Điện trở tương đương của đoạn mạch AB là:
Hiệu điện thế của mạch là:
Cường độ dòng điện qua điện trở R2:
Cường độ dòng điện qua điện trở R3:
→ Đáp án D
Câu 5: Cho mạch điện có sơ đồ như hình vẽ:
Trong đó có các điện trở R1 = 9Ω , R2 = 15Ω , R3 = 10Ω . Dòng điện đi qua R3 có cường độ là I3 = 0,3A. Tính hiệu điện thế U giữa hai đầu đoạn mạch AB.
A. 6,5V
B. 2,5V
C. 7,5 V
D. 5,5V
Điện trở tương đương của R2 và R3 là:
Hiệu điện thế giữa hai đầu R3 là:
Cường độ dòng điện qua R2 là:
Cường độ dòng điện qua R1 là:
Hiệu điện thế giữa hai đầu đoạn mạch AB là:
→ Đáp án C
Câu 6: Cho mạch điện như hình vẽ:
Hiệu điện thế đặt vào hai điểm A, B là UAB = 30V, các điện trở R1 = 10Ω , R2 = 30Ω , R3 = 10Ω , R4 = 30Ω , R5 = 50Ω . Chứng minh cường độ dòng điện chạy qua R5 bằng 0.
Ta có:
Theo sơ đồ:
Theo đề bài:
Từ (1) và (2)⇒ UMN = 0 ⇒ Cường độ dòng điện chạy qua R5 = 0
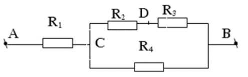
Câu 7: Cho mạch điện như hình vẽ:
Trong đó R1 = 2 Ω , R2 = 6 Ω , R3 = 4 Ω, R4 = 10 Ω . Hiệu điện thế UAB = 28V.
a) Tính điện trở tương đương của đoạn mạch.
b) Tìm cường độ dòng điện qua các điện trở.
c) Tính các hiệu điện thế UAC và UCD.
a) Ta có:
Điện trở tương đương của mạch:
b) Dòng điện qua R1:
Hiệu điện thế:
Dòng điện qua R2 và R3:
Dòng điện qua R4:
c) Các hiệu điện thế:
Câu 8: Từ hai loại điện trở R1 = 1Ω , R2 = 4Ω . Hãy chọn và mắc thành một mạch điện nối tiếp để khi đặt vào hai đầu đoạn mạch một hiệu điện thế 32,5V thì dòng điện qua mạch là 2,5A.
Điện trở của mạch:
Gọi x và y là số điện trở loại 1 Ω và 4 Ω mắc vào mạch
Ta có: x + 4y = 13 ⇒ x = 13 – 4y
Với x, y là các số nguyên dương và x ≤ 13 , y < 4
Lập bảng ta có 4 phương án mắc mạch điện với số các điện trở như sau:
| x | 13 | 9 | 5 | 1 |
| y | 0 | 1 | 2 | 3 |
Câu 9: Cho mạch điện như hình vẽ
Biết Hiệu điện thế giữa hai đầu đoạn mạch UAB = 60V. R1 = 9Ω , R2 = 15Ω , R3 = 10Ω , R4 = 18 .
a) Tính điện trở tương đương của mạch điện.
b) Tính cường độ dòng điện chạy qua các điện trở và trong mạch chính
c) Tính hiệu điện thế UNM
a) Ta có
Điện trở tương đương của đoạn mạch:
b) Cường độ dòng điện trong mạch chính:
Cường độ dòng điện chạy qua các điện trở R1 và R2:
Cường độ dòng điện chạy qua các điện trở R3 và R4:
c) Ta có
Hiệu điện thế
UNM = UNB + UBM = UNB – UBM = 36 – 32 = 4VCâu 10: Cho mạch điện như hình vẽ
Biết R1 = 8 Ω, R2 = 12 Ω, R3 = 4 Ω, Rx có thể thay đổi được. Hiệu điện thế giữa hai đầu đoạn mạch UAB = 48V.
a) Khi Rx = R1. Xác định dòng điện qua Rx và hiệu điện thế giữa hai đầu điện trở R3.
b) Xác định giá trị Rx để cho cường độ dòng điện trong hai nhánh rẽ bằng nhau. Tính cường độ dòng điện trong mạch chính khi đó.
a) Dòng điện qua Rx:
Hiệu điện thế giữa hai đầu điện trở R3:
U3 = I3.R3 = 4.4 = 16V
b) Muốn cường độ dòng điện trong hai nhánh rẽ bằng nhau thì điện trở tương đương của hai nhánh phải bằng nhau:
Ta có: R1 + R2 = R3 + Rx => Rx = R1 + R2 – R3 = 8 + 12 – 4 = 16 Ω
Điện trở tương đương của mạch:
Cường độ dòng điện trong mạch chính:
Bài tập bổ sung
Câu 1: Cho 3 điện trở giống nhau cùng có giá trị là R. Hãy vẽ sơ đồ các cách mắc ba điện trở trên vào hai điểm A, B và tính điện trở của mỗi đoạn mạch.
Câu 2: Cho mạch điện như hình vẽ.
Biết UAB = 35V; R1 = 15Ω; R2 = 3Ω; R3 = 7Ω; R4 = 10Ω
a, Tính điện trở của đoạn mạch AB.
b, Tính cường độ dòng điện qua các điện trở.
Câu 3: Cho hai bóng đèn loại 12V – 0,8A và 12V – 1,2A.
a, Các kí hiệu 12V - 0,8A và 12V-1,2A cho biết điều gì? Tính điện trở của mỗi bóng đèn.
b, Mắc nối tiếp hai bóng đèn trên với nhau vào hiệu điện thế 24V. Tính cường độ dòng điện chạy qua mỗi bóng đèn và nêu nhận xét về độ sáng của mỗi bóng đèn
c, Để hai đèn sáng bình thường phải mắc chúng như thế nào vào mạch điện có hiệu điện thế 12V.
d, Khi mắc nối tiếp hai bóng đèn trên vào mạch điện có hiệu điện thế U = 24V, để hai đèn sáng bình thường thì phải mắc thêm điện trở Rx vào hai đầu bóng đèn 12V-0,8A. Tính độ lớn của điện trở Rx?
Câu 4: Cho mạch điện như hình vẽ:
R1 = R2 = 2R3= 20 Ω; R4 = 20Ω; R5 = 12Ω. Ampe kế chỉ 4 A.
a, Tính điện trở của đoạn mạch AB.
b, Tính các hiệu điện thế UAC, UAD.
Câu 5: Cho mạch điện như hình vẽ:
R1 = 5Ω; R2 = 4Ω; R3= 3 Ω; R4 = R5 = 2Ω. Cường độ dòng điện qua mạch chính là I = 2A.
a, Tính UAB?
b, Tính hiệu điện thế giữa hai đầu mỗi điện trở?
c, Tính UAC, UDC.
Câu 6: Cho mạch điện như hình vẽ:
R1 = R2 = 2R3= 20 Ω; R4 = 20Ω. Cường độ dòng điện chạy qua R1 là 1 A.
a, Tính điện trở tương đương của đoạn mạch.
b, Tính hiệu điện thế đặt vào 2 đầu mỗi điện trở.
Câu 7: Một đoạn mạch điện gồm 5 điện trở mắc như sơ đồ hình 4.1. Cho biết R1= 2,5Ω; R2 = 6Ω; R3 = 10Ω; R4 = 1,2 Ω; R5 = 5Ω. Ở hai đầu đoạn mạch AB có hiệu điện thế 6V. Tính cường độ dòng điện qua mỗi điện trở.
Câu 8: Cho mạch điện như. Biết:
R1 = 15W, R2 = 3W, R3 = 7W, R4 = 10W. Hiệu điện thế hai đầu đoạn mạch là 35V.
a) Tính điện trở tương đương của toàn mạch.
b) Tìm cường độ dòng điện qua các điện trở.
Câu 9: Có ba điện trở R1= 2Ω; R2 = 4Ω; R3 = 12Ω; được mắc vào giữa hai điểm A và B có hiệu điện thế 12V như (hình).
a) Tính điện trở tương đương của mạch.
b) Tính cường độ dòng điện đi qua mỗi điên trở
c) Tính hiệu điện thế giữa hai đầu điện trở R1 và R2.
Câu 10: Có ba bóng đèn được mắc theo sơ đồ hình 3.1 và sáng bình thường. Nếu bóng Đ1 bị đứt dây tóc thì bóng Đ3 sáng mạnh hơn hay yếu hơn?
(199k) Học KHTN 9 KNTTHọc KHTN 9 CDHọc KHTN 9 CTST
Xem thêm Lý thuyết và Bài tập trắc nghiệm Vật Lí lớp 9 có đáp án và lời giải chi tiết khác:
- Lý thuyết Sự phụ thuộc của điện trở vào chiều dài dây dẫn (hay, chi tiết)
- Trắc nghiệm Sự phụ thuộc của điện trở vào chiều dài dây dẫn
- Lý thuyết Sự phụ thuộc của điện trở vào tiết diện dây dẫn (hay, chi tiết)
- Trắc nghiệm Sự phụ thuộc của điện trở vào tiết diện dây dẫn
- Lý thuyết Sự phụ thuộc của điện trở vào vật liệu làm dây dẫn (hay, chi tiết)
- Trắc nghiệm Sự phụ thuộc của điện trở vào vật liệu làm dây dẫn
Xem thêm các loạt bài Để học tốt Vật Lí lớp 9 hay khác:
Tủ sách VIETJACK luyện thi vào 10 cho 2k11 (2026):
Đã có app VietJack trên điện thoại, giải bài tập SGK, SBT Soạn văn, Văn mẫu, Thi online, Bài giảng....miễn phí. Tải ngay ứng dụng trên Android và iOS.
Theo dõi chúng tôi miễn phí trên mạng xã hội facebook và youtube:Loạt bài Lý thuyết - Bài tập Vật Lý 9 có đáp án của chúng tôi được biên soạn bám sát nội dung chương trình Vật Lý lớp 9.
Nếu thấy hay, hãy động viên và chia sẻ nhé! Các bình luận không phù hợp với nội quy bình luận trang web sẽ bị cấm bình luận vĩnh viễn.
- Giải Tiếng Anh 9 Global Success
- Giải sgk Tiếng Anh 9 Smart World
- Giải sgk Tiếng Anh 9 Friends plus
- Lớp 9 Kết nối tri thức
- Soạn văn 9 (hay nhất) - KNTT
- Soạn văn 9 (ngắn nhất) - KNTT
- Giải sgk Toán 9 - KNTT
- Giải sgk Khoa học tự nhiên 9 - KNTT
- Giải sgk Lịch Sử 9 - KNTT
- Giải sgk Địa Lí 9 - KNTT
- Giải sgk Giáo dục công dân 9 - KNTT
- Giải sgk Tin học 9 - KNTT
- Giải sgk Công nghệ 9 - KNTT
- Giải sgk Hoạt động trải nghiệm 9 - KNTT
- Giải sgk Âm nhạc 9 - KNTT
- Giải sgk Mĩ thuật 9 - KNTT
- Lớp 9 Chân trời sáng tạo
- Soạn văn 9 (hay nhất) - CTST
- Soạn văn 9 (ngắn nhất) - CTST
- Giải sgk Toán 9 - CTST
- Giải sgk Khoa học tự nhiên 9 - CTST
- Giải sgk Lịch Sử 9 - CTST
- Giải sgk Địa Lí 9 - CTST
- Giải sgk Giáo dục công dân 9 - CTST
- Giải sgk Tin học 9 - CTST
- Giải sgk Công nghệ 9 - CTST
- Giải sgk Hoạt động trải nghiệm 9 - CTST
- Giải sgk Âm nhạc 9 - CTST
- Giải sgk Mĩ thuật 9 - CTST
- Lớp 9 Cánh diều
- Soạn văn 9 Cánh diều (hay nhất)
- Soạn văn 9 Cánh diều (ngắn nhất)
- Giải sgk Toán 9 - Cánh diều
- Giải sgk Khoa học tự nhiên 9 - Cánh diều
- Giải sgk Lịch Sử 9 - Cánh diều
- Giải sgk Địa Lí 9 - Cánh diều
- Giải sgk Giáo dục công dân 9 - Cánh diều
- Giải sgk Tin học 9 - Cánh diều
- Giải sgk Công nghệ 9 - Cánh diều
- Giải sgk Hoạt động trải nghiệm 9 - Cánh diều
- Giải sgk Âm nhạc 9 - Cánh diều
- Giải sgk Mĩ thuật 9 - Cánh diều


Giải bài tập SGK & SBT
Tài liệu giáo viên
Sách
Khóa học
Thi online
Hỏi đáp

