Giải VTH Khoa học tự nhiên 7 trang 9 Tập 1 Kết nối tri thức
Với Giải VTH Khoa học tự nhiên 7 trang 9 trong Bài 1: Phương pháp và kĩ năng học tập môn khoa học tự nhiên Vở thực hành Khoa học tự nhiên lớp 7 Tập 1 Kết nối tri thức hay nhất, ngắn gọn sẽ giúp học sinh dễ dàng làm bài tập trong VTH KHTN 7 trang 9.
Giải VTH Khoa học tự nhiên 7 trang 9 Tập 1 Kết nối tri thức
Bài 1.10 trang 9 vở thực hành KHTN lớp 7 Tập 1: Hãy viết báo cáo bài thực hành: Quan sát và phân biệt một số loại tế bào đã học trong môn Khoa học tự nhiên ở lớp 6.
|
Họ và tên: Phạm Thị An Lớp: 7A |
Ngày… tháng … năm … |
BÁO CÁO THỰC HÀNH
Quan sát và phân biệt một số loại tế bào
1. Mục đích thí nghiệm
- Quan sát và phân biệt được một số loại tế bào (tế bào biểu bì hành tây, tế bào trứng cá).
2. Chuẩn bị
a. Thiết bị, dụng cụ
- Kính hiển vi có vật kính 40× và kính lúp.
- Nước cất đựng trong cốc thủy tinh.
- Đĩa petri
- Các dụng cụ khác như giấy thấm, lamen, lam kính, ống nhỏ giọt, kim mũi mác, thìa inox, dao mổ.
b. Mẫu vật
- Củ hành tây.
- Trứng cá.
3. Các bước tiến hành
Làm tiêu bản, quan sát và vẽ tế bào biểu bì hành tây
Bước 1: Dùng dao mổ tách lấy một vảy hành, sau đó tạo một vết cắt hình vuông nhỏ kích thước 7 – 8 mm ở trong của vảy hành. Sử dụng panh/ kim mũi mác lột nhẹ lớp tế bào trên cùng của vết cắt.
Bước 2: Đặt lớp tế bào này lên lam kính đã nhỏ sẵn một giọt nước cất rồi đậy lamen lại bằng cách trượt lamen từ một cạnh. Sử dụng giấy thấm để thấm phần nước thừa. Đặt lam kính lên bàn kính của kính hiển vi và quan sát ở vật kính 10× rồi chuyển sang vật kính 40×.
Bước 3: Chụp lại hoặc vẽ lại hình ảnh đã quan sát được.
Quan sát và vẽ tế bào trứng cá
Bước 1: Dùng thìa lấy một ít trứng cá cho vào đĩa petri.
Bước 2: Nhỏ một ít nước vào đĩa.
Bước 3: Dùng kim mũi mác khoắng nhẹ để trứng cá tách rời nhau.
Bước 4: Quan sát tế bào trứng cá bằng mắt thường hoặc bằng kính lúp.
Bước 5: Chụp lại hoặc vẽ lại hình ảnh đã quan sát được.
4. Kết quả
|
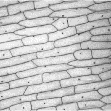
Tế bào hành tây |
Tế bào trứng cá |
|
|
Thành phần quan sát được |
Thành tế bào, nhân tế bào, tế bào chất. |
Màng tế bào, tế bào chất, nhân tế bào. |
|
Thành phần không quan sát được |
Màng tế bào, các loại bào quan (ti thể, không bào, …) |
Các bào quan khác (ti thể, ribosome, …) |
|
Hình vẽ |
|
|
Lời giải:
a. Thành phần nào em quan sát thấy ở cả hai loại tế bào?
Thành phần có thể quan sát ở cả hai loại tế bào là: nhân, tế bào chất.
b. Đặc điểm nào giúp em phân biệt được tế bào hành tây với tế bào trứng cá?
Đặc điểm phân biệt được tế bào hành tây với tế bào trứng cá:
+ Tế bào hành tây có hình đa giác, xếp sít nhau còn tế bào trứng cá hình cầu, riêng lẻ.
+ Tế bào hành tây có thành tế bào còn tế bào trứng cá thì không có.
Lời giải Vở thực hành Khoa học tự nhiên lớp 7 Bài 1: Phương pháp và kĩ năng học tập môn khoa học tự nhiên Kết nối tri thức hay khác:
Xem thêm lời giải Vở thực hành Khoa học tự nhiên lớp 7 Kết nối tri thức hay, chi tiết khác:
Tủ sách VIETJACK shopee lớp 6-8 (2025):
Đã có app VietJack trên điện thoại, giải bài tập SGK, SBT Soạn văn, Văn mẫu, Thi online, Bài giảng....miễn phí. Tải ngay ứng dụng trên Android và iOS.
Theo dõi chúng tôi miễn phí trên mạng xã hội facebook và youtube:Loạt bài Giải VTH Khoa học tự nhiên lớp 7 hay nhất, ngắn gọn được biên soạn bám sát sách Vở thực hành Khoa học tự nhiên 7 Tập 1, Tập 2 bộ sách Kết nối tri thức (NXB Giáo dục).
Nếu thấy hay, hãy động viên và chia sẻ nhé! Các bình luận không phù hợp với nội quy bình luận trang web sẽ bị cấm bình luận vĩnh viễn.
- Soạn văn 7 (hay nhất) - KNTT
- Soạn văn 7 (ngắn nhất) - KNTT
- Giải sgk Toán 7 - KNTT
- Giải Tiếng Anh 7 Global Success
- Giải Tiếng Anh 7 Friends plus
- Giải sgk Tiếng Anh 7 Smart World
- Giải Tiếng Anh 7 Explore English
- Giải sgk Khoa học tự nhiên 7 - KNTT
- Giải sgk Lịch Sử 7 - KNTT
- Giải sgk Địa Lí 7 - KNTT
- Giải sgk Giáo dục công dân 7 - KNTT
- Giải sgk Tin học 7 - KNTT
- Giải sgk Công nghệ 7 - KNTT
- Giải sgk Hoạt động trải nghiệm 7 - KNTT
- Giải sgk Âm nhạc 7 - KNTT


Giải bài tập SGK & SBT
Tài liệu giáo viên
Sách
Khóa học
Thi online
Hỏi đáp

