Giải Công nghệ 12 trang 81 Kết nối tri thức, Cánh diều
Trọn bộ lời giải bài tập Công nghệ 12 trang 81 Kết nối tri thức, Cánh diều sẽ giúp học sinh lớp 12 dễ dàng làm bài tập Công nghệ 12 trang 81. Bạn vào trang hoặc Xem lời giải để theo dõi chi tiết.
Giải Công nghệ 12 trang 81 Kết nối tri thức, Cánh diều
Giải Công nghệ 12 trang 81 Điện - Điện tử 12 (Kết nối tri thức)
Giải Công nghệ 12 trang 81 Lâm nghiệp - Thủy sản 12 (Cánh diều)
Lưu trữ: Giải Công nghệ 12 trang 81 (sách cũ)
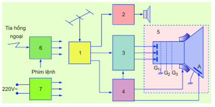
Câu 1 trang 81 Công nghệ 12: Nêu nguyên lí làm việc của máy thu hình màu qua sơ đồ khối.
Trả lời
* Sơ đồ khối của máy thu hình màu:
1. Khối cao tần, trung tần, tách sóng: Nhận tín hiệu cao tần từ anten, khuếch đại, xử lí, tách sóng hình, tự động điều chỉnh tần số ngoại sai và hệ số khuếch đại sau đó đưa tới các khối 2, 3, 4.
2. Khối xử lí tín hiệu âm thanh: Nhận tín hiệu sóng mang âm thanh, khuếch đại, tách sóng điều tần và khuếch đại âm tần để phát ra loa.
3. Khối xử lí tín hiệu hình: Nhận tín hiệu hình, khuếch đại, giải mã màu, sau đó khuếch đại ba tín hiệu màu (đỏ, lục lam) rồi đưa tới ba catôt đèn hình màu.
4. Khối đồng bộ và tạo xung quét: Tách xung đồng bộ dòng, xung đồng bộ mành và tạo xung quét dòng, xung quét mành đưa tới cuộn lái tia của đèn hình. Đồng thời còn tạo ra cao áp đưa tới anôt đèn hình.
5. Khối phục hồi hình ảnh (đèn hình màu): Nhận tín hiệu hình ảnh màu, tính hiệu quét để phục hồi hình ảnh hiện lên màn hình.
6. Khối xử lí và điều khiển: Nhận lệnh điều khiển từ xa hay từ phím bấm để điều khiển các hoạt động của máy thu hình.
7. Khối nguồn: Tạo các mức điện áp cần thiết cung cấp cho máy làm việc.
Các bài giải bài tập Công nghệ 12 khác:
Câu 1 trang 81 Công nghệ 12: Nêu nguyên lí làm việc của máy thu hình màu ....
Câu 2 trang 81 Công nghệ 12: Những màu nào được coi là màu cơ bản trong máy ....
Câu 3 trang 81 Công nghệ 12: Làm thế nào để có được màu tự nhiên trên màn ....
Đã có app VietJack trên điện thoại, giải bài tập SGK, SBT Soạn văn, Văn mẫu, Thi online, Bài giảng....miễn phí. Tải ngay ứng dụng trên Android và iOS.
Theo dõi chúng tôi miễn phí trên mạng xã hội facebook và youtube:Nếu thấy hay, hãy động viên và chia sẻ nhé! Các bình luận không phù hợp với nội quy bình luận trang web sẽ bị cấm bình luận vĩnh viễn.
- Giải Tiếng Anh 12 Global Success
- Giải sgk Tiếng Anh 12 Smart World
- Giải sgk Tiếng Anh 12 Friends Global
- Lớp 12 Kết nối tri thức
- Soạn văn 12 (hay nhất) - KNTT
- Soạn văn 12 (ngắn nhất) - KNTT
- Giải sgk Toán 12 - KNTT
- Giải sgk Vật Lí 12 - KNTT
- Giải sgk Hóa học 12 - KNTT
- Giải sgk Sinh học 12 - KNTT
- Giải sgk Lịch Sử 12 - KNTT
- Giải sgk Địa Lí 12 - KNTT
- Giải sgk Giáo dục KTPL 12 - KNTT
- Giải sgk Tin học 12 - KNTT
- Giải sgk Công nghệ 12 - KNTT
- Giải sgk Hoạt động trải nghiệm 12 - KNTT
- Giải sgk Giáo dục quốc phòng 12 - KNTT
- Giải sgk Âm nhạc 12 - KNTT
- Giải sgk Mĩ thuật 12 - KNTT
- Lớp 12 Chân trời sáng tạo
- Soạn văn 12 (hay nhất) - CTST
- Soạn văn 12 (ngắn nhất) - CTST
- Giải sgk Toán 12 - CTST
- Giải sgk Vật Lí 12 - CTST
- Giải sgk Hóa học 12 - CTST
- Giải sgk Sinh học 12 - CTST
- Giải sgk Lịch Sử 12 - CTST
- Giải sgk Địa Lí 12 - CTST
- Giải sgk Giáo dục KTPL 12 - CTST
- Giải sgk Tin học 12 - CTST
- Giải sgk Hoạt động trải nghiệm 12 - CTST
- Giải sgk Âm nhạc 12 - CTST
- Lớp 12 Cánh diều
- Soạn văn 12 Cánh diều (hay nhất)
- Soạn văn 12 Cánh diều (ngắn nhất)
- Giải sgk Toán 12 Cánh diều
- Giải sgk Vật Lí 12 - Cánh diều
- Giải sgk Hóa học 12 - Cánh diều
- Giải sgk Sinh học 12 - Cánh diều
- Giải sgk Lịch Sử 12 - Cánh diều
- Giải sgk Địa Lí 12 - Cánh diều
- Giải sgk Giáo dục KTPL 12 - Cánh diều
- Giải sgk Tin học 12 - Cánh diều
- Giải sgk Công nghệ 12 - Cánh diều
- Giải sgk Hoạt động trải nghiệm 12 - Cánh diều
- Giải sgk Giáo dục quốc phòng 12 - Cánh diều
- Giải sgk Âm nhạc 12 - Cánh diều


Giải bài tập SGK & SBT
Tài liệu giáo viên
Sách
Khóa học
Thi online
Hỏi đáp

