Công thức tính hiệu điện thế trong đoạn mạch song song hay nhất | Cách tính hiệu điện thế trong đoạn mạch song song
Công thức tính hiệu điện thế trong đoạn mạch song song hay nhất | Cách tính hiệu điện thế trong đoạn mạch song song
Công thức tính hiệu điện thế trong đoạn mạch song song Vật Lí lớp 7 sẽ giúp học sinh nắm vững công thức, biết Cách tính hiệu điện thế trong đoạn mạch song song từ đó có kế hoạch ôn tập hiệu quả để đạt kết quả cao trong các bài thi Vật Lí 7.
Bài viết Công thức tính hiệu điện thế trong đoạn mạch song song gồm 4 phần: Định nghĩa, Công thức, Kiến thức mở rộng và Bài tập vận dụng áp dụng công thức trong bài có lời giải chi tiết giúp học sinh dễ học, dễ nhớ Công thức tính hiệu điện thế trong đoạn mạch song song Vật Lí 7.
1. Định nghĩa
- Đoạn mạch song song là đoạn mạch gồm các thiết bị điện được nối với nhau thành các đoạn mạch rẽ, các đoạn mạch rẽ này có chung điểm đầu và điểm cuối.
- Đối với đoạn mạch gồm hai đèn mắc song song, hiệu điện thế trên mỗi đèn bằng nhau và bằng hiệu điện thế giữa hai điểm nối chung.

2. Công thức
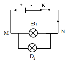
- Cho đoạn mạch gồm hai đèn mắc song song như sau:

- Hiệu điện thế giữa hai đầu đèn 1 là U1; hiệu điện thế giữa hai đầu đèn 2 là U2; hiệu điện thế giữa hai điểm nối chung là UMN thì: UMN = U1 = U2
3. Mở rộng
- Đối với đoạn mạch có nhiều hơn hai thiết bị điện mắc song song, hiệu điện thế giữa hai đầu mỗi thiết bị đều bằng nhau và bằng hiệu điện thế giữa hai đầu nối chung: U = U1 = U2 = …
- Một số đơn vị của hiệu điện thế thường dùng là: vôn (V), milivôn (mV), kilovôn (kV).
+ 1 V = 1000 mV
+ 1 kA = 1000 V
+ 1 kA = 1000 000 mV.
+ 1 V =
kV
+ 1mV =
V =
kV.
- Để đo hiệu điện thế, ta sử dụng vôn kế. Vôn kế được mắc song song với hai đầu đoạn mạch điện cần đo hiệu điện thế. Chốt dương của vôn kế được nối về phía cực dương của nguồn, chốt âm của vôn kế được nối về phía cực âm của nguồn. Sơ đồ mắc vôn kế như sau :

- Các kí hiệu trong mạch điện:
+ Một nguồn điện mắc nối tiếp (bộ pin, bộ acquy):

+ Hai nguồn điện mắc nối tiếp (bộ pin, bộ acquy):

+ Công tắc đóng có kí hiệu:

+ Công tắc mở có kí hiệu:

+ Bóng đèn có kí hiệu:

+ Dây dẫn điện có kí hiệu:

+ Vôn kế có kí hiệu:


4. Bài tập vận dụng
Bài 1: Hai bóng đèn 12V – 6W giống hệt nhau được mắc vào nguồn điện 12V như hình vẽ.

a) Khi cả hai khoá K đóng cường độ dòng điện chạy qua bóng đèn nào lớn hơn? Đèn nào sáng hơn?
b) Mở khoá K2 cường độ dòng điện qua các bóng thay đổi thế nào? Các đèn sáng ra sao?
Bài giải:
a) Khi cả hai khóa K đóng, hai đèn 1 và 2 được mắc song song với nhau vào mạch điện 12 V nên cường độ dòng điện qua hai bóng như nhau, cả hai bóng đều sáng bình thường.
b) Khi mở khóa K2, không còn dòng điện qua đèn 2 nên đèn 2 không sáng.
Đèn 1 được nối với nguồn điện 12 V bằng với hiệu điện thế định mức của đèn nên đèn 1 vẫn sáng bình thường.
Bài 2: Cho mạch điện có sơ đồ như sau, biết hiệu điện thế hai đầu đèn 1 là 6V, em hãy cho biết hiệu điện thế hai đầu đèn 2 và hiệu điện thế giữa hai điểm M, N là bao nhiêu?

Bài giải:
Vì hai đèn mắc song song nên ta có UMN = U1 = U2 = 6V
Đáp án: UMN = U2 = 6V
Xem thêm các Công thức Vật Lí lớp 7 quan trọng hay khác:
Đã có app VietJack trên điện thoại, giải bài tập SGK, SBT Soạn văn, Văn mẫu, Thi online, Bài giảng....miễn phí. Tải ngay ứng dụng trên Android và iOS.
Theo dõi chúng tôi miễn phí trên mạng xã hội facebook và youtube:Nếu thấy hay, hãy động viên và chia sẻ nhé! Các bình luận không phù hợp với nội quy bình luận trang web sẽ bị cấm bình luận vĩnh viễn.
- Đề thi lớp 1 (các môn học)
- Đề thi lớp 2 (các môn học)
- Đề thi lớp 3 (các môn học)
- Đề thi lớp 4 (các môn học)
- Đề thi lớp 5 (các môn học)
- Đề thi lớp 6 (các môn học)
- Đề thi lớp 7 (các môn học)
- Đề thi lớp 8 (các môn học)
- Đề thi lớp 9 (các môn học)
- Đề thi lớp 10 (các môn học)
- Đề thi lớp 11 (các môn học)
- Đề thi lớp 12 (các môn học)
- Giáo án lớp 1 (các môn học)
- Giáo án lớp 2 (các môn học)
- Giáo án lớp 3 (các môn học)
- Giáo án lớp 4 (các môn học)
- Giáo án lớp 5 (các môn học)
- Giáo án lớp 6 (các môn học)
- Giáo án lớp 7 (các môn học)
- Giáo án lớp 8 (các môn học)
- Giáo án lớp 9 (các môn học)
- Giáo án lớp 10 (các môn học)
- Giáo án lớp 11 (các môn học)
- Giáo án lớp 12 (các môn học)


Giải bài tập SGK & SBT
Tài liệu giáo viên
Sách
Khóa học
Thi online
Hỏi đáp

