200+ Trắc nghiệm Lý thuyết mạch điện 1 (có đáp án)
Tổng hợp trên 200 câu hỏi trắc nghiệm Lý thuyết mạch điện 1 có đáp án với các câu hỏi đa dạng, phong phú từ nhiều nguồn giúp sinh viên ôn trắc nghiệm Lý thuyết mạch điện 1 đạt kết quả cao.
200+ Trắc nghiệm Lý thuyết mạch điện 1 (có đáp án)
Câu 1 Cho mạch điện gồm điện trở R1 =20Ω mắc nối tiếp với điện trở R2 được cấp bởi nguồn điện 60V, dòng điện chạy trong mạch là 2A. Xác định giá trị điện trở R2
A. 10Ω
B. 15 Ω
C. 20 Ω
D. 25 Ω
Câu 2 Một mạch điện có nguồn 100V cấp cho điện trở 50Ω. Muốn giảm giá trị dòng điện trong mạch đi 2 lần cần mắc thêm một điện trở có giá trị bằng bao nhiêu?
A. 50 Ω
B. 40 Ω
C. 30 Ω
D. 45 Ω
Câu 3 Một mạch điện gồm có điện trở R1 = 30Ω mắc nối tiếp với một điện trở R2 = 40 Ω. Mạch được cấp bởi nguồn điện 140 V. Điện áp trên điện trở R2 là bao nhiêu?
A. 60V
B. 80mVD 60mV
C. 80V
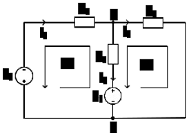
Câu 4 Phương trình theo định luật Kirchhoff 1 tại nút B trong sơ đồ mạch sau:
A. i3 = i + i5
B. i2 +i4+i5 = 0
C i1 = i2 + i3
D i1 = i2+ i4 +i5 Câu 5
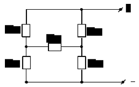
Câu 5. Xác định điện trở tương đương trong sơ đồ mạch sau?
A 2,5kΩ
B 3kΩ
C. 1,5 kΩ
D 4 kΩ
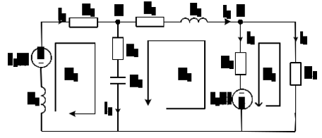
Câu 6 Xác định dòng điện trong mạch và công suất tiêu hao trên điện trở R trong sơ đồ mạch sau:
A. 6mA; 0,072W
B 0,6 A; 0,072W
C 0,06A; 0,72W.
D 0,006A; 0,72W.
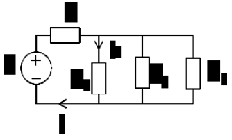
Câu 7 Xác định giá trị điện áp nguồn và công suất tiêu hao trên điện trở R trong sơ đồ mạch sau:
A. 10V; 0,5W
B. 1V; 0,005W
C. 10V; 5mW
D. 10V; 0,05W
Câu 8 Tìm điện trở R và nguồn cấp trong sơ đồ mạch sau. Biết công suất tác dụng trên điện trở R là 80mW
A. 5kΩ; 2V
B. 50Ω; 0,2V
C. 500Ω; 2V
D. 5kΩ; 20V
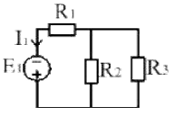
Câu 9 Tìm điện dẫn Gx trong sơ đồ mạch sau. Biết công suất tác dụng trên điện dẫn Gx là 50mW.
A. 500µS
B. 500mS
C. 500Ω
D. 0.5mS
Câu 10. Phương trình theo định luật Kirchhoff 1 tại nút A trong sơ đồ mạch sau:
A. i1+j=i2+i3
B. i1 - i2 –i3 - j=0
C. i1 - i2 + i3 - j=0
D. i1= i2+ i3
Câu 11. Xác định VA trong sơ đồ đồ mạch sau?(Điện thế tại nút A)
A. 6V
B. 5V
C. 3V
D. 2V
Câu 12. Xác định dòng điện I2 trong sơ đồ mạch sau?
A. 2A
B. 2mA
C. 1mA
D. 1A
Câu 13:
A. 10 A
B. 15 A
C. 17 A
D. 18 A
Câu 14:
A. 18 A
B. 19 A
C. 15 A
D. 20 A
Câu 15:
A.–i1 + i2 + i3 + i5 = 0
B.–i1 + i2 - i3 = 0
C. –i1 + i2 - i3 - i5 = 0
D. i1 + i2 - i3 - i5 = 0
Câu 16. Viết phương trình vòng 1 theo phương pháp dòng điện vòng?
A.R I1 1v R I2( v1 Iv2) E1
B R I1 1v R2( Iv1 Iv2) E1
CR I1 1v R I2( v1 Iv2)E1
D R I1 1v R I2( v1 Iv2)E1
Câu 17. Biểu diễn dòng điện các nhánh theo dòng điện các vòng trong sơ đồ mạch sau?
I2 Iv1 Iv2 I2 Iv1 Iv2 I2 Iv1 Iv2 I2 Iv1 Iv2
A.I3 Iv2
B.I3 Iv2
C. I3
D.I3 Iv2
Câu 18. Hãy xác định điện trở tương đương của đoạn mạch gồm bốn điện trở mắc nối tiếp nhau mà giá trị của nó là R1=100Ω;R2=20Ω;R3=R4=50Ω
A 10Ω
B. 220Ω
C120Ω
D 170Ω
Câu 19. Hãy xác định điện trở tương đương của đoạn mạch gồm ba điện trở mắc song song với nhau mà giá trị của nó là R1=10Ω;R2=5Ω;R3=10Ω
A 25Ω
B. 2,5Ω
C 0,4Ω
D 10Ω
Câu 20. Hãy xác định dòng điện I của mạch. Biết R1=4Ω;R2=4Ω;R3=2Ω; R4=2Ω;E=12V
A 4A
B. -4A
C 1A
D 2A
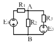
Câu 21. Cho mạch điện như hình vẽ biết R1=R2=2Ω; R3=1Ω; E1=20V; E3=40V. Xác định điện áp giữa 2 điểm nút UAB
A 10V
B. 15V
C 20V
D 25V
Câu 22. Cho mạch điện như hình vẽ biết R1=100Ω; R2=R3=200Ω; E1=200V. Xác định dòng điện I1
A. I1= 1A
B. I1= -1A
C. I1= 0,4A
D. I1= 2A
Câu 23. Xác định công suất tiêu thụ trên điện trở R trong mạch như hình vẽ. Biết
E1=100V; E2=50V; E3=30V; R=60Ω
A P= -240W
B P= 180W
C P=540W
D. P= 240W
Câu 24. Xác định dòng điện I trong mạch như hình vẽ. Biết E1=100V; E2=20V; E3=60V; R1=10Ω; R2=20Ω
AI= 5A
B. I= 2A
C I= 6A
D I= -2A
Câu 25. Cho mạch điện như hình vẽ. Biết E=100V; R=6Ω; R1=R2=10Ω; R3=20Ω. Xác định dòng điện qua điện trở R1
A. I1 = 4A
B I1 = 6,25A
C I1 = 10A
D I1 = 6,67A
Câu 26. Cho mạch điện như hình vẽ. Biết E1 =60V; R=20Ω; R1=10Ω. Tìm điện áp trên điện trở R1
A. 30V
B 20V
C 60V
D10V
Câu 27. Tìm V0 trong sơ đồ mạch sau?
A V0 = 72mV
B V0 = 0,72V
C V0 = 7,2mV
D. V0 = 7,2 V.
Câu 28. Cho mạch điện như hình vẽ. Biết E1=30V; R1=5Ω;R2=10Ω; R3=10Ω; R4=5Ω. Xác định công suất phát của nguồn E1
A P= 150W
B P= 30W
C. P= 120W
D P= -120W
................................
................................
................................
Xem thêm câu hỏi trắc nghiệm các môn học Đại học có đáp án hay khác:
Sách VietJack thi THPT quốc gia 2025 cho học sinh 2k7:
- Soạn văn 12 (hay nhất) - KNTT
- Soạn văn 12 (ngắn nhất) - KNTT
- Giải sgk Toán 12 - KNTT
- Giải Tiếng Anh 12 Global Success
- Giải sgk Tiếng Anh 12 Smart World
- Giải sgk Tiếng Anh 12 Friends Global
- Giải sgk Vật Lí 12 - KNTT
- Giải sgk Hóa học 12 - KNTT
- Giải sgk Sinh học 12 - KNTT
- Giải sgk Lịch Sử 12 - KNTT
- Giải sgk Địa Lí 12 - KNTT
- Giải sgk Giáo dục KTPL 12 - KNTT
- Giải sgk Tin học 12 - KNTT
- Giải sgk Công nghệ 12 - KNTT
- Giải sgk Hoạt động trải nghiệm 12 - KNTT
- Giải sgk Giáo dục quốc phòng 12 - KNTT
- Giải sgk Âm nhạc 12 - KNTT
- Giải sgk Mĩ thuật 12 - KNTT
Giải bài tập SGK & SBT
Tài liệu giáo viên
Sách
Khóa học
Thi online
Hỏi đáp



