Lý thuyết Đoạn mạch nối tiếp (hay, chi tiết)
Bài viết Lý thuyết Đoạn mạch nối tiếp hay, chi tiết giúp bạn nắm vững kiến thức trọng tâm Đoạn mạch nối tiếp.
Lý thuyết Đoạn mạch nối tiếp (hay, chi tiết)
(199k) Xem Khóa học KHTN 9 KNTTXem Khóa học KHTN 9 CDXem Khóa học KHTN 9 CTST
Bài giảng: Bài 4: Đoạn mạch nối tiếp - Cô Lê Minh Phương (Giáo viên VietJack)
I. TÓM TẮT LÍ THUYẾT
1. Cường độ dòng điện và hiệu điện thế trong đoạn mạch nối tiếp
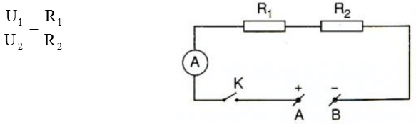
- Đoạn mạch gồm n điện trở mắc nối tiếp được biểu diễn như hình vẽ:
Trong đó: R1, R2,...,Rn là các điện trở
UAB là hiệu điện thế hai đầu đoạn mạch
U1, U2,...,Un lần lượt là hiệu điện thế trên mỗi điện trở
I1, I2,...,In lần lượt là cường độ dòng điện qua mỗi điện trở
IAB là cường độ dòng điện qua mạch chính
+ Cường độ dòng điện chạy qua đoạn mạch bằng cường độ dòng điện chạy qua từng điện trở:
IAB = I1 = I2 = ... = In
+ Hiệu điện thế giữa hai đầu đoạn mạch gồm các điện trở mắc nối tiếp bằng tổng các hiệu điện thế giữa hai đầu mỗi điện trở thành phần:
UAB = U1 + U2 + ... + Un
- Trong đoạn mạch gồm hai điện trở mắc nối tiếp, hiệu điện thế giữa hai đầu mỗi điện trở tỉ lệ thuận với điện trở đó.
2. Điện trở tương đương của đoạn mạch nối tiếp
Điện trở tương đương (Rtđ) của một đoạn mạch gồm nhiều điện trở là một điện trở có thể thay thế cho các điện trở đó, sao cho với cùng một hiệu điện thế thì cường độ dòng điện chạy qua đoạn mạch vẫn có giá trị như trước.
Điện trở tương đương của đoạn mạch bằng tổng các điện trở thành phần.
Với đoạn mạch gồm n điện trở mắc nối tiếp: Rtđ = R1 + R2 +...+ Rn
3. Ứng dụng thực tế
Dãy đèn trang trí gồm nhiều bóng đèn sợi đốt nhỏ mắc nối tiếp nhau. Trong dãy đèn trang trí có một bóng đèn gọi là bóng chớp. Trong bóng đèn này có gắn một băng kép (thanh lưỡng kim nhiệt). Băng kép này tạo thành một công tắc nhiệt C. Ban đầu công tắc này đóng nên khi nối dây đèn vào nguồn điện, dòng điện đi qua dây đèn khiến các đèn trong dãy sáng. Đèn sáng lên sẽ khiến công tắc C ngắt mạch. Do các đèn mắc nối tiếp nên các đèn trong dãy đều tắt. Sau đó đèn nguội đi, công tắc C lại đóng mạch và các đèn lại sáng lên. Quá trình này cứ thế lặp đi lặp lại khiến dãy đèn nháy tắt liên tục.
(199k) Xem Khóa học KHTN 9 KNTTXem Khóa học KHTN 9 CDXem Khóa học KHTN 9 CTST
Xem thêm Lý thuyết và Bài tập trắc nghiệm Vật Lí lớp 9 có đáp án và lời giải chi tiết khác:
- Lý thuyết Đoạn mạch song song (hay, chi tiết)
- Trắc nghiệm Đoạn mạch song song
- Lý thuyết Vận dụng định luật Ôm (hay, chi tiết)
- Trắc nghiệm Vận dụng định luật Ôm
- Lý thuyết Sự phụ thuộc của điện trở vào chiều dài dây dẫn (hay, chi tiết)
- Trắc nghiệm Sự phụ thuộc của điện trở vào chiều dài dây dẫn
Xem thêm các loạt bài Để học tốt Vật Lí lớp 9 hay khác:
Tủ sách VIETJACK luyện thi vào 10 cho 2k11 (2026):
Đã có app VietJack trên điện thoại, giải bài tập SGK, SBT Soạn văn, Văn mẫu, Thi online, Bài giảng....miễn phí. Tải ngay ứng dụng trên Android và iOS.
Theo dõi chúng tôi miễn phí trên mạng xã hội facebook và youtube:Loạt bài Lý thuyết - Bài tập Vật Lý 9 có đáp án của chúng tôi được biên soạn bám sát nội dung chương trình Vật Lý lớp 9.
Nếu thấy hay, hãy động viên và chia sẻ nhé! Các bình luận không phù hợp với nội quy bình luận trang web sẽ bị cấm bình luận vĩnh viễn.
- Giải Tiếng Anh 9 Global Success
- Giải sgk Tiếng Anh 9 Smart World
- Giải sgk Tiếng Anh 9 Friends plus
- Lớp 9 Kết nối tri thức
- Soạn văn 9 (hay nhất) - KNTT
- Soạn văn 9 (ngắn nhất) - KNTT
- Giải sgk Toán 9 - KNTT
- Giải sgk Khoa học tự nhiên 9 - KNTT
- Giải sgk Lịch Sử 9 - KNTT
- Giải sgk Địa Lí 9 - KNTT
- Giải sgk Giáo dục công dân 9 - KNTT
- Giải sgk Tin học 9 - KNTT
- Giải sgk Công nghệ 9 - KNTT
- Giải sgk Hoạt động trải nghiệm 9 - KNTT
- Giải sgk Âm nhạc 9 - KNTT
- Giải sgk Mĩ thuật 9 - KNTT
- Lớp 9 Chân trời sáng tạo
- Soạn văn 9 (hay nhất) - CTST
- Soạn văn 9 (ngắn nhất) - CTST
- Giải sgk Toán 9 - CTST
- Giải sgk Khoa học tự nhiên 9 - CTST
- Giải sgk Lịch Sử 9 - CTST
- Giải sgk Địa Lí 9 - CTST
- Giải sgk Giáo dục công dân 9 - CTST
- Giải sgk Tin học 9 - CTST
- Giải sgk Công nghệ 9 - CTST
- Giải sgk Hoạt động trải nghiệm 9 - CTST
- Giải sgk Âm nhạc 9 - CTST
- Giải sgk Mĩ thuật 9 - CTST
- Lớp 9 Cánh diều
- Soạn văn 9 Cánh diều (hay nhất)
- Soạn văn 9 Cánh diều (ngắn nhất)
- Giải sgk Toán 9 - Cánh diều
- Giải sgk Khoa học tự nhiên 9 - Cánh diều
- Giải sgk Lịch Sử 9 - Cánh diều
- Giải sgk Địa Lí 9 - Cánh diều
- Giải sgk Giáo dục công dân 9 - Cánh diều
- Giải sgk Tin học 9 - Cánh diều
- Giải sgk Công nghệ 9 - Cánh diều
- Giải sgk Hoạt động trải nghiệm 9 - Cánh diều
- Giải sgk Âm nhạc 9 - Cánh diều
- Giải sgk Mĩ thuật 9 - Cánh diều


Giải bài tập SGK & SBT
Tài liệu giáo viên
Sách
Khóa học
Thi online
Hỏi đáp

