Cách xác định chiều của đường sức từ cực hay
Bài viết Cách xác định chiều của đường sức từ với phương pháp giải chi tiết giúp học sinh ôn tập, biết cách làm bài tập Cách xác định chiều của đường sức từ.
Cách xác định chiều của đường sức từ cực hay
(199k) Xem Khóa học KHTN 9 KNTTXem Khóa học KHTN 9 CDXem Khóa học KHTN 9 CTST
Phương pháp
Học sinh cần nhớ và nắm được kiến thức về từ phổ, đường sức từ và quy tắc nắm tay phải.
1. Từ phổ - Đường sức từ
• Từ phổ: là hình ảnh cụ thể về các đường sức từ, có thể thu được từ phổ bằng rắc mạt sắt lên tấm nhựa trong đặt trong từ trường và gõ nhẹ
• Đường sức từ:
Mỗi đường sức từ có 1 chiều xác định. Bên ngoài nam châm, các đường sức từ có chiều đi ra từ cực Bắc (N), đi vào cực Nam (S) của nam châm
- Từ phổ ở bên ngoài ống dây có dòng điện chạy qua và bên ngoài thanh nam châm là giống nhau
2. Quy tắc nắm tay phải
Nắm nắm tay phải, rồi đặt sao cho bốn ngón tay hướng theo chiều dòng điện chạy qua các vòng dây thì ngón tay cái choãi ra chỉ chiều của đường sức từ trong lòng ống dây.
Ví dụ minh họa
Ví dụ 1 : Dùng cách nào trong cá cách dưới đây để thu được từ phổ?
A. Rải cát trên tấm nhựa đặt trong từ trường của nam châm và gõ nhẹ.
B. Rắc mạt sắt lên tấm nhựa đặt trong từ trường của nam châm và gõ nhẹ
C. Dùng kim nam châm, bôi mực lên kim nam châm để vẽ lên trên giấy.
D. Đặt thanh nam châm thẳng gần bức tường và rọi đèn vào thanh nam châm
Lời giải:
Đáp án B
Vì sắt là kim loại có từ tính, nên dưới tác dụng của từ trường những mạt sắt nhỏ sẽ sắp xếp thành những đường cong nối từ cực này sang cực kia. Đó là từ phổ
Ví dụ 2 : Các đường sức từ bên ngoài thanh nam châm, ống dây có dòng điện chay qua là:
A. Những đường tròn có tâm ở giữa thanh nam châm
B. Những đường tròn đồng tâm
C. Những đường cong
D. Những đường thẳng
Lời giải:
Đáp án C
Đường sức từ bên ngoài thanh nam châm (bên ngoài ống dây cũng như vậy) là những đường cong, nối từ cực này sang cực kia.
Ví dụ 3 : Liên thực hành một thí nghiệm về từ trường. Thí nghiệm mà Liên thực hiện được mô tả như hình vẽ. Khi cho một dòng điện một chiều chạy qua ống dây, bạn Liên thấy kim nam châm bị đẩy ra xa B. Dòng điện đi qua ống dây có chiều như thế nào?
Lời giải:
Dòng điện trong cuộn dây có chiều từ A đến B
Do kim nam châm bị đẩy ra xa nên đầu B của ống dây phải là cực Bắc. Tức là đường sức từ của ống dây đu ra từ đầu B của ống dây. Sử dụng quy tắc nắm tay phải suy ra chiều dòng điện qua cuộn dây có chiều từ A sang B
Bài tập trắc nghiệm
Câu 1: Độ mau, thưa của các đường sức từ trên cùng một hình vẽ cho ta biết điều gì?
A. Độ mạnh yếu của từ trường. Chỗ đường sức từ càng mau thì từ trường càng mạnh và ngược lại
B. Độ mạnh yếu của từ trường. Chỗ đường sức từ càng mau thì từ trường càng yếu và ngược lại
C. Độ mạnh yếu của cường độ dòng điện. Chỗ đường sức từ càng mau thì dòng điện tại đó càng mạnh và ngược lại
D. Độ mạnh yếu của cường độ dòng điện. Chỗ đường sức từ càng mau thì dòng điện tại đó càng yếu và ngược lại
Lời giải:
Đáp án A
Nơi nào từ trường mạnh thì đường sức từ càng dày, nơi nào từ trường yếu thì đường sức từ càng thưa.
Câu 2: Các đường sức từ có chiều nhất định. Ở ngoài ống dây (có dòng điện chạy qua) chúng là những đường cong.
A. Đi ra từ cực âm và đi vào từ cực dương của ống dây
B. Đi ra từ cực Bắc và đi vào từ cực Nam của ống dây
C. Đi ra từ cực Nam và đi vào từ cực Bắc của ống dây
D. Đi ra từ cực dương và đi vào từ cực âm của ống dây
Lời giải:
Đáp án B
Từ phổ ở bên ngoài ống dây có dòng điện chạy qua và bên ngoài thanh nam châm là giống nhau. Đều là những đường công đi ra từ cực Bắc và đi vào cực Nam
Câu 3: Quy tắc nắm tay phải dùng để xác định.
A. Chiều của dòng điện trong dây dẫn
B. Chiều của đường sức từ trong nam châm
C. Chiều của đường sức từ trong mạch điện
D. Chiều của đường sức từ trong lòng ống dây
Lời giải:
Đáp án D
Quy tắc nắm tay phải được sử dụng để xác định chiều của đường sức từ trong lòng ống dây khi biết chiều của dòng điện đi qua ống dây
Câu 4: Phát biểu nào sau đây là chính xác khi nói về quy tắc nắm tay phải?
A. Nắm nắm tay phải sao cho bốn ngón tay nắm lại chỉ chiều dòng điện qua ống dây thì ngón tay cái choãi ra chỉ chiều đường sức từ trong lòng ống dây.
B. Nắm nắm tay phải sao cho bốn ngón tay nắm lại chỉ chiều dòng điện qua ống dây thì ngón tay cái choãi ra chỉ chiều đường sức từ bên ngoài ống dây.
C. Nắm nắm tay phải, khi đó bốn ngón tay nắm lại chỉ chiều đường sức từ bên trong lòng ống dây.
D. Nắm nắm tay phải, khi đó ngón tay cái choãi ra chỉ chiều đường sức từ trong lòng ống dây.
Lời giải:
Đáp án A
Quy tắc bàn tay phải dùng để xác định chiều đường sức từ trong lòng ống dây
Câu 5: Khi sử dụng quy tắc nắm tay phải cần phải biết?
A. Cường độ dòng điện trong ống dây
B. Hiệu điện thế định mức đặt vào hai đầu ống dây
C. Chiều của dòng điện trong ống dây
D. Chiều dài của ống dây
Lời giải:
Đáp án C
Khi sử dụng quy tắc nắm tay phải thì phải chú ý cho bốn ngón tay hướng theo chiều dòng điện chạy qua các vòng dây. Vì vậy cần phải biết chiều của dòng điện trong ống dây.
Bài tập vận dụng
Câu 6 : Khi cho dòng điện đi qua lòng một ống dây thì xuất hiện đường sức từ quanh ống dây. Nếu thêm vào ống dây đó một lõi sắt thì chiều của đường sức từ có tay đổi không? Tại sao?
Lời giải:
Chiều của đường sức từ không thay đổi.
Vì lõi sắt chỉ làm tăng từ tính của ống dây, chứ không làm thay đổi cực từ của ống dây.
Câu 7 : Trong giờ thực hành về từ trường, các bạn học sinh lớp 8A làm một thí nghiệm được mô tả như hình dưới. Khi đóng khóa K thì kim nam châm sẽ như thế nào?
Lời giải:
Khi khóa K đóng sẽ có dòng điện chạy qua cuộn dây. Áp dụng quy tắc bàn tay phải thì đầu ống dây gần kim nam châm là cực Bắc. Cực của kim nam châm và ống dây cùng tên nên sẽ đẩy nhau, và kim nam châm bị đẩy đi xa.
Câu 8 : Đầu A của ống dây là cực Bắc. Muốn cực A của ông dây là cực Nam thì phải làm như thế nào?
Lời giải:
Để đầu A chuyển thành cực Nam thì ta chỉ cần đảo chiều dòng điện đi qua ống dây. Vì khi đảo chiều dòng điện thì chiều của đường sức từ cũng thay đổi, và cực từ của ống dây cũng thay đổi
Câu 9 : Trong giờ thực hành vật lí, thầy Vũ làm một thí nghiệm để xác định cực của kim nam châm. Thí nghiệm được mô tả như hình vẽ. Khi thầy Vũ đóng công tắc K thì cực X của kim nam châm bị hút lại gần đầu B của ống dây. Hai cực X, Y là cực gì? Vì sao?
Lời giải:
X là cực Nam, Y là cực Bắc
Vì theo quy tắc bàn tay phải đầu B của ống dây là cực Bắc. Mà đầu B hút cực X của kim nam châm nên X là cực Nam và Y sẽ là cực Bắc
Câu 10 : Quan sát từ phổ của thanh nam châm thẳng (trong ảnh), em có kết luận gì về từ trường của thanh nam châm này?
Lời giải:
Từ trường ở hai đầu của thanh nam châm là mạnh nhất, vì tại đó các đường sức từ dày đặc. Ở giữa thanh là yếu nhất, vì tại đó các đường sức từ rất thưa.
Bài tập tự luyện
Bài 1: Biết chiều của một đường sức từ như trên hình bên dưới của thanh nam châm. Hãy xác định từ cực của thanh nam châm?
Bài 2: Có một số pin để lâu ngày và một đoạn dây dẫn. Nếu không có bóng đèn để thử mà chỉ có một kim nam châm. Làm thế nào để kiểm tra được pin có còn điện hay không chỉ với dây dẫn và kim nam châm?
Bài 3: Muốn xác định được chiều của lực điện từ tác dụng lên một đoạn dây dẫn thẳng có dòng điện chạy qua đặt tại một điểm trong từ trường thì cần phải biết những yếu tố nào? Giải thích chi tiết?
Bài 4: Hai ống dây có dòng điện chạy qua được treo cạnh nhau như hình vẽ. Hai đầu A và B của hai ống dây hút nhau hay đẩy nhau?
Bài 5: Để kiểm tra xem một dây dẫn chạy qua nhà có dòng điện hay không mà không dùng dụng cụ đo điện, ta có thể dùng kim nam châm được không? Giải thích tại sao?
Bài 6:Trong lòng một ống dây dẫn có dòng điện một chiều chạy qua thì các đường sức từ có những đặc điểm nào?
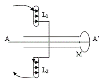
Bài 7: Mặt cắt thẳng đứng của một đèn hình ở trong máy thu hình được vẽ như hình vẽ. Tia AA’ tượng trưng cho chùm electron chiếu đến đập vào màn huỳnh quang M, các ống dây L1 và L2 sử dụng để lái chùm tia electron theo phương nằm ngang. Hỏi đường sức từ ở trong các ống dây L1, L2 sẽ có hướng như thế nào?
Bài 8:Hình sau mô tả cấu tạo của một dụng cụ để phát hiện dòng điện (một loại điện kế). Dụng cụ này gồm một ống dây B, trong lòng B có một thanh nam châm A nằm thang bằng, vuông góc với trục ống dây và có thể quay quanh một trục OO' đặt giữa thanh, vuông góc với mặt phẳng trang giấy.
a, Nếu dòng điện qua ống dây B có chiều được đánh dấu như hình vẽ thì kim chỉ quay sang bên phải hay bên trái?
b, Hai chốt của điện kế này cần có đánh dấu dương, âm hay không?
Bài 9: Có thể áp dụng quy tắc nắm tay phải cho trường hợp một vòng dây có dòng điện chạy qua không? Vòng dây (C) bị hút về phía nam châm như hình vẽ. Hãy xác định chiều dòng điện trong vòng dây (coi đường vẽ nét đứt là nửa vòng dây phía sau).
Bài 10: Cạnh một ống dây người ta treo một thanh nam châm thẳng bằng một sợi dây dẻo. Thanh nam châm đứng thăng bằng ở vị trí như trên hình bên dưới C và D là hai cực của một nguồn điện.
a) Khi ta nối A với C và B với D thì vị trí thanh nam châm sẽ như thế nào?
b) Khi ta nối A với D và B với C thì vị trí thanh nam châm sẽ như thế nào?
c) Khi ngắt mạch điện thì vị trí thanh nam châm sẽ như thế nào?
(199k) Xem Khóa học KHTN 9 KNTTXem Khóa học KHTN 9 CDXem Khóa học KHTN 9 CTST
Xem thêm các dạng bài tập Vật Lí lớp 9 có đáp án và lời giải chi tiết khác:
- Dạng 1: Dạng bài tập Ứng dụng của nam châm cực hay
- Dạng 2: Cách giải bài tập Động cơ điện, máy phát điện cực hay
- Dạng 4: Cách xác định chiều của lực điện từ cực hay
- Dạng 5: Bài tập về hiện tượng cảm ứng điện từ cực hay
- Dạng 6: Bài tập tác dụng từ của dòng điện xoay chiều cực hay
- Dạng 7: Cách giải bài tập truyền tải điện năng cực hay
- Dạng 8: Phương pháp tính độ giảm điện thế cực hay
- Dạng 9: Phương pháp giải bài tập điện thế truyền tải thay đổi cực hay
- Dạng 10: Phương pháp giải bài tập điện trở thay đổi cực hay
- Dạng 11: Cách tính hiệu suất truyền tải điện năng cực hay
- Dạng 12: Phương pháp giải bài tập về máy biến thế cực hay
Xem thêm các loạt bài Để học tốt Vật Lí lớp 9 hay khác:
Tủ sách VIETJACK luyện thi vào 10 cho 2k11 (2026):
Đã có app VietJack trên điện thoại, giải bài tập SGK, SBT Soạn văn, Văn mẫu, Thi online, Bài giảng....miễn phí. Tải ngay ứng dụng trên Android và iOS.
Theo dõi chúng tôi miễn phí trên mạng xã hội facebook và youtube:Loạt bài Lý thuyết - Bài tập Vật Lý 9 có đáp án của chúng tôi được biên soạn bám sát nội dung chương trình Vật Lý lớp 9.
Nếu thấy hay, hãy động viên và chia sẻ nhé! Các bình luận không phù hợp với nội quy bình luận trang web sẽ bị cấm bình luận vĩnh viễn.
- Giải Tiếng Anh 9 Global Success
- Giải sgk Tiếng Anh 9 Smart World
- Giải sgk Tiếng Anh 9 Friends plus
- Lớp 9 Kết nối tri thức
- Soạn văn 9 (hay nhất) - KNTT
- Soạn văn 9 (ngắn nhất) - KNTT
- Giải sgk Toán 9 - KNTT
- Giải sgk Khoa học tự nhiên 9 - KNTT
- Giải sgk Lịch Sử 9 - KNTT
- Giải sgk Địa Lí 9 - KNTT
- Giải sgk Giáo dục công dân 9 - KNTT
- Giải sgk Tin học 9 - KNTT
- Giải sgk Công nghệ 9 - KNTT
- Giải sgk Hoạt động trải nghiệm 9 - KNTT
- Giải sgk Âm nhạc 9 - KNTT
- Giải sgk Mĩ thuật 9 - KNTT
- Lớp 9 Chân trời sáng tạo
- Soạn văn 9 (hay nhất) - CTST
- Soạn văn 9 (ngắn nhất) - CTST
- Giải sgk Toán 9 - CTST
- Giải sgk Khoa học tự nhiên 9 - CTST
- Giải sgk Lịch Sử 9 - CTST
- Giải sgk Địa Lí 9 - CTST
- Giải sgk Giáo dục công dân 9 - CTST
- Giải sgk Tin học 9 - CTST
- Giải sgk Công nghệ 9 - CTST
- Giải sgk Hoạt động trải nghiệm 9 - CTST
- Giải sgk Âm nhạc 9 - CTST
- Giải sgk Mĩ thuật 9 - CTST
- Lớp 9 Cánh diều
- Soạn văn 9 Cánh diều (hay nhất)
- Soạn văn 9 Cánh diều (ngắn nhất)
- Giải sgk Toán 9 - Cánh diều
- Giải sgk Khoa học tự nhiên 9 - Cánh diều
- Giải sgk Lịch Sử 9 - Cánh diều
- Giải sgk Địa Lí 9 - Cánh diều
- Giải sgk Giáo dục công dân 9 - Cánh diều
- Giải sgk Tin học 9 - Cánh diều
- Giải sgk Công nghệ 9 - Cánh diều
- Giải sgk Hoạt động trải nghiệm 9 - Cánh diều
- Giải sgk Âm nhạc 9 - Cánh diều
- Giải sgk Mĩ thuật 9 - Cánh diều


Giải bài tập SGK & SBT
Tài liệu giáo viên
Sách
Khóa học
Thi online
Hỏi đáp

