Cách giải bài tập Công suất của Nguồn điện, Máy thu điện (hay, chi tiết)
Bài viết Cách giải bài tập Công suất của Nguồn điện, Máy thu điện với phương pháp giải chi tiết giúp học sinh ôn tập, biết cách làm bài tập Công suất của Nguồn điện, Máy thu điện.
Cách giải bài tập Công suất của Nguồn điện, Máy thu điện (hay, chi tiết)
(199k) Xem Khóa học Vật Lí 11 KNTTXem Khóa học Vật Lí 11 CDXem Khóa học Vật Lí 11 CTST
A. Phương pháp & Ví dụ
1. Công, công suất và hiệu suất của nguồn điện
– Công của nguồn điện: A = EIt.
– Công suất của nguồn điện:
– Hiệu suất của nguồn điện:
(E, r là suất điện động và điện trở trong của nguồn; R là điện trở mạch ngoài).
2. Công, công suất và hiệu suất của máy thu điện
– Công tiêu thụ của máy thu điện: A' = UIt = E'It + r'I2t.
– Công suất tiêu thụ của máy thu điện:
– Hiệu suất của máy thu điện:
(E', r' là suất phản điện và điện trở trong của máy thu; R là điện trở mạch ngoài).
Ví dụ 1: Acquy có r = 0,08Ω. Khi dòng điện qua acquy là 4A, nó cung cấp cho mạch ngoài một công suất bằng 8W. Hỏi khi dòng điện qua acquy là 6A, nó cung cấp cho mạch ngoài công suất bao nhiêu?
Hướng dẫn:
Hiệu điện thế mạch ngoài: U = E – rI.
Công suất cung cấp cho mạch ngoài: P = UI = (E – rI)I.
+ Với I = 4A ⇒ P = (E – 0,08.4).4 = 8 ⇒ E = 2,32V.
+ Với I’ = 6A ⇒ P' = (2,32 – 0,08.6).6 = 11,04W.
Vậy: Khi dòng điện qua acquy là 6A, nó cung cấp cho mạch ngoài công suất là P' = 11,04W.
Ví dụ 2: Điện trở R = 8Ω mắc vào 2 cực một acquy có điện trở trong r = 1Ω. Sau đó người ta mắc thêm điện trở R song song với điện trở cũ.
Hỏi công suất mạch ngoài tăng hay giảm bao nhiêu lần?
Hướng dẫn:
Cường độ dòng điện ban đầu trong mạch:
Công suất mạch ngoài:
Cường độ dòng điện sau khi mắc thêm R:
Công suất mạch ngoài:
Vậy công suất mạch ngoài tăng lên 1,62 lần
Ví dụ 3: Một động cơ điện mắc vào nguồn điện hiệu điện thế U không đổi. Cuộn dây của động cơ có điện trở R. Khi động cơ hoạt động, cường độ dòng điện chạy qua động cơ là I.
a) Lập biểu thức tính công suất hữu ích của động cơ và suất phản điện xuất hiện trong động cơ.
b) Tính I để công suất hữu ích đạt cực đại. Khi này, hiệu suất của động cơ là bao nhiêu?
Hướng dẫn:
a) Biểu thức tính công suất hữu ích của động cơ và suất phản điện xuất hiện trong động cơ
Công suất có ích của động cơ: P = UI – RI2.
Suất phản điện của động cơ: U = E + RI ⇒ E = U – RI.
b) Tính I để công suất hữu ích đạt cực đại
Công suất có ích:
Theo bất đẳng thức Cô-si:
Khi R = r thì công suất mạch ngoài cực đại:
Hiệu suất của động cơ:
Vậy: Để công suất hữu ích đạt cực đại thì
, lúc đó hiệu suất của động cơ là H = 50%.
Ví dụ 4: Cho sơ đồ mạch điện như hình vẽ E = 12V, r = 2Ω
a) Cho R = 10Ω. Tính công suất tỏa nhiệt trên R, công suất của nguồn; hiệu suất của nguồn.
b) Tìm R để công suất trên R là lớn nhất? Tính công suất đó ?
c) Tính R để công suất tỏa nhiệt trên R là 16 W.
Hướng dẫn:
a) Ta có:
+ Công suất tỏa nhiệt trên R:
+ Công suất của nguồn: Pnguon = E.I = 12W
+ Hiệu suất của nguồn:
b) Ta có:
+ Theo cô-si ta có:
c) Ta có:
Ví dụ 5: Có mạch điện như hình vẽ. Nguồn điện có suất điện động E = 12V, điện trở trong r = 1Ω. Điện trở R1 = 6Ω, R3 = 4Ω. Hỏi R2 bằng bao nhiêu để công suất trên R2 lớn nhất. Tính công suất này.
Hướng dẫn:
+ Ta có: UR2 = U12 = IR12
+ Lại có:
+ Theo cô-si:
+ Dấu "=" xảy ra khi:
B. Bài tập
Bài 1. Acquy (E,r) khi có dòng I1 = 15A đi qua, công suất mạch ngoài là P1 = 135W, khi I2 = 6A, P2 = 64,8W. Tìm E, r.
Lời giải:
Bài 1.
Hiệu điện thế mạch ngoài: U = E – rI.
Công suất mạch ngoài: P = UI = (E – rI).I = EI – rI2.
Ta có:
Vậy: E = 12V; r = 0,2Ω.
Bài 2.
a) Mạch kín gồm acquy E = 2,2V cung cấp điện năng cho điện trở mạch ngoài R = 0,5Ω. Hiệu suất của acquy H = 65%. Tính cường độ dòng điện trong mạch.
b) Khi điện trở mạch ngoài thay đổi từ R1 = 3Ω đến R2 = 10,5Ω thì hiệu suất của acquy tăng gấp đôi. Tính điện trở trong của acquy.
Lời giải:
Bài 2.
a) Cường độ dòng điện trong mạch
Ta có: Hiệu suất của ac quy là:
Vậy: Cường độ dòng điện trong mạch là I = 2,86A.
b) Điện trở trong của acquy
Khi R = R1 thì
Khi R = R2 thì
⇔ 21 + 7r = 42 + 4r ⇒ r = 7
Vậy: Điện trở trong của acquy là r = 7 .
Bài 3. Có mạch điện như hình vẽ. Nguồn điện có suất điện động E = 24V, điện trở trong r = 6Ω. Điện trở R1 = 4Ω. Hỏi giá trị của biến trở R có giá trị bằng bao nhiêu để:
a) Công suất mạch ngoài lớn nhất. Tính công suất của nguồn khi đó.
b) Công suất trên R lớn nhất. Tính công suất này.
Lời giải:
Bài 3.
a) Gọi RN là tổng trở mạch ngoài
+ Ta có:
+ Theo cô-si ta có:
+ Dấu "=" xảy ra khi RN = r = 6Ω ⇔ R1 + R = 6Ω ⇒ R = 2Ω
b) Ta có:
+ Theo cô-si ta có:
+ Dấu "=" xảy ra khi R = R1 + r = 10Ω
Bài 4. Có mạch điện như hình vẽ. Nguồn điện có suất điện động E = 12V và có điện trở trong r = 0,5 Ω. Các điện trở mạch ngoài R2 = 6Ω, R3 = 12Ω. Điện trở R1 có giá trị thay đổi từ 0 đến vô cùng. Điện trở ampe kế không đáng kể.
Điều chỉnh R1 = 1,5Ω. Tìm số chỉ của ampe kế và cường độ dòng điện qua các điện trở. Tính công suất tỏa nhiệt của mạch ngoài, hiệu suất của nguồn điện.
Điều chỉnh R1 có giá trị bằng bao nhiêu thì công suất trên R1 đạt giá trị cực đại, tính giá trị cực đại đó.
Lời giải:
Bài 4.
a) Khi R = 1,5Ω.
+ Ta có:
+ Điện trở tương đương của mạch: R = R1 + R23 = 1,5 + 4 = 5,5Ω
+ Dòng điện trong mạch chính:
+ Hiệu điện thế U23: U23 = I23R23 = 2.4 = 8V ⇒ U2 = U3 = U23 = 8V
+ Dòng điện qua R2:
+ Dòng điện qua R3:
+ Công suất tỏa nhiệt mạch ngoài: P = I2R = 22.5,5 = 22W
+ Hiệu suất của nguồn:
b) Ta có:
+ Theo cô-si:
Dấu "=" xảy ra khi và chỉ khi:
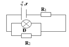
Bài 5. Cho mạch điện như hình: E = 12V, r = 1 Ω; Đèn Đ1 có ghi 6V – 3W, đèn Đ2 có ghi 3V – 6W.
a) Tính R1 và R2, biết rằng hai đèn đều sáng bình thường.
b) Tính công suất tiêu thụ trên R1 và trên R2.
Lời giải:
Bài 5.
+ Vì các đèn đều sáng bình thường nên:
+ Ta có: UAB = U1 + U2 = 9 V
+ Định luật ôm cho mạch kín:
+ Dòng điện qua R1 là: I1 = I – Iđ1 = 2,5 A
+ Dòng điện qua R2 là: I2 = I – Iđ2 = 1 A
b) Công suất tỏa nhiệt trên R1: P1 = I21R1 = 15W
+ Công suất tỏa nhiệt trên R2: P2 = I22R2 = 3W
Bài 6. Có mạch điện như hình vẽ. Nguồn điện có suất điện điện E = 24V, điện trở trong r = 1Ω. Trên các bóng đèn có ghi: Đ1 (12V- 6W), Đ2(12V – 12W), điện trở R = 3Ω.
Các bóng đèn sáng như thế nào? Tính cường độ dòng điện qua các bóng đèn.
Tính công suất tiêu thụ của mạch điện và hiệu suất của nguồn điện.
Lời giải:
Bài 6.
Điện trở của các bóng đèn:
+ Tổng trở mạch ngoài:
+ Dòng điện trong mạch chính:
+ Ta có: U1 = U2 = U12 = I.R12
+ Cường độ dòng điện qua các bóng đèn:
+ Cường độ dòng điện định mức của mỗi bóng đèn:
Vậy các đèn sáng hơn mức bình thường đèn dễ cháy
b) Công suất tiêu thụ của mạch điện là công suất tiêu thụ ở mạch ngoài nên ta có:
Pngoai = I2Rtđ = 22.11 = 44W
+ Hiệu điện thế hai đầu cực của nguồn: U = E - It = 24 - 2 = 22V
+ Hiệu suất của nguồn:
Bài 7. Nguồn E = 6V, r = 2Ω cung cấp cho điện trở mạch ngoài công suất P = 4W.
a) Tìm R.
b) Giả sử lúc đầu mạch ngoài là điện trở R1 = 0,5Ω. Mắc thêm vào mạch ngoài điện trở R2 thì công suất tiêu thụ mạch ngoài không đổi. Hỏi R2 nối tiếp hay song song R1 và có giá trị bao nhiêu?
Lời giải:
a) Tìm R
Công suất mạch ngoài: P = UI = (E – rI)I = EI – rI2
⇔ 4 = 6I – 2I2 ⇔ I2 – 3I + 2 = 0
Mặt khác: P = RI2
+ Với I = 2A
+ Với I = 1A
Vậy: R = 4Ω hoặc R = 1Ω.
b) Cách mắc R2 với R1
Công suất tiêu thụ mạch ngoài:
Gọi R3 là điện trở tương đương của R1 và R2, ta có: P1 = P3.
Vậy: Phải mắc R2 nối tiếp R1 và R2 = R3 – R1 = 8 – 0,5 = 7,5Ω.
C. Bài tập tự luyện
Bài 1: Cho mạch điện có sơ đồ như hình vẽ 1: , r = 1Ω, R1 = 0,8Ω; R2 = 2Ω; R3 = 3Ω.
Tính công suất của nguồn.
Bài 2: Cho mạch điện như hình vẽ 2: ; r = 3Ω. Điện trở mạch ngoài R1 = 3Ω; R2 = 6Ω. Đèn ghi: 12V – 8W.
Tính năng lượng mà nguồn điện cung cấp cho mạch điện trong 10s và công suất của nguồn điện.
Bài 3: Cho mạch điện như hình: ; r = 1Ω; R1 = 6,6Ω; R2 = 3Ω, đèn ghi (6V – 3W).
Tính công suất của nguồn.
Bài 4: Cho mạch điện thắp sáng như hình.
Nguồn có suất điện động 12V. Đèn loại 6V-3W. Điều chỉnh R để đèn sáng bình thường. Tính công của nguồn điện trong khoảng 1h? Tính hiệu suất của mạch chứa đèn khi sáng bình thường?
Bài 5: Nếu mắc điện trở 16 Ω với một bộ pin thì cường độ dòng điện trong mạch bằng 1 A. Nếu mắc điện trở 8 Ω vào bộ pin đó thì cường độ bằng 1,8 A. Tính suất điện động và điện trở trong của bộ pin.
Bài 6: Cho mạch điện có sơ đồ như hình vẽ, biết = 12 V, r = 1,1 Ω, R1 = 0,1 Ω.
Muốn cho công suất mạch ngoài lớn nhất, R phải có giá trị bằng bao nhiêu?
Bài 7: Điện trở của bóng đèn (1) và (2) lần lượt là 3 Ω và 12 Ω. Khi lần lượt mắc từng cái vào nguồn điện thì công suất tiêu thụ của chúng bằng nhau. Tính:
a. Điện trở trong của nguồn điện.
b. Hiệu suất của mỗi đèn.
Bài 8: Một nguồn điện có suất điện động là 6 V, điện trở trong r = 2 Ω, mạch ngoài có điện trở R.
a. Tính R để công suất tiêu thụ mạch ngoài là 4 W.
b. Với giá trị nào của R để công suất mạch ngoài có giá trị cực đại? Tính giá trị đó?
Bài 9: Cho mạch điện như hình vẽ.
R2 = R3 = R4 = 30 Ω. R1= 35 Ω, r = 5 Ω. Rv rất lớn, V chỉ 13,5 V. Tính suất điện động của nguồn?
Bài 10: Cho mạch điện như hình vẽ, 1 = 10 V, 2 = 2 V, r1 = r2 = 1 Ω. R là biến trở. Điều chỉnh R=10Ω, tìm hiệu điện thế giữa hai cực của nguồn 2. Tính nhiệt lượng toả ra trên R trong 5 phút?
(199k) Xem Khóa học Vật Lí 11 KNTTXem Khóa học Vật Lí 11 CDXem Khóa học Vật Lí 11 CTST
Xem thêm các dạng bài tập Vật Lí lớp 11 có trong đề thi THPT Quốc gia khác:
- Dạng 1: Công và công suất của dòng điện không đổi
- Trắc nghiệm Công và công suất của dòng điện không đổi
- Trắc nghiệm Công suất của Nguồn điện, Máy thu điện
- 50 bài tập trắc nghiệm Công suất của dòng điện không đổi có đáp án (phần 1)
- 50 bài tập trắc nghiệm Công suất của dòng điện không đổi có đáp án (phần 2)
Tủ sách VIETJACK shopee lớp 10-11 (cả 3 bộ sách):
Đã có app VietJack trên điện thoại, giải bài tập SGK, SBT Soạn văn, Văn mẫu, Thi online, Bài giảng....miễn phí. Tải ngay ứng dụng trên Android và iOS.
Theo dõi chúng tôi miễn phí trên mạng xã hội facebook và youtube:Nếu thấy hay, hãy động viên và chia sẻ nhé! Các bình luận không phù hợp với nội quy bình luận trang web sẽ bị cấm bình luận vĩnh viễn.
- Giải Tiếng Anh 11 Global Success
- Giải sgk Tiếng Anh 11 Smart World
- Giải sgk Tiếng Anh 11 Friends Global
- Lớp 11 - Kết nối tri thức
- Soạn văn 11 (hay nhất) - KNTT
- Soạn văn 11 (ngắn nhất) - KNTT
- Giải sgk Toán 11 - KNTT
- Giải sgk Vật Lí 11 - KNTT
- Giải sgk Hóa học 11 - KNTT
- Giải sgk Sinh học 11 - KNTT
- Giải sgk Lịch Sử 11 - KNTT
- Giải sgk Địa Lí 11 - KNTT
- Giải sgk Giáo dục KTPL 11 - KNTT
- Giải sgk Tin học 11 - KNTT
- Giải sgk Công nghệ 11 - KNTT
- Giải sgk Hoạt động trải nghiệm 11 - KNTT
- Giải sgk Giáo dục quốc phòng 11 - KNTT
- Giải sgk Âm nhạc 11 - KNTT
- Lớp 11 - Chân trời sáng tạo
- Soạn văn 11 (hay nhất) - CTST
- Soạn văn 11 (ngắn nhất) - CTST
- Giải sgk Toán 11 - CTST
- Giải sgk Vật Lí 11 - CTST
- Giải sgk Hóa học 11 - CTST
- Giải sgk Sinh học 11 - CTST
- Giải sgk Lịch Sử 11 - CTST
- Giải sgk Địa Lí 11 - CTST
- Giải sgk Giáo dục KTPL 11 - CTST
- Giải sgk Hoạt động trải nghiệm 11 - CTST
- Giải sgk Âm nhạc 11 - CTST
- Lớp 11 - Cánh diều
- Soạn văn 11 Cánh diều (hay nhất)
- Soạn văn 11 Cánh diều (ngắn nhất)
- Giải sgk Toán 11 - Cánh diều
- Giải sgk Vật Lí 11 - Cánh diều
- Giải sgk Hóa học 11 - Cánh diều
- Giải sgk Sinh học 11 - Cánh diều
- Giải sgk Lịch Sử 11 - Cánh diều
- Giải sgk Địa Lí 11 - Cánh diều
- Giải sgk Giáo dục KTPL 11 - Cánh diều
- Giải sgk Tin học 11 - Cánh diều
- Giải sgk Công nghệ 11 - Cánh diều
- Giải sgk Hoạt động trải nghiệm 11 - Cánh diều
- Giải sgk Giáo dục quốc phòng 11 - Cánh diều
- Giải sgk Âm nhạc 11 - Cánh diều


Giải bài tập SGK & SBT
Tài liệu giáo viên
Sách
Khóa học
Thi online
Hỏi đáp

