Giải mạch bằng phương pháp điện thế nút cực hay
Bài viết Giải mạch bằng phương pháp điện thế nút với phương pháp giải chi tiết giúp học sinh ôn tập, biết cách làm bài tập Giải mạch bằng phương pháp điện thế nút.
Giải mạch bằng phương pháp điện thế nút cực hay
(199k) Xem Khóa học KHTN 9 KNTTXem Khóa học KHTN 9 CDXem Khóa học KHTN 9 CTST
2. Phương pháp giải
1. Phương pháp dùng công thức định luật ôm
* Lập hệ phương trình có ẩn số là dòng điện hoặc hiệu điện thế (Chẳng hạn chọn I1 hoặc U1 làm ẩn số)
Bước 1: Chọn chiều dòng điện trên sơ đồ
Bước 2: áp dụng định luật ôm, định luật về nút, để biễu diễn các đại lượng còn lại theo ẩn số (I1) hoặc (U1) đã chọn (ta được các phương trình với ẩn số I1 hoặc U1).
Bước 3: Giải hệ các phương trình vừa lập để tìm các đại lượng của đầu bài yêu cầu.
Bước 4: Từ các kết quả vừa tìm được, kiểm tra lại chiều dòng điện đã chọn ở bước 1
+ Nếu tìm được I > 0, giữ nguyên chiều đã chọn.
+ Nếu tìm được I < 0, đảo ngược chiều đã chọn.
2. Phương pháp chọn gốc điện thế.
Bước 1: Chọn chiều dòng điện trong mạch
Bước 2: Lập phương trình về cường độ dòng điện tại các nút (Nút C và D)
Bước 3: Dùng định luật ôm, biến đổi các phương trình về VC, VD theo VA, VB
Bước 4: Chọn VB = 0 ⇒ VA = UAB
Bước 5: Giải hệ phương trình để tìm VC, VD theo VA rồi suy ra U1, U2, U3, U4, U5
Bước 6: Tính các đại lượng dòng điện rồi so sánh với chiều dòng điện đã chọn ở bước 1.
3. Phương pháp áp dụng định luật kiếc sốp.
a. Định luật về nút mạng
- Từ công thức: I = I1 + I2 + … + In (đối với mạch mắc song song), ta có thể phát biểu tổng quát:
“ Ở mỗi nút, tổng các dòng điện đi đến điểm nút bằng tổng các dòng điện đi ra khỏi nút”.
b. Trong mỗi mạch vòng hay mắt mạch.
- Công thức: U = U1 + U2 + … + Un (đối với các điện trở mắc nối tiếp) được hiểu là đúng không những đối với các điện trở mắc nối tiếp mà có thể mở rộng ra: “ Hiệu điện thế UAB giữa hai điểm A và B bằng tổng đại số tất cả các hiệu điện thế U1, U2,… của các đoạn kế tiếp nhau tính từ A đến B theo bất kỳ đường đi nào từ A đến B trong mạch điện ”
* Vậy có thể nói: “Hiệu điện thế trong mỗi mạch vòng (mắt mạng) bằng tổng đại số độ giảm thế trên mạch vòng đó”
Trong đó độ giảm thế: UK = IK.RK (với K = 1, 2, 3, …)
* Chú ý: + Dòng điện IK mang dấu (+) nếu cùng chiều đi trên mạch
+ Dòng điện IK mang dấu (–) nếu ngược chiều đi trên mạch.
* Các bước tiến hành giải
Bước 1: Chọn chiều dòng điện đi trong mạch
Bước 2: Viết tất cả các phương trình cho các nút mạng
Bước 3: Giải hệ các phương trình vừa lập để tìm các đại lượng dòng điện và hiệu điện thế trong mạch.
Bước 4: Biện luận kết quả. Nếu dòng điện tìm được là:
IK > 0: ta giữ nguyên chiều đã chọn.
IK < 0: ta đảo chiều đã chọn.
Bài tập ví dụ minh họa
Bài 1: Cho mạch điện như hình vẽ, trong đó: R1 = 5Ω; R2 = 2Ω; R3 = 10Ω; R4 = 30Ω; R5 = 5Ω; UAB = 15V.
a) Tính cường độ dòng điện qua mỗi điện trở.
b) Điện trở tương đương của đoạn mạch AB.
Lời giải:
Giả sử dòng điện chạy trong mạch có chiều như hình vẽ.
Tại nút C và D ta có: I1 = I2 + I5; I4 = I3 + I5 (1)
Theo đề ta có: UAB = VA - VB = U = 15V
Giả sử ta chọn VB = 0; suy ra: VA = U
Áp dụng công thức định luật Ôm ta có:
Thay giá trị của I1; I2; I3; I4; I5 từ hệ phương trình (2) vào hệ phương trình (1) ta được:
Từ hệ phương trình (3) ta suy ra:
9VC - 2VD = 2U; 10VD - 6VC = 3U (4)
Giải hệ phương trình (4) ta được:
Thay giá trị VC và VD vào hệ phương trình (2) ta được:
I1 = 2A; I2 = 2,5A; I3 = 0,75A; I4 = 0,25A; I5 = 0,5A
Cường độ dòng điện chạy trong mạch chính: I = I1 + I3 = 2 + 0,75 = 2,75A
Điện trở tương đương của đoạn mạch AB:
Bài 2: Cho mạch điện như hình vẽ. Biết: R1 = R3 = R4 = 2 Ω; R6 = 3,2 Ω; R2 là giá trị phần điện trở tham gia vào mạch của biến trở. Hiệu điện thế hai đầu đoạn mạch không đổi U = 60 V.
a) Điều chỉnh R2 sao cho dòng điện đi qua điện trở R5 bằng không. Tính R2 lúc đó và dòng điện qua các điện trở.
b) Khi R2 = 10 Ω, dòng điện qua R5 là 2 A. Tính R5.
Lời giải:
a) Gọi I1, I2, I3, I4, I5, I lần lượt là dòng điện qua các điện trở R1, R2, R3, R4, R5, R6.
- Khi dòng điện qua R5 là I5 = 0 thì U5 = 0. Mạch cầu cân bằng.
- Do đó:
- Điện trở tương đương của mạch điện :
- Dòng điện qua R6:
- Dòng điện qua các điện trở :
R13 = R24 ⇒ I1 = I3 = I2 = I4 = I/2 = 5,77 (A)
b) Giả sử dòng điện đi qua R5 có chiều từ C → D.
Tại nút C: I3 = I1 – I5 = I1 - 2 (1)
Tại nút D: I4 = I2 + I5 = I2 + 2 (2)
- Hiệu điện thế hai đầu đoạn mạch AB:
UAB = U1 + U3 = U2 + U4
→ R1.I1 + R3.I3 = R2.I2 + R4.I4 (3)
- Thế (1), (2) vào (3) :
UAB = 2I1 + 2(I1 - 2) = 10I2 + 2(I2 + 2) (4)
⇒ 4I1 = 12I2 + 8
⇒ I1 = 3I2 + 2 (5)
- Mặt khác: U = UAB + U6 = UAB + R6.(I1 + I2) (6)
- Thế (4), (5) vào (6) ta có: 60 = 10I2 + 2.(I2 + 2) + 3,2.(4I2 + 2)
- Thay I2 vào (5), ta có: I1 = 3.2 + 2 = 8 (A)
- Hiệu điện thế hai đầu R5 là :
U5 = UCD = -UAC + UAD = -I1R1 + I2R2 = -8.2 + 10.2 = 4 (V).
Vậy:
Bài 3: Cho mạch điện có sơ đồ như hình vẽ. Biết: U = 10V, R1 = 2Ω, R2 = 9Ω, R3 = 3Ω, R4 = 7Ω, điện trở của vôn kế là RV = 150Ω. Tìm số chỉ của vôn kế.
Lời giải:
- Ta có các phương trình:
UAB = UAC + UCD + UDB = 2I1 + 150I2 + 7(I - I1 + I2) = -5I1 + 157I2 + 7I = 10 (1)
UAB = UAC + UCB = 2I1 + 9(I1 - I2) = 11I1 - 9I2 = 10 (2)
UAB = UAD + UDB = 3(I - I1) + 7(I - I1 + I3) = -10I1 + 7I2 + 10I = 10 (3)
- Giải ba hệ phương trình trên ta có:
I1 ≈ 0,915A; I2 ≈ 0,008A; I ≈ 1,910A.
- Số chỉ của vôn kế:
Uv = I2R2 = 0,008.150 = 1,2(V)
Bài tập trắc nghiệm
Bài 1: Cho mạch điện có sơ đồ như hình vẽ. Biết: U = 12 V, R1 = 15 Ω, R2 = 10Ω, R3 = 12Ω; R4 là biến trở. Bỏ qua điện trở của ampe kế và của dây nối.
a) Điều chỉnh cho R4 = 8Ω. Tính cường độ dòng điện qua ampe kế.
b) Điều chỉnh R4 sao cho dòng điện qua ampe kế có chiều từ M đến N và có cường độ là 0,2 A. Tính giá trị của R4 tham gia vào mạch điện lúc đó.
Lời giải:
a) Do
⇒ Mạch cầu cân bằng ⇒ IA = 0
b) Tại nút M:
IA = I1 – I3 = 0,2
⇒ U12 = 8 (V) và U34 = 4 (V)
Tại nút N:
I4 = I2 + IA =
= 0,8 + 0,2 = 1 (A)
Bài 2: Một mạch điện như hình vẽ. Cho biết: U1 = 12V; R1 = 1Ω; R2 = 2 Ω.
a) Hỏi hiệu điện thế U2 phải bằng bao nhiêu để không có dòng điện qua biến trở để ở giá trị R ?
b) Giả sử thay cho U2 đã tính là một hiệu điện thế U2 = 6V. Khi đó dòng điện qua R sẽ khác 0. Hãy tính cường độ dòng điện đó và hiệu điện thế giữa hai điểm A và B.
c) Hiệu điện thế đó sẽ bằng bao nhiêu nếu dịch chuyển con chạy để R = 0 và để R là vô cùng lớn ?
Lời giải:
a)
Gọi cường độ dòng điện qua R1 là I1, qua R2 là I2, qua R là I3. Điều kiện bài toán là I3 = 0.
I1 - I2 = I3 = 0 ⇒ I1 = I2
U1 = I1R1 + I3R = I1R1 (1)
U2 = I2R2 + I3R = I2R2 = I1R2 (2)
Từ (1) và (2) ta có: U2 = U1R2/R1 = 24(V)
b)
Bây giờ cường độ dòng điện qua R1 là I1', qua R2 là I2' và qua R là I3'. Theo định luật Ohm ta có:
- Với vòng CABDC: I1'.R1 + I3'.R = I1'.R1 + I1'.R – I2'.R = U1 (1)
- Với vòng AEFBA: I2'.R2 + I3'.R = I2'.R2 + I1'.R – I2'.R = U2 (2)
Thay U1 = 12 và U2 = 6 và giải hệ phương trình (1) và (2) ta có :
c) - Khi R = 0 thì UAB = 0
Trường hợp này tương ứng với việc ta mắc vào giữa A và B một ampe kế có điện trở rất nhỏ.
- Khi R → +∞ thì UAB = 18/3 = 6 (V)
Trường hợp này tương ứng với việc ta mắc vào giữa A và B một vôn kế có điện trở vô cùng lớn.
Bài 3: Cho mạch điện như hình bên:
Trong đó: U = 12V; R1 = 6Ω; R2 = 6Ω; R3 = 12Ω; R4 = 6 Ω
a) Tính cường độ dòng điện qua mỗi điện trở và hiệu điện thế hai đầu mỗi điện trở.
b) Nối M và N bằng một vôn kế V (có điện trở rất lớn) thì vôn kế chỉ bao nhiêu cực dương của vôn kế nối với điểm nào?
c) Nối M và N bằng một Am pe kế A có điện trở không đáng kể thì ampe kế chỉ bao nhiêu?
Lời giải:
a) Cường độ dòng điện qua nhánh R1-R3 và nhánh R2-R4
Hiệu điện thế hai đầu điện trở R1: UAM = I1,2.R1 = 2/3. 6 = 4V
Hiệu điện thế hai đầu điện trở R3: UMB = I1,2. R3 = 2/3. 12 = 8V
Hiệu điện thế hai đầu điện trở R2: UAN = I2,4. R2 = 1.6 = 6V
Hiệu điện thế hai đầu điện trở R4: UNB = I2,4. R4 = 1.6 = 6V
b) Nối M và N bằng một vôn kế V có điện trở rất lớn nên dòng điện qua vôn
kế coi như không đáng kể, và dòng điện qua các điện trở như câu a)
Ta có: UAM = UAN + UNM
⇒ UNM = UAM – UAN = 4 – 6 = -2V
UNM = -2V hay UMN = 2V
Vậy vôn kế chỉ 2V và UMN = 2V > 0
Nên cực dương của vôn kế mắc vào điểm M.
(Ta có thể tính cách khác):
UMN = UMA + UAN = -UAM + UAN hoặc UMN = UMB + UBN = UMB - UNB)
c) Khi nối M và N bằng ampe kế A có điện trở rất nhỏ thì có thể chập M với N.
Ta có:
Điện trở tương đương của đoạn AM và đoạn MB:
Điện trở tương đương của đoạn AB:
RAB = R1,2 + R3,4 = 3 + 4 = 7
Cường độ dòng điện qua mạch chính:
Hiệu điện thế giữa hai điểm A và M:
UAM = I.R1,2 = 1,7.3 = 5,1V
Cường độ dòng điện chạy qua R1:
Hiệu điện thế giữa M và B: UMB = I.R3,4 = 1,7. 4 = 6,8V
Cường độ dòng điện qua R3:
Do I1 > I3 nên dòng điện đến M sẽ rẽ một phần qua ampe kế và một phần qua R3.
Ta có I1 = Ia + I3 ⇒ Ia = I1 – I3 = 0,29A
Vậy ampe kế chỉ 0,29A và chiều dòng điện qua ampe kế đi theo chiều từ M đến N.
Bài 4: Cho mạch điện như hình bên.
Trong đó: R1 = R4 = 4 Ω; R2 = 2Ω; R3 = 8Ω; R5 = 10Ω; UAB = 12V. Điện trở các dây nối và khóa K không đáng kể. Tính cường độ dòng điện qua mỗi điện trở khi:
a) K mở.
b) K đóng.
Lời giải:
a) Khi K mở:
Mạch điện bị hở ở khóa K, cường độ dòng điện qua R5 bằng 0
Cường độ dòng điện qua R1; R2; R3; R4.
b) Khi K đóng:
Theo câu a, khi K mở ta có hiệu điện thế hai đầu R1; R2 là:
UR1 = UAM = I1.R1 = 1.4 = 4V và UR2 = UAN = I2.R2 = 2.2 = 4V
Hiệu điện thế giữa hai điểm M và N: UMN = UMA + UAN = -UAM + UAN = 0
Vậy khi đóng khóa K thì cường độ dòng điện qua các điện trở không thay đổi.
Ta có thể giải theo cách khác: UMN = UMB + UBN = UMB – UNB = 0
⇒ UMB = UNB
⇒ Vậy:
Hay mạch điện trên là mạch cầu cân bằng, dòng điện không qua cầu. Trong truờng hợp này, nếu thay R5 bằng vôn kế hay ampe kế thì chúng đều chỉ giá trị 0.
Bài 5: Cho mạch điện như hình vẽ.
Trong đó: Đ1: 6V - 6W; Đ2: 12V - 6W. Khi mắc hai điểm A và B vào hiệu điện thế U0 thì các đèn sáng bình thường. Hãy xác định:
a) Hiệu điện thế định mức của các đèn Đ3; Đ4; Đ5.
b) Công suất tiêu thụ của cả mạch. Biết công suất tiêu thụ của Đ3 là 1,5W và tỉ số công suất định mức của Đ4/Đ5 là 5/3.
Lời giải:
a) Giả sử điểm A nối với cực dương, B nối với cực âm của nguồn điện nên dòng điện I1; I2; I4; I5 trên nhánh ACB và ADB có chiều từ A đến B.
Cường độ dòng điện chạy qua đèn Đ1 và Đ2 là:
Vì I1 > I2 nên dòng điện qua đèn Đ3 phải có chiều từ C đến D:
I1 = I2 + I3 ⇒ I3 = I1 – I2 = 1 – 0,5 = 0,5A
Vậy hiệu điện thế định mức của đèn Đ3 là:
Ta có: UAD = UAC + UCD ⇒ U4 = U1 + U3 = 6 + 3 = 9V
Và UDB = UAB – UAD ⇒ U5 = (U1 + U2) – U4 = (6 + 12 ) – 9 = 9V
Vì hai đèn sáng bình thường nên hiệu điện thế định mức của đèn Đ4 và Đ5 là 9V
b) Vì hai đèn có cùng hiệu điện thế định mức nên tỉ số công suất của chúng bằng tỉ số cường độ dòng điện định mức của chúng:
(Vì I5 > I4) (1)
Mặc khác ta có: I5 = I4 + I3 ⇒ I5 = I4 + 0,5 (2)
Từ (1) và (2) ta suy ra: I4 = 0,75A và I5 = 1,25A
Suy ra P4 = U4.I4 = 9.0,75 = 6,75W và P5 = U5.I5 = 11,25W.
Công suất tiêu thụ của cả mạch:
P = P1 + P2 + P3 + P4 + P5 = 6 + 6 + 1,5 + 6,75 + 11,25 = 31,5W
Bài 6: Cho mạch điện như hình vẽ R1 = 1Ω, R2 = 0,4Ω, R3 = 1Ω, R4 = 2Ω, R5 = 6 Ω. Đặt vào hai đầu A và B hiệu điện thế U = 6V. Tính cường độ dòng điện qua mỗi điện trở và điện trở tương đương của mạch.
Lời giải:
Quan sát sơ đồ mạch ta thấy R1.R5 ≠ R2.R4. Suy ra mạch không cân bằng.
Vì UAB = 6V, nên ta chọn điện thế tại A VA = 6V; điện thế tại B VB = 0. Điện thế tại C là VC; điện thế tại D là VD. Giả sử dòng điện qua R3 có chiều từ C đến D.
Ta gọi cường độ dòng điện đi qua các điện trở lần lượt là I1 đến I5.
Ta có:
Tại các nút C và D ta có:
Sử dụng các biểu thức cường độ dòng điện ở (1) thế vào (2), ta được:
Hai phương trình (*) và (**) ta được hệ.
Thay các giá trị VC và VD vào (1) ta được các giá trị cường độ dòng điện
I1 = 6 - 2,2 = 3,8 A; I2 = 5,5 A; I3 = -1,7 A; I4 = 1,05 A; I5 = 0,65A.
Vì I3 < 0 nên ta thấy chiều dòng điện ta giả sử lúc đầu sai. Thực tế dòng điện có chiều từ D đến C.
Bài 7: Cho mạch điện như hình 7:
Các điện trở R1, R2, R3, R4 và am pe kế là hữu hạn, hiệu điện thế giữa hai điểm A, B là không đổi.
a) Chứng minh rằng: Nếu dòng điện qua am pe kế IA = 0 thì
b) Cho U = 6V, R1 = 3Ω, R2 = R3 = R4 = 6Ω.
Điện trở ampe kế nhỏ không đáng kể. Xác định chiều dòng điện qua ampe kế và số chỉ của nó?
c) Thay am pe kế bằng một vôn kế có điện trở rất lớn. Hỏi vôn kế chỉ bao nhiêu? cực dương của vôn kế mắc vào điểm C hay D.
Lời giải:
Gọi dòng điện qua các điện trở R1, R2, R3, R4 và dòng điện qua R1, R2, R3, R4, am pe kế tương ứng là: I1, I2, I3, I4 và IA.
Theo bài ra IA = 0
Từ hình vẽ ta có UCD = UA = IARA = 0 → UAC = UAD hay I1R1 = I2R2 (2)
Từ (1) và (2) ta có:
Vì RA = 0 nên ta chập C với D.
Khi đó:
R1 // R2 nên
R3 // R4 nên
Hiệu điện thế trên R12:
→ cường độ dòng điện qua R1 là:
Hiệu điện thế trên R34: U34 = U - U12 = 3,6V
→ cường độ dòng điện qua R3 là:
Vì I3 < I1 dòng điện qua ampe kế có chiều từ C → D. Số chỉ của am pe kế là:
IA = I1 - I3 = 0,8 - 0,6 = 0,2A
Theo bài ra RV = ∞ nối vào C, D thay cho ampe kế khi đó:
Hiệu điện thế trên R1: U1 = I1R1 = 2/3. 3 = 2V
Hiệu điện thế trên R2: U2 = I2R2 = 0,5.6 = 3V
Ta có: U1 + UCD = U2 → UCD = U2 - U1 = 1V
Vôn kế chỉ 1V → cực dương vôn kế mắc vào C
Bài 8: Cho mạch điện như hình vẽ. Biết R1 = 10Ω; R2 = 5Ω; R3 = 12Ω; R4 = 24Ω; RV = 150Ω; UAB = 10 V. Tìm số chỉ của vôn kế.
Lời giải:
Quan sát sơ đồ mạch ta thấy R1.R4 ≠ R2.R3. Suy ra mạch không cân bằng.
Vì UAB = 10 V, nên ta chọn điện thế tại A VA = 10V; điện thế tại B VB = 0. Điện thế tại M là VM; điện thế tại N là VN. Giả sử dòng điện qua vôn kế có chiều từ M đến N.
Ta gọi cường độ dòng điện đi qua các điện trở lần lượt là I1 đến I4 và IV
Ta có:
Tại các nút M và N ta có:
I1 = IV + I3
I4 = IV + I2 (2)
Sử dụng các biểu thức cường độ dòng điện ở (1) thế vào (2), ta được:
Hai phương trình (*) và (**) ta được hệ.
Vôn kế chỉ hiệu điện thế giữa M và N.
UV = VN – VM ≈ 8 V
Vì VM < VN nên ta thấy chiều dòng điện ta giả sử lúc đầu sai. Thực tế dòng điện có chiều từ N đến M.
Vậy vôn kế chỉ 8V và cực dương cần mắc vào N.
Bài 9: Cho mạch điện như hình vẽ 9:
Biết R1 = R2 = R3 = R, đèn Đ có điện trở Rđ = kR với k là hằng số dương. Rx là một biến trở, với mọi Rx đèn luôn sáng. Nguồn điện có hiệu điện thế U không đổi đặt vào A và B. Bỏ qua điện trở các dây nối.
1. Điều chỉnh Rx để công suất tiêu thụ trên đèn bằng 9W. Tìm công suất trên R2 theo k.
2. Cho U = 16V, R = 8Ω, k = 3, xác định Rx để công suất trên Rx bằng 0,4W.
Lời giải:
1. Giả sử chiều dòng điện qua Rx có chiều từ C đến D.
Từ sơ đồ mạch điện và định luật về nút ta có:
Iđ.Rđ + (Iđ + Ix)R = (I2 + Ix)R + I2R => (k + 1)Iđ = 2I2
Kết hợp (1) và (2) ta có:
2. Khi k = 3 theo ý 1 ⇒ I2 = 2Id (3) không phụ thuộc Rx
Theo sơ đồ mạch điện như hình ta có: Uđ + U3 = U ⇒ 4Iđ = 2 - Ix (4)
U2 = Ux + U3 ⇒ I2R = IxRx + (Iđ + Ix)R (5)
Từ (3), (5) thay số ta có:
Từ (4) và (6) suy ra:
Ta lại có:
⇒ Rx2 - 20Rx + 100 = 0 ⇒ Rx = 10Ω
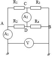
Bài 10: Trong sơ đồ mạch điện hình bên, Ampe kế A2 chỉ 2A, các điện trở R1, R2, R3, R4 có trị số khác nhau và chỉ nhận một trong 4 giá trị là 1Ω, 2Ω, 3Ω, 4Ω. Xác định trị số các điện trở đó và số chỉ của Ampe kế A1. Biết Vôn kế V chỉ 10V và số chỉ Ampe kế A1 là số nguyên, Vôn kế có điện trở rất lớn, các Ampe kế có điện trở không đáng kể.
Lời giải:
+ Gọi R1, R2, R3, R4 là trị số các điện trở tương ứng của các điện trở.
⇒ IA2 = |I3 - I1| ⇒
⇒ |R2.R3 - R1.R4| = 10 (1)
| R2(Ω) | R3(Ω) | R1(Ω) | R4(Ω) | RAB(Ω) | IA = UV/RAB |
| 3 | 4 | 2 | 1 | 2 | 5 |
| 2 | 1 | 4 | 3 | 25/12 | 4,8 |
Các trị số điện trở tương ứng trên bảng: R1 = 2(Ω); R2 = 3(Ω); R3 = 4(Ω); R4 = 1(Ω).
Bài 11: Cho mạch điện như hình vẽ. Biết hiệu điện thế giữa hai đầu đoạn mạch không đổi U = 60V, R1 = R3 = R4 = 2 Ω, R6 = 3,2 Ω, R2 là 1 biến trở.
Bỏ qua điện trở các dây nối.
a) Điều chỉnh R2 sao cho dòng điện đi qua điện trở R5 bằng 0. Tính R2 lúc đó và dòng điện qua các điện trở.
b) Khi R2 = 10Ω, dòng điện qua R5 là 2A và theo chiều từ C đến D. Tính R5?
Lời giải:
a) Gọi I1, I2, I3, I4, I5, I6 lượt là cường độ dòng điện qua các điện trở R1, R2, R3, R4, R5, R6.
Khi dòng điện qua R5 là I5 = 0: Mạch cầu cân bằng
Do đó: R1.R4 = R2.R3 ⇒ R2 = 2 Ω
Điện trở tương đương của mạch điện:
Cường độ dòng điện qua R6 là:
Cường độ dòng điện qua các điện trở là: Vì R13 = R24 nên:
b) Vì I5 = 2A suy ra mạch cầu không cân bằng.
Tại nút C: I3 = I1 – I5 = I1 – 2 (1)
Tại nút D: I4 = I2 + I5 = I2 + 2. (2)
Hiệu điện thế giữa hai đầu đoạn mạch AB:
UAB = U1 + U3 = U2 + U4
UAB = I1R1 + I3R3 = I2R2 + I4R4
UAB = 2I1 + 2(I1 – 2) = 10I2 + 2(I2 + 2) (3)
Thay (1),(2) vào (3) ⇒ 2I1 + 2(I1 – 2) = 10I2 + 2(I2 + 2) ⇔ I1 = 3I2 + 2 (4)
Ta có: U = UAB + U6 (5)
Và I6 = I1 + I2 (6)
Thay (3), (4), (6) vào (5), ta được:
60 = 10I2 + 2(I2 + 2) + 3,2(4I2 + 2)
⇒ I2 = 2A.
Từ (4) suy ra : I1 = 8A
Hiệu điện thế giữa hai đầu điện trở R5: U5 = U2 – U1 = 4V
Suy ra :
Bài tập tự luyện
Bài 1: Cho mạch điện như hình vẽ:
Hiệu điện thế giữa hai điểm B, D không đổi khi mở và đóng khoá K, vôn kế lần lượt chỉ hai giá trị U1 và U2. Biết rằng R2 = 4R1 và vôn kế có điện trở rất lớn. Tính hiệu điện thế giữa hai đầu B, D theo U1 và U2.
Bài 2:Cho mạch điện như hình vẽ.
Biết R1 = R3 = R4 = Ω; R2 = 2Ω, U = 6V
a. Khi nối giữa A và D một vôn kế thì vôn kế chỉ bao nhiêu. Biết RV rất lớn.
b. Khi nối giữa A và D 1 ampe kế thì ampe kế chỉ bao nhiêu? Biết RA rất nhỏ
Bài 3:Cho mạch điện như hình vẽ:
Biết R1 = R2 = R3 = 6Ω; R4 = 2Ω, UAB = 18V
a. Nối M và B bằng một vôn kế. Tính số chỉ của vôn kế
b. Nối M và B bằng 1 ampe kế. Tìm số chỉ của ampe kế
Bài 4: Cho mạch điện như hình vẽ:
R1 =R4 =R5 =1Ω; R2 =R3 =2Ω; U=6V. Tìm cường độ dòng điện qua các điện trở và điện trở tương đương của mạch.
Bài 5: Cho mạch điện như hình vẽ: e1 =65V, e2 =39V, r1 =r2 =0, R1 =20Ω, R2 =R3 =R4 =R5 =10Ω. Tìm tất cả các cường độ dòng điện?
Bài 6: Cho mạch điện hình vẽ:
E1 =5V; E2 =3V, r1 =r2 =0Ω, R1 =R2 =R3 =R4 =R5 =R6 =1Ω. Tính cường độ dòng điện qua các nhánh và hiệu điện thế UAB ?
Bài 7: Cho mạch điện hình vẽ: E=29V; r=1Ω; R1 =R5 =5Ω; R2 =2Ω; R3 =10Ω; R4 =30Ω; R6 =3Ω. Tính cường độ dòng điện qua các điện trở và điện trở tương đương của mạch AB?
Bài 8: Cho một mạch tụ như hình vẽ:
C1 = C2 = 6μF; C3 = 2μF; C4 = C5 = 4μF; U = 20V. Tìm điện tích từng tụ điện và điện dung của mạch.
Bài 9: Cho mạch điện như hình vẽ. Tính I?
Bài 10: Cho mạch điện như hình vẽ. Tính V1 , V2 , V3 ?
(199k) Xem Khóa học KHTN 9 KNTTXem Khóa học KHTN 9 CDXem Khóa học KHTN 9 CTST
Xem thêm các dạng bài tập Vật Lí lớp 9 có đáp án và lời giải chi tiết khác:
- Dạng 14: Cách giải Bài tập tính công suất định mức của dụng cụ điện cực hay
- Dạng 15: Phương pháp giải Bài tập tính điện năng tiêu thụ cực hay
- Dạng 16: Bài tập vận dụng định luật Jun – Lenxơ cực hay
- Dạng 17: Bài tập về tính công, công suất của nguồn điện nâng cao cực hay
- Dạng 18: Cách giải Bài tập tính số chỉ của Vôn kế, ampe kế có điện trở R cực hay
- Dạng 20: Cách giải bài tập thí nghiệm thực hành Vật Lí 9 cực hay
Xem thêm các loạt bài Để học tốt Vật Lí lớp 9 hay khác:
Tủ sách VIETJACK luyện thi vào 10 cho 2k11 (2026):
Đã có app VietJack trên điện thoại, giải bài tập SGK, SBT Soạn văn, Văn mẫu, Thi online, Bài giảng....miễn phí. Tải ngay ứng dụng trên Android và iOS.
Theo dõi chúng tôi miễn phí trên mạng xã hội facebook và youtube:Loạt bài Lý thuyết - Bài tập Vật Lý 9 có đáp án của chúng tôi được biên soạn bám sát nội dung chương trình Vật Lý lớp 9.
Nếu thấy hay, hãy động viên và chia sẻ nhé! Các bình luận không phù hợp với nội quy bình luận trang web sẽ bị cấm bình luận vĩnh viễn.
- Giải Tiếng Anh 9 Global Success
- Giải sgk Tiếng Anh 9 Smart World
- Giải sgk Tiếng Anh 9 Friends plus
- Lớp 9 Kết nối tri thức
- Soạn văn 9 (hay nhất) - KNTT
- Soạn văn 9 (ngắn nhất) - KNTT
- Giải sgk Toán 9 - KNTT
- Giải sgk Khoa học tự nhiên 9 - KNTT
- Giải sgk Lịch Sử 9 - KNTT
- Giải sgk Địa Lí 9 - KNTT
- Giải sgk Giáo dục công dân 9 - KNTT
- Giải sgk Tin học 9 - KNTT
- Giải sgk Công nghệ 9 - KNTT
- Giải sgk Hoạt động trải nghiệm 9 - KNTT
- Giải sgk Âm nhạc 9 - KNTT
- Giải sgk Mĩ thuật 9 - KNTT
- Lớp 9 Chân trời sáng tạo
- Soạn văn 9 (hay nhất) - CTST
- Soạn văn 9 (ngắn nhất) - CTST
- Giải sgk Toán 9 - CTST
- Giải sgk Khoa học tự nhiên 9 - CTST
- Giải sgk Lịch Sử 9 - CTST
- Giải sgk Địa Lí 9 - CTST
- Giải sgk Giáo dục công dân 9 - CTST
- Giải sgk Tin học 9 - CTST
- Giải sgk Công nghệ 9 - CTST
- Giải sgk Hoạt động trải nghiệm 9 - CTST
- Giải sgk Âm nhạc 9 - CTST
- Giải sgk Mĩ thuật 9 - CTST
- Lớp 9 Cánh diều
- Soạn văn 9 Cánh diều (hay nhất)
- Soạn văn 9 Cánh diều (ngắn nhất)
- Giải sgk Toán 9 - Cánh diều
- Giải sgk Khoa học tự nhiên 9 - Cánh diều
- Giải sgk Lịch Sử 9 - Cánh diều
- Giải sgk Địa Lí 9 - Cánh diều
- Giải sgk Giáo dục công dân 9 - Cánh diều
- Giải sgk Tin học 9 - Cánh diều
- Giải sgk Công nghệ 9 - Cánh diều
- Giải sgk Hoạt động trải nghiệm 9 - Cánh diều
- Giải sgk Âm nhạc 9 - Cánh diều
- Giải sgk Mĩ thuật 9 - Cánh diều


Giải bài tập SGK & SBT
Tài liệu giáo viên
Sách
Khóa học
Thi online
Hỏi đáp

