Cách giải Bài tập tính công suất định mức của dụng cụ điện cực hay
Bài viết Cách giải Bài tập tính công suất định mức của dụng cụ điện với phương pháp giải chi tiết giúp học sinh ôn tập, biết cách làm bài tập Cách giải Bài tập tính công suất định mức của dụng cụ điện.
Cách giải Bài tập tính công suất định mức của dụng cụ điện cực hay
(199k) Xem Khóa học KHTN 9 KNTTXem Khóa học KHTN 9 CDXem Khóa học KHTN 9 CTST
Phương pháp giải:
Áp dụng công thức công, công suất.
Dụng cụ hoạt động bình thường khi hiệu điện thế và cường độ dòng điện chạy qua dụng cụ đó có độ lớn bằng giá trị định mức của dụng cụ đó.
Bài tập ví dụ minh họa
Bài 1: Một bóng đèn có hiệu điện thế định mức 2,5V và cường độ dòng điện định mức 0,4A được mắc với một biến trở con chạy để sử dụng với nguồn điện có hiệu điện thế không đổi 12V.
a) Đèn và biến trở phải mắc với nhau như thế nào để đèn có thể sáng bình thường? Vẽ sơ đồ mạch điện này.
b) Để đèn sáng bình thường thì phải điều chỉnh biến trở có điện trở là bao nhiêu?
c) Nếu biến trở có điện trở lớn nhất là 40Ω thì khi đèn sáng bình thường dòng điện chạy qua bao nhiêu phần trăm (%) tổng số vòng dây của biến trở?
Đáp án:
a) Mắc nối tiếp đèn với biến trở
b) R = 23,75 Ω
c) 59,375 %
Lời giải:
a) Vì đèn sử dụng hiệu điện thế 2,5 V nên cần mắc nối tiếp với biến trở và nguồn điện 12 V mới hoạt động bình thường được.
Sơ đồ:
b) Đèn sáng bình thường nên ID = I = 0,4 A; UD = 2,5 V
nên UR = U – UD = 12 – 2,5 = 9,5 (V)
Điện trở của biến trở khi đó là:
c) Dòng điện chạy qua số phần trăm (%) tổng số vòng dây của biến trở là:
Bài 2: Mạch điện có sơ đồ như hình vẽ. Trong đó R1 = 12, R2 = R3 = 6 Ω; UAB = 12v; RA ≈; Rv rất lớn.
a) Tính số chỉ của ampe kế, vôn kế và công suất thiêu thụ điện của đoạn mạch AB.
b) Đổi am pe kế, vôn kế cho nhau thì am pe kế và vôn kế chỉ giá trị bao nhiêu. Tính công suất của đoạn mạch điện khi đó.
Lời giải:
a) (R1 // R2) nt R3
⇒ R = R12 + R3 =
Cường độ dòng toàn mạch
Tính U3 = I.R3 = 7,2 V ⇒ vôn kế chỉ 7,2 V
U1,2 = I.R1,2 = 1,2. 4 = 4,8 V
⇒ Ampe kế chỉ IA = 0,8 A
Công suất của đoạn mạch AB: P = UI = 14,4 W
b) Sơ đồ mạch: (R1 nt R3) // R2
+ U3 = I3. R3 = 4 V ⇒ vôn kế chỉ 4 V
+ Công suất của đoạn mạch khi đó là:
Bài 3: Cho mạch điện như hình vẽ, hiệu điện thế đặt vào mạch U = 6 V không đổi. R1 = 2 Ω; R2 = 3 Ω; Rx = 12 Ω. Đèn Đ ghi 3V -3 W coi điện trở của đèn không đổi. Điện trở của ampekế và dây nối không đáng kể.
1. Khi khóa K mở:
a) RAC = 2. Tính công suất tiêu thụ của đèn.
b) Tính RAC để đèn sáng bình thường.
2. Khi khóa K đóng công suất tiêu thụ ở R2 là 0,75W
a) Xác định vị trí con chạy C để đèn sáng bình thường.
b) Xác định số chỉ của ampe kế khi đó.
Đáp án:
1. a) PD = 2,8 W; b) RAC = 3 Ω;
2. a) RAC = 6Ω; b) IA = 1.25 (A)
Lời giải:
1. a. Khi K mở: Ta có sơ đồ mạch điện: R1 nt [RD // (R2 nt RAC)]
Điện trở của đèn là:
Từ công thức:
Điện trở của mạch điện khi đó là:
Khi đó cường độ trong mạch chính là:
Từ sơ đồ mạch điện ta thấy:
Ta có: U = U1 + U'D
⇒ U'D = U – U1
Khi đó công suất của đèn Đ là:
b) Đèn sáng bình thường, nên UĐ = 3 (V).
Vậy hiệu điện thế ở hai đầu điện trở là:
Từ U = U1 + UĐ ⇒ U1 = U – UĐ = 6 – 3 = 3 (V).
Cường độ dòng điện trong mạch chính là:
Cường độ dòng điện qua đèn là:
Khi đó cường độ dòng điện qua điện trở R2 là:
I2 = I – IĐ = 1,5 – 1 = 0,5 (A)
Hiệu điện thế ở hai đầu điện trở R2 là: U2 = I2.R2 = 0,5.3 = 1,5 (V)
RAC là:
2. Khi K đóng. Mạch trở thành: R1 nt {RD // [R2 nt (RAC // RCB)]}
Gọi RAC = x thì RCB = 12 –x
Công suất trên R2 = 0,75 W nên:
Hiệu điện thế ở hai đầu điện trở R2 là: U2 = I2.R2 = 0,5.3 = 1,5 (V)
Ta có UĐ = 3V = U2ACB
Suy ra UACB = UAC = UCB = U2ACB – U2 = 3 – 1,5 = 1,5 (V)
Ta có:
Mà RAC + RCB = 12 Ω
Giải ra ta được: RAC = 6 Ω, con chạy C ở chính giữa biến trở.
Vậy
Cường độ dòng điện qua đèn là ID = 1 A.
Am pe kế có số chỉ là IA = ID + IAC = 1 + 0,25 = 1,25 A
Bài tập trắc nghiệm
Bài 1: Cho mạch điện như hình vẽ:
R1 = 6Ω, U = 15V. Bóng đèn có điện trở R2 = 12Ω và hiệu điện thế định mức là 6V
a) Hỏi giá trị R0 của biến trở tham gia vào mạch điện phải bằng bao nhiêu để đèn sáng bình thường?
b) Khi đèn sáng bình thường nếu dịch chuyển con chạy về phía phải thì độ sáng của đèn thay đổi ra sao?
Lời giải:
a)
Khi đèn sáng bình thường Uđ = U12 đạt giá trị định mức, ta có U12 = 6(A)
Ta có:
Từ đó:
Mà R0 = RTM – R12 = 10 – 4 = 6 Ω.
b) Khi dịch chuyển con chạy về phía phải thì R0 tăng
⇒ RTM tăng. UM không đổi
giảm.
Mà Uđ = U12 = IC.R12 giảm. Vậy đèn sáng yếu hơn bình thường.
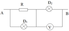
Bài 2: Cho các dụng cụ sau: một nguồn điện có hiệu điện thế không đổi U = 12 V hai bóng đèn Đ1 (6 V - 0,4 A); Đ2 (6V - 0,1A) và một biến trở Rb.
a) Có thể mắc chúng thành mạch như thế nào để hai đèn đều sáng bình thường vẽ sơ đồ mạch và tính điện trở của biến trở tương ứng với mỗi cách mắc đó.
b) Tính công suất tiêu thụ của biến trở ứng với mỗi sơ đồ. Từ đó suy ra dùng sơ đồ nào có lợi hơn.
Lời giải:
a) có thể mắc theo 2 sơ đồ
+ Sơ đồ 1:
Để
⇒ R2Rx = R1 = 15
⇒ Rx = 20 Ω
Công suất của biến trở là:
* Sơ đồ 2:
U12 = 6 V ⇒ Ux' = 6 V
Ix' = I1 + I2 = 0,4 + 0,1 = 0,5 A
Công suất tiêu thụ trên biến trở:
b. So sánh Px và P'x ở hai sơ đồ
P'x > Px (3 W > 1,8 W) nên ta chọn sơ đồ 1 (vì công xuất toả nhiệt trên Rx là vô ích).
Bài 3: Cho mạch điện như hình vẽ. Hiệu điện thế U = 18V; R0 = 0,4 Ω; Đ1, Đ2 là hai bóng đèn giống nhau trên mỗi bóng ghi 12V - 6W. Rx là một biến trở.
Vôn kế có điện trở vô cùng lớn. RA ≈ 0, Rdây ≈ 0.
1. Tính điện trở tương đương của đoạn mạch hai bóng đèn Đ1, Đ2.
2. Nếu Ampe kế chỉ 1A thì vôn kế chỉ bao nhiêu? Khi đó, để các đèn sáng bình thường thì phải để biến trở Rx có giá trị nào?
3. Khi dịch chuyển con chạy Rx sang phía a thì độ sáng của bóng đèn thay đổi như thế nào? Tại sao?
Lời giải:
Sơ đồ mạch: Rx nt (Đ1 // Đ2) nt R0. 1. Điện trở mỗi bóng đèn ADCT:
2. Vôn kế chỉ UAB: UAB = U - I.R0 = 17,6 V
Hiệu điện thế trên 2 cực mỗi bóng đèn Uđ = I.R12 = 12V = Uđm
Ux = UAB - Uđ = 5,6 V
Vậy phải để biến trở Rx ở giá trị:
3. Khi di chuyển con chạy sang phía a, Rx tăng dần và Rmạch tăng dần ⇒ I, Iđ giảm dần. Các đèn Đ1, Đ2 tối đi.
Bài 4: Cho sơ đồ (hình vẽ 3). R = 4 Ω; R1 là đèn 6V – 3W; R2 là biến trở; UMN không đổi bằng 10V.
a) Xác định R2 để đèn sáng bình thường.
b) Khi R2 thay đổi thì độ sáng của đèn thay đổi như thế nào?
Lời giải:
a) Khi đèn sáng bình thường thì: UR2 = UĐ = 6 V;
UR = UMN – UĐ = 10 – 6 = 4 (V)
Cường độ dòng điện trong mạch chính là:
Suy ra: I2 = I – ID = 1 - 0,5 = 0,5 (A).
b) Mạch: R nt (Đ // R2)
Điện trở của đèn là:
Điện trở tương đương của mạch là:
Cường độ dòng điện trong mạch chính là:
Cường độ dòng điện đi qua bóng đèn là:
Dễ thấy khi R2 tăng thì mẫu số nhỏ đi, tức là ID' tăng, độ sáng của đèn tăng.
Bài 5: Có 3 điện trở: R1 ghi (30Ω - 15A), R2 ghi (10Ω - 5A), R3 ghi (20Ω - 20A), trong đó giá trị sau là cường độ dòng điện cao nhất mà các điện trở có thể chịu được.
a) Mắc 3 điện trở trên theo yêu cầu R1 // (R2 nt R3). Xác định hiệu điện thế lớn nhất mà cụm điện trở này không bị cháy.
b) Sử dụng cụm điện trở trên (câu a) mắc nối tiếp với cụm bóng đèn loại 30V - 40W rồi mắc tất cả vào nguồn điện có hiệu điện thế U = 220V. Tìm cách mắc để các bóng đèn sáng bình thường mà cụm điện trở không bị cháy.
Lời giải:
a) Mắc R1 // (R2 nt R3):
Hiệu điện thế lớn nhất mà R1 chịu được là U1 = 15.30 = 450 (V)
Hiệu điện thế lớn nhất mà (R2 nt R3) chịu được là U23 = (10 + 20).5 = 150 (V)
Vì R1 // (R2 nt R3) nên hiệu điện thế lớn nhất là U = 150V
Cụm điện trở R1 // (R2 nt R3) có điện trở tương đương
Để cụm điện trở không bị cháy thì hiệu điện thế đặt vào cụm phải thoả mãn: UR ≤ 150 V
Theo bài ra dòng điện định mức mỗi đèn:
Giả sử các bóng đèn được mắc thành một cụm có m dãy song song, mỗi dãy có n bóng nối tiếp.
Ta có: UR + n.UĐ = 220 (V)
⇒ 15. 4m/3 + 30n = 220 ⇒ 2m + 3n = 22 (*)
Với: m, n (nguyên dương) ≤ 7 (**)
Từ (*) và (**) giải ra ta được:
+ m = 2; n = 6 (2 dãy // mỗi dãy 6 bóng nối tiếp)
+ m = 5; n = 4 (5 dãy // mỗi dãy 4 bóng nối tiếp)
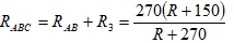
Bài 6: Cho mạch điện có sơ đồ như hình 1.
Trong đó: UAB = 12V, R1 = 12Ω. Biết ampekế (RA = 0) chỉ 1,5A. Nếu thay ampekế bằng vôn kế (RV = ∞) thì vôn kế chỉ 7,2 V.
a) Tính các điện trở R2 và R3.
b) So sánh công suất tiêu thụ của đoạn mạch AB trong 2 trường hợp.
(trường hợp như hình vẽ và trường hợp thay ampe kế bằng vôn kế).
Lời giải:
a) Mạch ban đầu có dạng: R1 // R2. Điện trở R3 bị Ampe kế nối tắt.
Mà:
⇒ R2 = 24Ω
Khi thay ampe kế bằng vôn kế thì mạch có dạng: (R1 // R2) nt R3.
U12 = UAB - UV = 12 - 7,2 = 4,8 V
Vậy
b) Công suất tiêu thụ của mạch ban đầu là P = I2.R = 1,52.8 = 18W
Khi thay ampe kế bằng vôn kế thì R' = R12 + R3 = 8 + 12 = 20 Ω.
Công suất tiêu thụ của mạch khi đó là P' = I'2.R' = 0,62.20 = 7,2W
Nên P = 2,5P'.
Bài 7: Cho mạch điện như hình vẽ 2, trong đó Đ1 và Đ4 là 2 bóng đèn loại 6V - 9W; Đ2 và Đ3 là 2 bóng đèn loại 6V - 4W. Hiệu điện thế giữa 2 điểm A, B là U = 12V.
a) Tính công suất tiêu thụ của mỗi đèn và cho biết chúng sáng như thế nào, trong hai trường hợp là: K mở và K đóng.
b) Khi đóng khóa K, dòng điện qua khóa K có độ lớn bao nhiêu và có chiều như thế nào?
Lời giải:
a) R1 = R4 = U12 : P1 = 62 : 9 = 4Ω;
R2 = R3 = U22 : P2 = 62 : 4 = 9Ω.
* Khi K mở, sơ đồ mạch là: (Đ1 nt Đ2) // (Đ3 nt Đ4)
R12 = R34 = 4 + 9 = 13
P1 = P4 =
⇒ Đ1 và Đ4 tối hơn mức bình thường
P2 = P3 =
⇒ Đ2 và Đ3 sáng hơn mức bình thường
* Khi K đóng, sơ đồ mạch: (Đ1 // Đ3) nt (Đ2 // Đ4)
R13 = R24 ⇒ U13 = U24 = 12:2 = 6V = UĐM
Nên các đèn đều sáng bình thường.
b) Khi K đóng:
Sơ đồ mạch: (Đ1 // Đ3) nt (Đ2 // Đ4)
Vì I1 > I2 nên tại C, I1 = I2 + IK
Vậy dòng điện đi từ C → D qua khóa K như hình vẽ
Bài 8: Cho sơ đồ mạch điện như hình vẽ.
Đ1(6V - 12W), R = 6Ω. Khi mắc vào nguồn điện thì Đ1, Đ2 sáng bình thường và vôn kế chỉ 12V.
a) Tính hiệu điện thế của nguồn.
b) Tính dòng điện chạy qua R, Đ1, Đ2.
c) Tính công suất của Đ2.
d) Tính công tiêu thụ trên toàn mạch.
Lời giải:
a) UAB = UAC + UCB
Đ1 sáng bình thường ⇒ UAC = 6V; UCB = 12V
Hiệu điện thế UAB = 6 + 12 = 18(V)
b) Dòng điện qua R1
Đèn sáng bình thường nên:
Dòng điện chạy qua Đ2 là IĐ2 = IR + IĐ1 = 2 + 1 = 3(A)
c) PĐ2 = UĐ2.IĐ2 = 12.3 = 36(W)
d) PTM = UAB.ITM = 18.3 = 54(W)
Bài 9: Đoạn mạch AB gồm 6 bóng đèn giống nhau loại 75W - 220V được mắc như hình vẽ.
a. Xếp thứ tự các bóng đèn từ sáng nhất đến tối nhất khi mắc đoạn mạch trên vào mạng điện có hiệu điện thế U (0 < U < 220).
b. Mắc đoạn mạch AB vào mạng điện có hiệu điện thế 110V. Trong 24 giờ phải trả bao nhiêu tiền điện? Biết giá điện là 1000 đồng/kW.h
Lời giải:
Gọi U, R lần lượt là hiệu điện thế hai đầu A,B và điện trở của mỗi bóng đèn.
Tính được:
Từ P = UI = I2R. Do các bóng có điện trở bằng nhau nên bóng có cường độ dòng điện đi qua lớn hơn là bóng sáng hơn do có công suất lớn hơn).
Xếp được I6 > I1 > I4 = I5 > I2 = I3 nên các bóng được sắp theo thứ tự từ sáng đến tối là: Đ6 > Đ1 > Đ4 = Đ5 > Đ2 = Đ3
Tính được:
Tương tự:
Công suất của toàn mạch:
Tính được điện trở của mỗi bóng đèn:
Thay số được:
Điện năng tiêu thụ trong 24 giờ:
⇒ Số tiền: 975 đồng.
Bài 10: Cho mạch điện như hình bên. Hiệu điện thế U không đổi và U = 54V. Các điện trở R1 = R3 = 90 Ω, R2 = 180 Ω. Khi đóng và mở khoá K thì đèn Đ đều sáng bình thường. Hãy tính điện trở và hiệu điện thế định mức của đèn Đ. Giả thiết điện trở của dây nối và khoá K nhỏ không đáng kể.
Lời giải:
Vì đèn sáng bình thường tức là hiệu điện thế thực tế trên đèn khi đóng và mở khoá K bằng hiệu điện thế định mức của đèn.
Gọi điện trở đèn là R Khi đóng khoá K, D và C bị nối tắt, ta có sơ đồ:
Ta có: RABC = R2 + RBC
Hiệu điện thế trên đèn Đ:
Khi mở khoá K, ta có sơ đồ mạch điện:
Từ (1) và (2) ta có:
Thay vào (2) ta được Ud = 6V.
(199k) Xem Khóa học KHTN 9 KNTTXem Khóa học KHTN 9 CDXem Khóa học KHTN 9 CTST
Xem thêm các dạng bài tập Vật Lí lớp 9 có đáp án và lời giải chi tiết khác:
- Dạng 7: Cách giải Bài tập Định luật Ôm cho đoạn mạch nối tiếp, song song cực hay
- Dạng 8: Cách giải Bài tập Định luật Ôm cho đoạn mạch hỗn hợp cực hay
- Dạng 9: Cách giải Bài tập Định luật Ôm cho mạch cầu cực hay
- Dạng 10: Cách giải Bài tập về mạch điện có biến trở cực hay
- Dạng 11: Cách giải Bài tập về mạch điện có biến trở nâng cao cực hay
- Dạng 12: Phương pháp giải Bài tập về mạch điện có biến trở khó cực hay
- Dạng 13: Cách giải Bài tập tính công, công suất của nguồn điện cực hay
- Dạng 15: Phương pháp giải Bài tập tính điện năng tiêu thụ cực hay
Xem thêm các loạt bài Để học tốt Vật Lí lớp 9 hay khác:
Tủ sách VIETJACK luyện thi vào 10 cho 2k11 (2026):
Đã có app VietJack trên điện thoại, giải bài tập SGK, SBT Soạn văn, Văn mẫu, Thi online, Bài giảng....miễn phí. Tải ngay ứng dụng trên Android và iOS.
Theo dõi chúng tôi miễn phí trên mạng xã hội facebook và youtube:Loạt bài Lý thuyết - Bài tập Vật Lý 9 có đáp án của chúng tôi được biên soạn bám sát nội dung chương trình Vật Lý lớp 9.
Nếu thấy hay, hãy động viên và chia sẻ nhé! Các bình luận không phù hợp với nội quy bình luận trang web sẽ bị cấm bình luận vĩnh viễn.
- Giải Tiếng Anh 9 Global Success
- Giải sgk Tiếng Anh 9 Smart World
- Giải sgk Tiếng Anh 9 Friends plus
- Lớp 9 Kết nối tri thức
- Soạn văn 9 (hay nhất) - KNTT
- Soạn văn 9 (ngắn nhất) - KNTT
- Giải sgk Toán 9 - KNTT
- Giải sgk Khoa học tự nhiên 9 - KNTT
- Giải sgk Lịch Sử 9 - KNTT
- Giải sgk Địa Lí 9 - KNTT
- Giải sgk Giáo dục công dân 9 - KNTT
- Giải sgk Tin học 9 - KNTT
- Giải sgk Công nghệ 9 - KNTT
- Giải sgk Hoạt động trải nghiệm 9 - KNTT
- Giải sgk Âm nhạc 9 - KNTT
- Giải sgk Mĩ thuật 9 - KNTT
- Lớp 9 Chân trời sáng tạo
- Soạn văn 9 (hay nhất) - CTST
- Soạn văn 9 (ngắn nhất) - CTST
- Giải sgk Toán 9 - CTST
- Giải sgk Khoa học tự nhiên 9 - CTST
- Giải sgk Lịch Sử 9 - CTST
- Giải sgk Địa Lí 9 - CTST
- Giải sgk Giáo dục công dân 9 - CTST
- Giải sgk Tin học 9 - CTST
- Giải sgk Công nghệ 9 - CTST
- Giải sgk Hoạt động trải nghiệm 9 - CTST
- Giải sgk Âm nhạc 9 - CTST
- Giải sgk Mĩ thuật 9 - CTST
- Lớp 9 Cánh diều
- Soạn văn 9 Cánh diều (hay nhất)
- Soạn văn 9 Cánh diều (ngắn nhất)
- Giải sgk Toán 9 - Cánh diều
- Giải sgk Khoa học tự nhiên 9 - Cánh diều
- Giải sgk Lịch Sử 9 - Cánh diều
- Giải sgk Địa Lí 9 - Cánh diều
- Giải sgk Giáo dục công dân 9 - Cánh diều
- Giải sgk Tin học 9 - Cánh diều
- Giải sgk Công nghệ 9 - Cánh diều
- Giải sgk Hoạt động trải nghiệm 9 - Cánh diều
- Giải sgk Âm nhạc 9 - Cánh diều
- Giải sgk Mĩ thuật 9 - Cánh diều


Giải bài tập SGK & SBT
Tài liệu giáo viên
Sách
Khóa học
Thi online
Hỏi đáp

