Cách giải Bài tập Định luật Ôm cho đoạn mạch hỗn hợp cực hay
Bài viết Cách giải Bài tập Định luật Ôm cho đoạn mạch hỗn hợp với phương pháp giải chi tiết giúp học sinh ôn tập, biết cách làm bài tập Cách giải Bài tập Định luật Ôm cho đoạn mạch hỗn hợp.
Cách giải Bài tập Định luật Ôm cho đoạn mạch hỗn hợp cực hay
(199k) Xem Khóa học KHTN 9 KNTTXem Khóa học KHTN 9 CDXem Khóa học KHTN 9 CTST
Phương pháp giải:
+ Tính điện trở tương đương
+ Áp dụng định luật Ôm tính cường độ và hiệu điện thế
Bài tập ví dụ minh họa
Bài 1: Cho mạch điện có sơ đồ như hình vẽ Cho biết: R1 = 3Ω, R2 = 6Ω, R3 = 6Ω, UAB = 3V. Tìm:
a) Điện trở tương đương của đoạn mạch AC.
b) Cường độ dòng điện qua R3.
c) Hiệu điện thế giữa hai điếm A và C.
d) Cường độ dòng điện qua R1 và R2.
Đáp án:
a) 8Ω
b) I = 1,5A
c) UAC = 12V
d) I1 = 1A; I2 = 0,5A.
Lời giải:
Viết sơ đồ mạch điện (R1 // R2) nt R3.
a) Điện trở tương đương của mạch
b) Vì đoạn mạch AB nối tiếp với đoạn mạch BC nên IAB = IBC = IAC
Áp dụng định luật Ôm cho đoạn mạch AB ta có
Vậy IAB = IBC = IAC → I3 = I12 = I = 1,5A
c) Hiệu điện thế hai đầu BC là UBC = IBC.R3 = 1,5.6 = 9V
Hiệu điện thế hai đầu AC là UAC = UAB + UBC = 3 + 9 = 12 V
d) Vì R1 // R2 nên ta có U1 = U2 = UAB = 3V
Áp dụng định luật Ôm cho mỗi mạch nhánh, ta có
Bài 2: Cho mạch điện như hình vẽ. Biết R1 = 4 Ω; R2 = 6 Ω; R3 = 10 Ω. Đặt vào hai đầu AB một hiệu điện thế U = 10 V. Hãy xác định:
a) Điện trở tương đương của mạch
b) Cường độ dòng điện qua mỗi điện trở và trong mạch chính
c) Hiệu điện thế hai đầu mỗi điện trở.
Đáp án:
a) Rtd = 5 Ω
b) I1 = I2 = 1A; I3 = 1A; I = 2A.
c) U1 = 4V; U2 = 6 V; U3 = 10 V
Lời giải:
Sơ đồ mạch điện (R1 nt R2) // R3
a) Điện trở tương đương của mạch điện
b) Cường độ dòng điện qua R1 và R2 là:
Cường độ dòng điện qua R3 là:
Cường độ dòng điện trong mạch chính là
I = I12 + I3 = 1 + 1 = 2A
c) Hiệu điện thế hai đầu R1 là: U1 = I12.R1 = 1.4 = 4 V
Hiệu điện thế hai đầu R2 là: U2 = I12.R2 = 1.6 = 6 V
Hiệu điện thế hai đầu R3 là: U3 = U = 10 V.
Bài 3: Cho mạch điện như hình vẽ: R1 = R3 = 3Ω, R2 = 2Ω, R4 = 1Ω, R5 = 4Ω. Cường độ dòng điện qua mạch chính là 3A. Tìm
a. UAB
b. Hiệu điến thế hai đầu mỗi điện trở.
Đáp án:
a) UAB = 18 V
b) U5 = 12 V; U4 = 2V; U3 = 3V; U2 = 4V; U1 = 3 V.
Lời giải:
Viết sơ đồ mạch: R5 nt [(R1 nt R3) // (R2 nt R4)]
a) Điện trở tương đương
Hiệu điện thế hai đầu mạch UAB = I.Rtd = 3.6 = 18 V
b) U5 = I.R5 = 3.4 = 12V
U13 = U24 = U – U5 = 6V
⇒ U1 = I13.R1 = 1.3 = 3V; U3 = U13 - U1 = 3V
⇒ U2 = I24.R2 = 2.2 = 4V; U2 = U24 - U2 = 2V
Bài tập trắc nghiệm
Bài 1: Cho mạch điện như hình 5. Trong đó: R1 = 10Ω; R2 = 3Ω; R3 = R4 = 6Ω; R5 = 4Ω. Cường độ dòng điện chạy trong mạch chính là 6A. Tính cường độ dòng điện qua mỗi điện trở.
Tóm tắt
R1 = 10Ω; R2 = 3Ω; R3= R4 = 6Ω; R5 = 4Ω. I = 6A. Tìm cường độ dòng điện qua mỗi điện trở.
Lời giải:
Điện trở của nhánh gồm R1, R2, R3
Điện trở tương đương của đoạn mạch AB là:
⇒ RAB = 2Ω.
Hiệu điện thế 2 đầu đoạn AB: UAB = I.RAB = 6.2 = 12V
Cường độ dòng điện qua điện trở R1 là:
Vì đoạn CD mắc nối tiếp R1 nên ICD = I1
Hiệu điện thế 2 đầu đoạn CD: UCD = ICD. R23 = 1.2 = 2V
Cường độ dòng điện qua R2:
Cường độ dòng điện qua R3:
Cường độ dòng điện qua R4:
Cường độ dòng điện qua R5:
Đáp án: I1 = 1A; I2 = 2A/3; I4 = 2A; I5 = 3A
Bài 2: Cho mạch điện như hình vẽ. Biết: UAB = 6V không đổi, R1 = 8Ω, R2 = R3 = 4Ω; R4 = 6Ω. Bỏ qua điện trở của ampe kế, của khóa K và của dây dẫn. Tính điện trở tương đương của đoạn mạch AB và tính số chỉ của ampe kế trong hai trường hợp
a) K đóng.
b) K mở.
Tóm tắt
UAB = 6V không đổi, R1 = 8Ω; R2 = R3 = 4Ω; R4 = 6Ω. Tính Rtd và tính số chỉ của ampe kế trong hai trường hợp
a) K mở.
b) K đóng
Lời giải:
a) Khi K mở: Mạch được vẽ lại như hình bên.
b) Khi K đóng: Mạch được vẽ lại như hình bên.
Đáp án: a) IA = 0,75 A; b) IA = 0,375 A
Bài 3: Cho mạch điện như hình vẽ, trong đó R1 = 5 Ω, R2 = 12 Ω, R3 = 8 Ω, R4 = 20 Ω. hiệu điện thế là 30V.
a) Tính điện trở tương đương của toàn mạch
b) Tìm cường độ dòng điện qua mỗi điện trở
c) Tính hiệu thế hai đầu các điện trở
Tóm tắt
R1 = 5 Ω, R2 = 12 Ω, R3 = 8 Ω, R4 = 20 Ω; hiệu điện thế là 30V.
a) Tính điện trở tương đương của toàn mạch
b) Tìm cường độ dòng điện qua mỗi điện trở
c) Tính hiệu thế hai đầu các điện trở
Lời giải:
Viết sơ đồ mạch: R1 nt [(R2 nt R3) // R4]
a) Điện trở tương đương cụm R234 là:
Điện trở tương đương của đoạn mạch AB là
Rtd = R1 + R234 = 5 + 10 = 15 Ω
b) Cường độ dòng điện qua mạch chính là:
Cường độ dòng điện qua điện trở R1: I1 = I = 2A.
Cường độ dòng điện qua R2 và R3 là: I23 = I2 = I3.
Cường độ dòng điện qua R4 là I4.
Ta có U23 = U4.
Suy ra
Mặt khác I23 + I4 = I1 = 2A. Nên I23 = I4 = 1A.
c) Hiệu điện thế hai đầu R1 là: U1 = I1.R1 = 2.5 = 10 V
Hiệu điện thế hai đầu R2 là: U2 = I2.R2 = 1.12 = 12 V
Hiệu điện thế hai đầu R3 là: U3 = I3.R3 = 1.8 = 8 V
Hiệu điện thế hai đầu R4 là: U4 = I4.R4 = 20 V
Đáp án:
a) Rtd = 15Ω;
b) I = I1 = 2A; I2 = I3 = I4 = 1A;
c) U1 = 10V; U2 = 12V; U3 = 8V; U4 = 20 V.
Bài 4: Cho mạch điện như hình vẽ: UAB = 12 V; R1 = 4 Ω; R2 = R3 = R4 = 4 Ω;
a) Tìm điện trở tương đương RAB của mạch.
b) Tìm cường độ dòng điện qua các điện trở và hiệu điện thế trên mỗi điện trở
Tóm tắt
UAB = 12 V; R1 = 4 Ω; R2 = R3 = R4 = 3 Ω;
a) Tìm RAB.
b) Tìm cường độ dòng điện qua các điện trở và hiệu điện thế trên mỗi điện trở
Lời giải:
Viết sơ đồ mạch: R1 nt [(R2 nt R4) // R3]
Điện trở tương đương cụm R234 là:
Điện trở tương đương RAB = R1 + R234 = 4 + 2 = 6 Ω.
Cường độ dòng điện qua mạch chính I = I1.
Hiệu điện thế hai đầu R1 là U1 = I.R1 = 2. 4 = 8 V
Hiệu điện thế hai đầu R3 và hai đầu R24 là: U3 = U24 = U – U1 = 12 – 8 = 4V
Cường độ dòng điện qua R3 là:
Cường độ dòng điện qua R2 và R4 là:
Hiệu điện thế hai đầu R2 và R4 là: U2 = U4 = I2.R2 = 2V
Đáp án:
a) RAB = 6Ω; b) I1 = 2A; I2 = I4 = 2/3 A; I3 = 4/3 A.
b) U1 = 8V; U2 = U4 = 2V; U3 = 4V.
Bài 5: Cho mạch điện như hình vẽ. Trong đó R1 = R2 = 4 Ω; R3 = 6 Ω; R4 = 3Ω; R5 = 10 Ω; UAB = 24 V. Tính điện trở tương đương của đoạn mạch AB và cường độ dòng điện qua từng điện trở.
Tóm tắt
R1 = R2 = 4 Ω; R3 = 6 Ω; R4 = 3Ω; R5 = 10 Ω; UAB = 24 V. Tính RAB và cường độ dòng điện qua từng điện trở.
Lời giải:
Viết sơ đồ mạch: R1 nt [(R2 nt R3) // R5] nt R4
Điện trở tương đương cụm R235 là:
Điện trở tương đương RAB = R1 + R235 + R4 = 4 + 5 + 3 = 12 Ω
Cường độ dòng điện qua mạch chính I = I1 = I4
Ta có:
Vì U23 = U5 nên ta có:
Mà I23 + I5 = I = 2A
Nên ta có I23 = I5 = 1A
Vì R2 và R3 nối tiếp nên I2 = I3 = 1A.
Đáp án: RAB = 12 Ω; I = I1 = I4 = 2A; I2 = I3 = I5 = 1A.
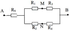
Bài 6: Cho mạch điện như hình UAB = 12 V; R1 = 10 Ω; R2 = R3 = 20 Ω; R4 = 8 Ω.
a) Tìm điện trở tương đương RAB của mạch.
b) Tìm cường độ dòng điện qua các điện trở và hiệu điện thế trên mỗi điện trở.
Tóm tắt
UAB = 12 V; R1 = 10 Ω; R2 = R3 = 20 Ω; R4 = 8 Ω.
a) Tìm RAB.
b) Tìm IRi và URi.
Lời giải:
Viết sơ đồ mạch: [(R1 nt R2) // R3] nt R4
a) Điện trở tương đương của cụm R123 là:
Điện trở tương đương của đoạn mạch AB là:
RAB = R123 + R4 = 12 + 8 = 20 Ω
b) Cường độ dòng điện qua mạch chính và R4 là
Hiệu điện thế hai đầu R4 là: U4 = I.R4 = 0,6.8 = 4,8 V
Hiệu điện thế cụm R123 là: U12 = U3 = U – U4 = 12 – 4,8 = 7,2 V
Cường độ dòng điện qua R3 là:
Cường độ dòng điện qua R1 và R2 là:
Hiệu điện thế hai đầu R1 là U1 = I1.R1 = 0,24.10 = 2,4 V
Hiệu điện thế hai đầu R2 là U2 = U12 – U1 = 7,2 – 2,4 = 4,8 V
Đáp án:
a) RAB = 20 Ω;
b) I1 = I2 = 0,24A; I3 = 0,36 A; I4 = 0,6A; U1 = 2,4 V; U2 = 4,8 V; U3 = 7,2V; U4 = 4,8 V.
Bài 7: Cho mạch điện như hình vẽ. UAB = 18V không đổi. R1 = R2 = R3 = 6 Ω; R4 = 2 Ω.
a) Tìm điện trở tương đương của đoạn mạch
b) Tìm hiệu điện thế hai đầu mỗi điện trở
Tóm tắt
UAB = 18V không đổi. R1 = R2 = R3 = 6 Ω; R4 = 2 Ω.
a) Tìm điện trở tương đương của đoạn mạch
b) Tìm hiệu điện thế hai đầu mỗi điện trở
Lời giải:
Viết sơ đồ mạch điện: [R1 // (R2 nt R3)] nt R4
a) Điện trở tương đương cụm R123 là:
Điện trở tương đương của đoạn mạch là:
Rtd = R123 + R4 = 4 + 2 = 6 Ω
b) Cường độ dòng điện trong mạch chính là:
Mà I = I4 = 3A
Hiệu điện thế giữa hai đầu R4 là: U4 = I4.R4 = 3.2 = 6V
Hiệu điện thế giữa hai đầu R1 và R23 là: U1 = U23 = U – U4= 18 – 6 = 12 V
Cường độ dòng điện qua R2 và R3 là:
Hiệu điện thế hai đầu R2 và R3 là: U2 = U3 = I2.R2 = I3.R3 = 1.6 = 6V
Đáp án:
a) Rtd = 6 Ω
b) U1 = 12V; U2 = U3 = 6V; U4 = 6V.
Bài 8: Cho mạch điện như hình vẽ: UAB = 6V; R1 = R3 = R5 = 1Ω; R2 = 3Ω. Tính R4, biết cường độ dòng điện qua R4 là 1A.
Tóm tắt
UAB = 6V; R1 = R3 = R5 = 1Ω;
R2 = 3Ω. Tính R4, biết cường độ dòng điện qua R4 là 1A.
Lời giải:
Viết sơ đồ mạch điện: (R1 // R2) nt [(R3 nt R4) // R5]
Điện trở tương đương cụm R12 là:
Điện trở cụm R34 = R3 + R4 = 1 + R4
Cường độ dòng điện trong mạch chính I = I12 = I345 = I34 + I5 (1)
Mặt khác U34 = U5 = U – U12 → I4.(R3 + R4) = I5.R5 = U – I.R12 (2)
Từ (1) và (2) → 1.(1 + R4) = I5.1 = 6 – (1 + I5). 0,75
Ta có: I5.1 = 6 – (1 + I5).0,75 ⇒ I5 = 3A
Từ 1.(1 + R4) = I5.1 ⇒ R4 = 2Ω
Đáp án: R4 = 2 Ω.
Bài 9: Cho mạch điện có sơ đồ như hình vẽ. Biết R1 = 3 Ω; R2 = 6 Ω; R3 = 8 Ω; R4 = 7 Ω. Đặt vào hai đầu mạch hiệu điện thế U = 15 V. Tính
a) Điện trở tương đương và cường độ dòng điện trong mạch chính.
b) Cường độ dòng điện và hiệu điện thế hai đầu mỗi điện trở.
Tóm tắt
R1 = 3 Ω; R2 = 6 Ω; R3 = 8 Ω; R4 = 7 Ω, U = 15 V. Tính:
a) Rtd, I.
b) Cường độ dòng điện và hiệu điện thế hai đầu mỗi điện trở.
Lời giải:
Viết sơ đồ mạch: (R1 nt R2) // (R3 nt R4)
a) Điện trở tương đương của mạch là:
Cường độ dòng điện trong mạch chính là:
b) Cường độ dòng điện qua R1 và R2 là:
Hiệu điện thế hai đầu R1 là: U1 = I1.R1 = 5 V
Hiệu điện thế hai đầu R2 là: U2 = I2.R2 = 10 V
Cường độ dòng điện qua R3 và R4 là:
Hiệu điện thế hai đầu R3 là: U3 = I3.R3 = 8 V
Hiệu điện thế hai đầu R4 là: U4 = I4.R4 = 7 V
Đáp án:
a) Rtd = 5,625 Ω; I = 5/3 A
b) I1 = I2 = 5/3 A ; I3 = I4 = 1A. U1 = 5V; U2 = 10 V; U3 = 8V; U4 = 7V.
Bài 10: Cho mạch điện như hình vẽ. Biết R1 = 8 Ω; R2 = 6 Ω; R3 = R4 = 4 Ω. Đặt vào hai đầu mạch hiệu điện thế U = 20V. Tính điện trở tương đương của mạch điện và cường độ dòng điện qua mỗi điện trở.
Tóm tắt
Biết R1 = 8 Ω; R2 = 6 Ω; R3 = R4 = 4 Ω, U = 20V. Tính Rtd và cường độ dòng điện qua mỗi điện trở.
Lời giải:
Viết sơ đồ mạch điện: R1 // [R2 nt (R3 // R4)]
Điện trở tương đương cụm R234 là: R234 = R2 + R34
Điện trở tương đương của mạch là:
Cường độ dòng điện qua điện trở R1 là:
Cường độ dòng điện qua R2 và cụm R34 là:
Vì R3 = R4 mà U3 = U4 nên I3 = I4
Mặt khác I3 + I4 = I34 = 2,5 A nên I3 = I4 = 1,25 A
Đáp án: Rtd = 4 Ω; I1 = 2,5 A; I2 = 2,5 A; I3 = I4 = 1,25 A.
Bài tập tự luyện
Bài 1: Cho đoạn mạch như hình bên. Biết R1 = 6Ω; R2 = 4Ω; R3= 2Ω và hiệu điện thế chạy qua đoạn BC có giá trị là 48V. Tính điện trở tương đương của đoạn mạch và cường độ dòng điện chạy qua mỗi điện trở.
Bài 2: Cho 3 điện trở giống nhau cùng có giá trị là R. Hãy vẽ sơ đồ các cách mắc ba điện trở trên vào hai điểm A, B và tính điện trở của mỗi đoạn mạch.
Bài 3: Cho mạch điện có sơ đồ như hình vẽ. Cho biết R1 = 3Ω; R2 = 6Ω; R3= 6Ω và UAB = 3V. Tính cường độ dòng điện đi qua AC và đi qua mỗi điện trở.
Bài 4: Cho mạch điện như hình vẽ: R1 = R3 = 3Ω, R2 = 2Ω, R4 = 1Ω, R5 = 4Ω. Cường độ dòng điện qua mạch chứa R1 và R3 là 1A. Tìm hiệu điện và cường độ dòng điện qua mạch chính.
Bài 5: Một bóng đèn dây tóc có ghi (110V – 40W) và một bàn là có ghi (110V – 550W).
a) Tính điện trở của bóng đèn và bàn là.
b) Có thể mắc nối tiếp bóng đèn và bàn là vào hiệu điện thế 220V được không? Vì sao?
Bài 6:Cho mạch điện như hình vẽ:
R1 = 5Ω; R2 = 4Ω; R3= 3Ω; R4 = R5 = 2Ω. Cường độ dòng điện qua mạch chính là I = 2A.
a, Tính UAB?
b, Tính hiệu điện thế giữa hai đầu mỗi điện trở?
c, Tính UAC, UDC.
Bài 7: Cho mạch điện như hình vẽ:
R1 = R2 = 2R3= 20 Ω; R4 = 20Ω; R5 = 12Ω. Ampe kế chỉ 4A.
a) Tính điện trở của đoạn mạch AB.
b) Tính các hiệu điện thế UAC, UAD.
Bài 8:Cho hai bóng đèn loại 12V – 0,8A và 12V – 1,2A.
a) Các kí hiệu 12V-0,8A và 12V-1,2A cho biết điều gì? Tính điện trở của mỗi bóng đèn.
b) Mắc nối tiếp hai bóng đèn trên với nhau vào hiệu điện thế 24V. Tính cường độ dòng điện chạy qua mỗi bóng đèn và nêu nhận xét về độ sáng của mỗi bóng đèn.
c) Để hai đèn sáng bình thường phải mắc chúng như thế nào vào mạch điện có hiệu điện thế 12V.
d) Khi mắc nối tiếp hai bóng đèn trên vào mạch điện có hiệu điện thế U = 24V, để hai đèn sáng bình thường thì phải mắc thêm điện trở Rx vào hai đầu bóng đèn 12V-0,8A. Tính độ lớn của điện trở Rx?
Bài 9: Cho mạch điện có R2 mắc song song R3 mắc và mạch này mắc nối tiếp với R1 tương tự như hình bên dưới. Biết R1 = 16Ω; R2 = 24Ω; R3= 12Ω, hiệu điện thế không đổi U = 24V.
a) Tính điện trở tương đương của đoạn mạch.
b) Cường độ dòng điện chạy qua mỗi điện trở và hiệu điện thế giữa hai đầu mỗi điện trở
c) Nếu thay R1 bằng bóng đèn có ghi (12V – 6W) vào mạch điện trên không? Tại sao?
Bài 10: Khi mắc nối tiếp hai điện trở R1 và R2 vào hiệu điện thế không đổi 3V thì dòng điện qua chúng có cường độ 0,2A. Nếu mắc song song hai điện trở này vào hiệu điện thế trên thì dòng điện qua chúng có cường độ 0,9A. Tính điện trở R1 và R2.
(199k) Xem Khóa học KHTN 9 KNTTXem Khóa học KHTN 9 CDXem Khóa học KHTN 9 CTST
Xem thêm các dạng bài tập Vật Lí lớp 9 có đáp án và lời giải chi tiết khác:
- Dạng 7: Cách giải Bài tập Định luật Ôm cho đoạn mạch nối tiếp, song song cực hay
- Dạng 9: Cách giải Bài tập Định luật Ôm cho mạch cầu cực hay
- Dạng 10: Cách giải Bài tập về mạch điện có biến trở cực hay
- Dạng 11: Cách giải Bài tập về mạch điện có biến trở nâng cao cực hay
- Dạng 12: Phương pháp giải Bài tập về mạch điện có biến trở khó cực hay
- Dạng 13: Cách giải Bài tập tính công, công suất của nguồn điện cực hay
- Dạng 14: Cách giải Bài tập tính công suất định mức của dụng cụ điện cực hay
- Dạng 15: Phương pháp giải Bài tập tính điện năng tiêu thụ cực hay
Xem thêm các loạt bài Để học tốt Vật Lí lớp 9 hay khác:
Tủ sách VIETJACK luyện thi vào 10 cho 2k11 (2026):
Đã có app VietJack trên điện thoại, giải bài tập SGK, SBT Soạn văn, Văn mẫu, Thi online, Bài giảng....miễn phí. Tải ngay ứng dụng trên Android và iOS.
Theo dõi chúng tôi miễn phí trên mạng xã hội facebook và youtube:Loạt bài Lý thuyết - Bài tập Vật Lý 9 có đáp án của chúng tôi được biên soạn bám sát nội dung chương trình Vật Lý lớp 9.
Nếu thấy hay, hãy động viên và chia sẻ nhé! Các bình luận không phù hợp với nội quy bình luận trang web sẽ bị cấm bình luận vĩnh viễn.
- Giải Tiếng Anh 9 Global Success
- Giải sgk Tiếng Anh 9 Smart World
- Giải sgk Tiếng Anh 9 Friends plus
- Lớp 9 Kết nối tri thức
- Soạn văn 9 (hay nhất) - KNTT
- Soạn văn 9 (ngắn nhất) - KNTT
- Giải sgk Toán 9 - KNTT
- Giải sgk Khoa học tự nhiên 9 - KNTT
- Giải sgk Lịch Sử 9 - KNTT
- Giải sgk Địa Lí 9 - KNTT
- Giải sgk Giáo dục công dân 9 - KNTT
- Giải sgk Tin học 9 - KNTT
- Giải sgk Công nghệ 9 - KNTT
- Giải sgk Hoạt động trải nghiệm 9 - KNTT
- Giải sgk Âm nhạc 9 - KNTT
- Giải sgk Mĩ thuật 9 - KNTT
- Lớp 9 Chân trời sáng tạo
- Soạn văn 9 (hay nhất) - CTST
- Soạn văn 9 (ngắn nhất) - CTST
- Giải sgk Toán 9 - CTST
- Giải sgk Khoa học tự nhiên 9 - CTST
- Giải sgk Lịch Sử 9 - CTST
- Giải sgk Địa Lí 9 - CTST
- Giải sgk Giáo dục công dân 9 - CTST
- Giải sgk Tin học 9 - CTST
- Giải sgk Công nghệ 9 - CTST
- Giải sgk Hoạt động trải nghiệm 9 - CTST
- Giải sgk Âm nhạc 9 - CTST
- Giải sgk Mĩ thuật 9 - CTST
- Lớp 9 Cánh diều
- Soạn văn 9 Cánh diều (hay nhất)
- Soạn văn 9 Cánh diều (ngắn nhất)
- Giải sgk Toán 9 - Cánh diều
- Giải sgk Khoa học tự nhiên 9 - Cánh diều
- Giải sgk Lịch Sử 9 - Cánh diều
- Giải sgk Địa Lí 9 - Cánh diều
- Giải sgk Giáo dục công dân 9 - Cánh diều
- Giải sgk Tin học 9 - Cánh diều
- Giải sgk Công nghệ 9 - Cánh diều
- Giải sgk Hoạt động trải nghiệm 9 - Cánh diều
- Giải sgk Âm nhạc 9 - Cánh diều
- Giải sgk Mĩ thuật 9 - Cánh diều


Giải bài tập SGK & SBT
Tài liệu giáo viên
Sách
Khóa học
Thi online
Hỏi đáp

