Cách bài tập Tìm số chỉ của Ampe kế và Vôn kế (hay, chi tiết)
Bài viết Tìm số chỉ của Ampe kế và Vôn kế với phương pháp giải chi tiết giúp học sinh ôn tập, biết cách làm bài tập Tìm số chỉ của Ampe kế và Vôn kế.
Cách bài tập Tìm số chỉ của Ampe kế và Vôn kế (hay, chi tiết)
(199k) Xem Khóa học Vật Lí 11 KNTTXem Khóa học Vật Lí 11 CDXem Khóa học Vật Lí 11 CTST
A. Phương pháp & Ví dụ
- Ampe kế mắc nối tiếp với điện trở R, để đo dòng điện chạy qua nó, số chỉ của ampe kế là cường độ dòng điện chạy qua R.
- Vôn kế mắc song song với điện trở R, để đo hiệu điện thế hai đầu điện trở R, số chỉ của vô kế là hiệu điện thế hai đầu R.
Lưu ý:
+ Nếu điện trở của vôn kế không phải rất lớn (bằng vô cùng) thì dòng điện vẫn chạy qua vôn kế V nên không thể bỏ đoạn mạch chứa vôn kế được.
+ Nếu ampe kế có điện trở đáng kể thì xem ampe kế như một điện trở.
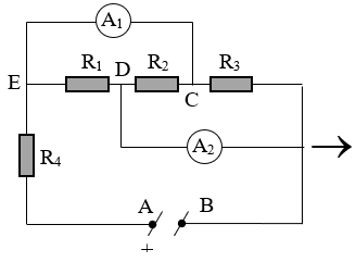
Ví dụ 1: Cho đoạn mạch điện như hình vẽ. Trong đó các điện trở R1 = 2Ω, R2 = 3Ω, R3 = 6Ω, các ampe kế có điện trở không đáng kể. Hiệu điện thế giữa hai đầu đoạn mạch UAB = 6V. Tìm số chỉ của các ampe kế.
Hướng dẫn:
Gọi C là giao điểm của (R2, R3), D là giao điểm của (R1, R2)
Vì ampe kế có điện trở không đáng kể nên:
+ A và C có cùng điện thế → chập C và A lại.
+ B và D có cùng điện thế → chập D và B lại.
Mạch điện được vẽ lại như sau:
Ta có: (R1 // R2 // R3)
Số chỉ ampe kế 1: I = I1 + IA1 ⇒ IA1 = I - I1 = 3A
Số chỉ ampe kế 2: I3 + IA2 = I ⇒ IA2 = I - I3 = 5A
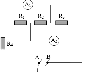
Ví dụ 2: Cho đoạn mạch điện như hình vẽ. Trong đó các điện trở R1 = 40Ω, R2 = 40Ω, R3 = 30Ω, R4 = 40Ω, ampe kế có điện trở không đáng kể, cường độ dòng điện chạy trong mạch chính I = 1,2 A. Tìm số chỉ của các ampe kế và cường độ dòng điện qua mỗi trở.
Hướng dẫn:
Gọi C là giao điểm của (R2, R3); D là giao điểm của (R1, R2)
Vì các ampe kế có điện trở không đáng kể nên:
+ A và C có cùng điện thế → chập C và A lại.
+ B và D có cùng điện thế → chập D và B lại.
Mạch điện được vẽ lại như sau:
Ta có: [(R1 // R2)] // R3
⇒ U = I.RAB = 1,2.20 = 24V
Mà I = I124 + I3 ⇒ I124 = I - I3 = 1,2 - 0,8 = 0,4A = I4 = I12
u12 = I12.R12 = 0,4.20 = 8V
Để tìm số chỉ ampe kế ta dựa vào mạch ban đầu: I = I1 + IA ⇒ IA = I - I1 = 1,2 - 0,2 = 1A
Ví dụ 3: Cho mạch điện như hình vẽ. R1 = 12Ω, R2 = 6Ω, R3 = R4 = 4Ω, UAB = 18V. Biết điện trở của ampe kế và dây nối không đáng kể. Tìm số chỉ của các ampe kế.
Hướng dẫn:
Gọi C là giao điểm của (R2, R3), D là giao điểm của (R1, R2), E là giao điểm của (R1, R4, A1). Vì E và C có cùng điện thế → chập C và E lại, B và D có cùng điện thế → chập D và B lại.
Mạch điện được vẽ lại như sau:
Ta có: [R4 nt (R1 // R2 // R3)]
⇒ R123 = 2Ω ⇒ RAB = R4 + R123 = 6Ω
⇒ U4 = I4.R4 = 3.4 = 12V ⇒ U123 = U - U4 = 6V
Số chỉ ampe kế 1: I4 = I1 + IA1 ⇒ IA1 = I4 - I4 = 2,5A
Số chỉ ampe kế 2: I3 + IA2 = I ⇒ IA2 = I - I3 = 1,5A
Ví dụ 4: Cho mạch điện như hình vẽ. R1 = R2 = 8Ω, R3 = 12Ω, R4 = 24Ω, R5 = 1,2Ω, RA = 0, UAB = 24V. Tính:
a. Điện trở tương đương của đoạn mạch.
b. Cường độ dòng điện qua các điện trở.
c. Số chỉ ampe kế.
Hướng dẫn:
Gọi C là giao điểm của (R1, R2), D là giao điểm của (R3, R4)
Vì ampe kế có điện trở không đáng kể nên C và D có cùng điện thế → chập C và D lại.
Mạch điện được vẽ lại như sau:
a. Ta có: [(R1 // R3) nt (R2 // R4)] nt R5
→ R = R13 + R24 + R5 = 4,8 + 6 + 1,2 = 12Ω
b.
⇒ I13 = I24 = I5 = I = 2A
Cường độ dòng điện qua R1 và R3:
Cường độ dòng điện qua R2 và R4:
c. Giả sử chiều dòng điện chạy qua ampe kế có chiều từ C đến D (như hình vẽ). Khi đó tại nút C ta có: I1 = IA + I2 ⇒ IA = I1 - I2 = 1,2 - 1,5 = -0,3A . Dấu " - " chứng chỏ rằng: dòng điện phải chạy từ D đến C và số chỉ của ampe kế là 0,3A.
Ví dụ 5:Cho mạch điện như hình vẽ: trong đó R1 = 8Ω, R2 = 12Ω, R3 = 3Ω, R5 = 4Ω. R4 là biến trở. Biết UAB = 34V và RV rất lớn.
1. Với R4 = 3Ω. Tính:
a. RAB.
b. Cường độ dòng điện ở mạch chính.
c. Số chỉ vôn kế. Cực dương Vôn kế phải nối với điểm nào?
2. Điều chỉnh R4 để (V) chỉ 0V. Tính R4.
Hướng dẫn:
Vì vôn kế có điện trở rất lớn nên dòng điện không chạy qua vôn kế. Mạch điện được vẽ lại như sau:
1. Với R4 = 3Ω.
a) Ta có: R5 nt [(R1 nt R2) // (R3 nt R4) ]
R12 = R1 + R2 = 18Ω, R34 = R3 + R4 = 6Ω
→ R = R5 + R1234 = 4 + 4,5 = 8,5Ω
b. Cường độ dòng điện trong mạch chính:
c. I5 = I1234 = I = 4A → U5 = I5.R5 = 4.4 = 16V ⇒ U1234 = U - u5 = 18V
Từ hình vẽ ta có: UMN = UMC + UCN = -R1I1 + R3I3 = -6.1 + 3.3 = 3V
Mà: nên cực dương của (V) mắc với M và cực âm mắc với N.
2. Điều chỉnh R4 để (V) chỉ 0V
Ta có: UMN = UMC + UCN = – UCM + UCN = 0 ⇒ UCM = UCN ⇔ I1R1 = I3R3 (1)
Mặt khác: UMN = UMB + UBN = UMB – UNB = 0 ⇒ UMB = UNB ⇔ I1R2 = I3R4 (2)
Lấy (1) chia (2) ta được:
: mạch cầu cân bằng.
Ví dụ 6: Cho mạch điện như hình vẽ. R1 = R2 = R3 = R4 = R5 = 10Ω, UAB = 30V, RA = 0. Tìm:
a. RAB.
b. Cường độ dòng điện qua các điện trở.
c. Số chỉ Ampe kế
Hướng dẫn:
Gọi C là giao điểm của (R2, R4, R5), D là giao điểm của (R1, R3, R4)
Vì ampe kế có điện trở không đáng kể nên B và C có cùng điện thế → chập C và B lại (dòng điện không chạy qua R5 nên I5 = 0) . Mạch điện được vẽ lại như sau:
a) Ta có: [(R3 // R4) nt R1] // R2
b)
+ Ta có U134 = U2 = UAB = 30V
+ Dòng điện chạy qua đoạn R2:
+ Dòng điện chạy qua đoạn R1 – R34:
Lại có: I1 = I34 = I134 = 2A nên: U34 = UAB – U1 = UAB – I1R1 = 30 – 2.10 = 10V
Vì U3 = U4 = U340 = 10V, mà R3 = R4 = 10Ω
c) Để tìm số chỉ ampe kế A ta phải tìm I2 và I4, sau đó xác định chiều của I4 rồi suy ra số chỉ của A.
Ta có: I1 > I3 nên từ mạch gốc, ta thấy tại D dòng qua I4 phải có chiều từ D đến C vậy I2 và I4 qua chảy qua A nên: IA = I2 + I4 = 3 + 1 = 4 A.
B. Bài tập
Bài 1: Cho mạch điện có sơ đồ như hình. Biết R1 = 10Ω và R2 = 3R3. Ampe kế A1 chỉ 4A. Tìm số chỉ của các ampe kế A2 và A3.
Lời giải:
Ta có: U23 = U2 = U3 ⇔ I2.R2 = I3.R3 ⇔ I2.3R3 = I3.R3 ⇒ I3 = 3I2
Lại có: I = I1 = I2 + I3 ⇔ 4 = I2 + 3I2 ⇒ I2 = 1A ⇒ I3 = 3A
Bài 2: R1 = R3 =30Ω, R2 = 5Ω, R4 = 15Ω, RA = 0, UAB = 90V, RV rất lớn. Hình bên. Tìm:
a. Điện trở tương đương của đoạn mạch.
b. Số chỉ ampe kế và vôn kế.
Lời giải:
Gọi C là giao điểm của (R1, R3), D là giao điểm của (R2, R3, R4)
Vì ampe kế có điện trở không đáng kể nên B và C có cùng điện thế → chập C và B lại. Vôn kế có điện trở rất lớn nên dòng điện không chạy qua vôn kế. Mạch điện được vẽ lại như sau:
a) [R2 nt (R3 // R4)] // R1
b) Ta có U234 = U1 = UAB = 90V
+ Dòng điện chạy qua đoạn R1:
+ Dòng điện chạy qua đoạn R2 – R34:
Lại có: I2 = I34 = I234 = 6A nên: U34 = UAB – U2 = UAB – I2.R2 = 90 – 6.5 = 60V
Vì U3 = U4 = U34 = 60V
Số chỉ của ampe kế: IA = I1 + I3 = 3 + 2 = 5 A
Số chỉ của vôn kế: U4 = U34 = 60V
Bài 3: Cho mạch điện như hình vẽ. Biết UAB = 18V , R1 = R2 = R3 = 6Ω, R4 = 2Ω. Nối M và B bằng một ampe kế có điện trở rất nhỏ. Tìm số chỉ của ampe kế và chiều dòng điện qua ampe kế.
Lời giải:
Khi nối ampe kế vào giữa M và B thì M và B được chập lại, mạch điện được vẽ lại:
[(R3 // R4) nt R1] // R2
⇒ R341 = R34 + R1 = 1,5 + 6 = 7,5Ω
+ Lại có:
⇒ I134 = I - I2 = 5,4 - 3 = 2,4A
+ Vì I134 = I1 = I34 = 2,4 ⇒ U1 = I1.R2 = 2,4.6 = 14,4V
⇒ U34 = U134 - U1 = 3,6V
+ Lại có R4 // R3 ⇒ U3 = U4 = U34 = 3,6 V ⇒ I3 = 0,6 A và I4 = 1,8 A
+ Vì I1 = I3 + I4 = 2,4 A nên dòng qua R3 từ N đến M do vậy: IA = I3 + I2 = 3,6 A
Bài 4: Cho mạch điện như hình:
UMN = 4V; R1 = R2 = 2Ω;
R3 = R4 = R5 = 1Ω; RA ≈ 0; RV = ∞ (rất lớn).
a) Tính RMN.
b) Tính số chỉ của ampe kế và vôn kế.
Lời giải:
a) Mạch điện được vẽ lại như hình:
Từ hình thấy: {[(R5 nt R3) // R2] nt R4} // R1
Ta có: R35 = R3 + R5 = 1 + 1 = 2Ω
R4235 = R235 + R4 = 1 + 1 = 2Ω
b) Từ mạch gốc suy ra số chỉ của ampe kế A chính là cường độ dòng I4, theo mạch vẽ lại ta có:
Số chỉ vôn kế V là U3 = I3R3. Lại có: U35 = U - U4 = 4 - 2.1 = 2V
Bài 5: Cho mạch điện như hình vẽ. Cho biết: R1 = 1Ω, R2 = 2Ω, R3 = 3Ω, R4 = 5Ω, R5 = 0,5Ω, điện trở vôn kế rất lớn, dây dẫn và khóa K có điện trở không đáng kể. Hiệu điện thế giữa hai điểm A, B là UAB = 20V. Hãy tính điện trở tương đương của mạch toàn mạch, dòng điện qua các điện trở và số chỉ của vôn kế, trong các trường hợp sau:
a) Khóa K đang mở.
b) Đóng khóa K.
Lời giải:
a) Khóa K mở, mạch vẽ lại như hình.
RAB = R23-4 + R1 + R5 = 2,5 + 1 + 0,5 = 4Ω
I1 = I5 = I23-4 = 5A ⇒ U23-4 = I23-4.R23-4 = 5.2,5 = 12,5V
Mà: U23 = U4 = U23-4 = 12,5V
Lại có: I4 = I1 - I23 = 5 - 2,5 = 2,5A
Từ hình ban đầu ta suy ra số chỉ của V chính là U4 ⇒ UV = U4 = 12,5V
b) Đóng khóa K, mạch điện như hình. Chập hai điểm A và D lại rồi thực hiện các bước vẽ lại mạch như bài trên ta vẽ được mạch sau:
Ta có:
Ta có: I5 = IAE = I = 8,125A ⇒ UAE = IAE.RAE = 15,9375 = U3 = U12-4
Dòng điện qua R3:
Dòng điện qua đoạn R12-4 là: I12-4 = I - I3 = 8,125 - 5,3125 = 2,8125A ⇒ I12 - I4 = 2,8125A
Hiệu điện thế giữa hai điểm A, C: UAC = U12 = I12.R12 = I4.R12 = 1,875V
Dòng điện qua R1:
Dòng điện qua R2: I2 = I12 - I1 = 2,8125 - 1,875 = 0,93751A
Từ hình ban đầu ta suy ra số chỉ của V chính là U4 ⇒ UV = U4 = I4.R4 = 14,0625V
C. Bài tập bổ sung
Bài 1: Trong mạch điện có sơ đồ như hình sau. Ampe kế có số chỉ I = 0,6 A. Biết cường độ dòng điện đi qua đèn Đ2 lớn gấp hai lần cường độ dòng điện qua đèn Đ1. Cường độ dòng điện qua đèn Đ2 có giá trị là:
A. 0,1 A.
B. 0,4 A.
C. 0,5 A.
D. 0,3 A.
Bài 2: Trong mạch điện có sơ đồ sau, ampe kế A1 có số chỉ 0,35A. Hãy cho biết số chỉ của ampe kế A2 là bao nhiêu?
Bài 3: Cho mạch điện như hình vẽ:
Các Ampe kế giống nhau và có điện trở RA, ampe kế A3 chỉ giá trị I3 = 4(A), ampe kế A4 chỉ giá trị I4 = 3(A). Tìm chỉ số của các ampe kế còn lại?
Bài 4: Cho mạch điện như hình vẽ: R1 = R2 = R3 = 6 Ω ; R4 = 2 Ω; UAB = 18 V. Nối M và B bằng một vôn kế. Tìm số chỉ của vôn kế B. Nối M và B bằng 1 ampe kế điện trở không đáng kể. Tìm số chỉ của ampe kế, chiều dòng qua Ampe kế.
Bài 5: Cho mạch điện UMN = 4V , R1 = R2 = 2 Ω , R3 = R4 = R5 = 1Ω
a) Tính RMN?
b) Nối M và N bằng 1 ampe kế điện trở không đáng kể. Tìm số chỉ của ampe kế?
Bài 6: Cho R1 = 45 Ω, R2 = 90 Ω, R3 = 15 Ω, R4 = 24 Ω, UAB = 90V. Tính số chỉ của ampe kế khi K mở và K đóng.
Bài 7: Cho mạch điện như hình vẽ, trong đó R1 = 15Ω, R2 = 10Ω, vôn kế chỉ 12 V. Điện trở tương đương của đoạn mạch và số chỉ của các am pe kế là bao nhiêu?
Bài 8: Cho mạch điện như hình vẽ dưới.
Biết U = 6V, R1 = 3Ω, bỏ qua điện trở của các ampe kế và khóa K.
Khi K mở, ampe kế A1 chỉ 1,2A
Khi K đóng ampe A2 chỉ 0,5A.
Tính R2 và R3.
Bài 9: Đặt một hiệu điện thế U vào 2 đầu đoạn mạch có sơ đồ như hình vẽ. Biết R1 = 3Ω, R2 = 6Ω. Hỏi chỉ số khi công tắc K đóng lớn hơn ha nhỏ hơn bao nhiêu lần so với khi công tắc K mở?
Bài 10: Cho mạch điện như hình vẽ:
Biết ampe kế A1 chỉ 0,15A, ampe kế A2 chỉ 0,3A.
a) Hỏi hai bóng đèn mắc với nhau như thế nào?
b) Xác định chốt dương (+), âm (-) của ampe kế trên hình vẽ và chiều dòng điện chạy trong mạch.
c) Tìm số chỉ của ampe kế A.
C. Bài tập bổ sung
Câu 1: Cho mạch điện có sơ đồ như hình bên: ξ = 12V; R1 = 4 Ω; R2 = R3 = 10 Ω. Bỏ qua điện trở của ampe kế A và dây nối. Số chỉ của ampe kế là 0,6 A. Giá trị điện trở trong r của nguồn điện là

A. 1,2 Ω.
B. 0,5 Ω.
C. 1,0 Ω.
D. 0,6 Ω.
Câu 2. Cho mạch điện như hình vẽ.

Trong đó ξ = 6V; r = 0,5 Ω; R1 = R2 =2Ω ; R3 =R5 = 4 Ω; R4 =6 Ω
Điện trở của ampe kế và của các dây nối không đáng kể. Số chỉ của ampe kế là
A. 0,15A.
B. 0,25A.
C. 0,5A.
D. 1A.
Câu 3. Cho mạch điện như hình vẽ. Nếu đặt vào AB hiệu điện thế 100 V thì người ta có thể lấy ra ở hai đầu CD một hiệu điện thế và ampe kế chỉ 1A. Nếu đặt vào CD hiệu điện thế 60V thì người ta có thể lấy ra ở hai đầu hiệu điện thế . Coi điện trở của ampe kế không đáng kể. Giá trị của là

A. 160 Ω
B. 130 Ω
C. 180 Ω
D. 120 Ω
Câu 4. Cho mạch điện như hình vẽ. Trong đó ξ = 12V; r = 0,5 Ω; R1 = R2 =2Ω ; R3 =R5 = 4 Ω; R4 =6 Ω. Điện trở của ampe kế và của các dây nối không đáng kể. Số chỉ của ampe kế là

A. 0,3 A
B. 0,5 A
C. 0,4 A
D. 2A
Câu 5. Một học sinh dùng vôn kế và ampe kế để đo giá trị điện trở R bằng sơ đồ như hình vẽ. Kết quả một phép đo cho thấy vôn kế V chỉ 100V ampe kế A chỉ 2,5A. Biết vôn kế có điện trở 1000 Ω. So với trường hợp sử dụng vôn kế lý tưởng (có điện trở vô cùng lớn) thì phép đo này có sai số tương đối gần nhất là

A. 0,2 %
B. 2 %
C. 4 %
D. 5 %
D. Bài tập tự luyện
Bài 1: Cho sơ đồ mạch điện gồm R1 = 10 Ω và R2 = 15Ω mắc nối tiếp; hiệu điện thế giữa hai điểm A và B là UAB= 12 V. Tìm số chỉ của ampe kế?
Bài 2: Cho sơ đồ mach điện như hình vẽ. Biết R1=15Ω; R2=10Ω; UAB=12V. Tìm các số chỉ của ampe kế.
Bài 3: Cho mạch điện như hình vẽ. Bỏ qua điện trở của dây nối và ampe kế, ξ = 30V, r = 3Ω, R1 = 12Ω, R2 = 36Ω, R3 = 18Ω. Số chỉ ampe kế bằng
A. 0,741 A.
B. 0,654 A
C. 0,5 A.
D. 1 A.
Bài 4: Cho mạch điện như hình vẽ: R1 = R3 = R4 = 4Ω, R2 = 2Ω, U = 6V
a. Khi nối giữa A và D một vôn kế thì vôn kế chỉ bao nhiêu. Biết RV rất lớn.
b. Khi nối giữa A và D 1 ampe kế thì ampe kế chỉ bao nhiêu? Biết RA rất nhỏ.
Bài 5: Cho mạch điện như hình vẽ. Bỏ qua điện trở của dây nối và ampe kế, ξ = 30V, r = 3Ω, R1 = 12Ω, R2 = 36Ω, R3 = 18Ω. Xác định số chỉ ampe kế
A. 0,75A.
B. 0,65A
C. 0,5A .
D. 1A.
Bài 6: Cho mạch điện như hình vẽ. Trong đó E = 6V, r= 0,5 Ω, R1= R2= 2 Ω, R3= R5= 4 Ω, R4= 6 Ω. Điện trở của ampe kế và của các dây nối không đáng kể. Số chỉ của ampe kế và hiệu điện thế giữa hai cực của nguồn điện lần lượt bằng
A. U= 5,25V; IA= 0,5A.
B. U= 5,5V; IA= 0,25A.
C. U= 5V; IA= 0,25A.
D. U= 5V; IA= 0,5A.
Bài 7: Cho mạch điện như hình vẽ. R1= R2= 6 Ω, R3= 3 Ω, r = 5 Ω, RA= 0 Ω. Ampe kế A1 chỉ 0,6A. Tính suất điện động của nguồn và số chỉ của Ampe kế A2.
A. E = 5,2V; IA2 = 0,4A.
B. E = 5,8V; IA2 = 0,8A.
C. E = 5,2V; IA2 = 0,8A.
D. E = 5,8V; IA2 = 0,4A.
Bài 8: Cho mạch điện như hình vẽ. Trong đó E = 6V, r = 0,5 Ω, R1= 1Ω, R2= R3= 4 Ω, R4= 6 Ω. Tính hiệu điện thế giữa hai đầu R3, R4. Công suất và hiệu suất của nguồn điện nhận giá trị nào sau đây?
A. U4= 4,8V; U3= 3,2V; P= 14,4W; H = 80%.
B. U4= 3,2V; U3= 4,8V; P= 14,4W; H = 40%.
C. U4= 4,8V; U3= 3,2V; P= 11,52W; H = 80%.
D. U4= 3,2V; U3= 4,8V; P= 11,52W; H = 40%.
Bài 9: Cho 4 điện trở R1= 10Ω, R2 = R5 = 10Ω, R3= R4 = 40Ω được mắc vào nguồn có hiệu điện thế 60V như hình vẽ. Ampe kế có điện trở lí tưởng bằng 0.
Tính số chỉ ampe kế.
Bài 10: Cho mạch điện như hình vẽ
R1= R2 = R3= 6Ω, R4 = 2Ω, UAB = 18V, ampe kế có điện trở không đáng kể. Tìm số chỉ của ampe kế, chiều dòng qua A.
(199k) Xem Khóa học Vật Lí 11 KNTTXem Khóa học Vật Lí 11 CDXem Khóa học Vật Lí 11 CTST
Xem thêm các dạng bài tập Vật Lí lớp 11 có trong đề thi THPT Quốc gia khác:
- Dạng 1: Cách tính điện trở tương đương mạch nối tiếp, mạch song song, mạch cầu
- Trắc nghiệm tính điện trở tương đương mạch nối tiếp, mạch song song, mạch cầu
- Dạng 2: Định luật Ôm cho đoạn mạch nối tiếp và song song
- Trắc nghiệm Định luật Ôm cho đoạn mạch nối tiếp và song song
- Trắc nghiệm Tìm số chỉ của Ampe kế và Vôn kế
- 50 bài tập trắc nghiệm Định luật Ôm cho đoạn mạch chỉ có điện trở R có đáp án (phần 1)
- 50 bài tập trắc nghiệm Định luật Ôm cho đoạn mạch chỉ có điện trở R có đáp án (phần 2)
Tủ sách VIETJACK shopee lớp 10-11 (cả 3 bộ sách):
Đã có app VietJack trên điện thoại, giải bài tập SGK, SBT Soạn văn, Văn mẫu, Thi online, Bài giảng....miễn phí. Tải ngay ứng dụng trên Android và iOS.
Theo dõi chúng tôi miễn phí trên mạng xã hội facebook và youtube:Nếu thấy hay, hãy động viên và chia sẻ nhé! Các bình luận không phù hợp với nội quy bình luận trang web sẽ bị cấm bình luận vĩnh viễn.
- Giải Tiếng Anh 11 Global Success
- Giải sgk Tiếng Anh 11 Smart World
- Giải sgk Tiếng Anh 11 Friends Global
- Lớp 11 - Kết nối tri thức
- Soạn văn 11 (hay nhất) - KNTT
- Soạn văn 11 (ngắn nhất) - KNTT
- Giải sgk Toán 11 - KNTT
- Giải sgk Vật Lí 11 - KNTT
- Giải sgk Hóa học 11 - KNTT
- Giải sgk Sinh học 11 - KNTT
- Giải sgk Lịch Sử 11 - KNTT
- Giải sgk Địa Lí 11 - KNTT
- Giải sgk Giáo dục KTPL 11 - KNTT
- Giải sgk Tin học 11 - KNTT
- Giải sgk Công nghệ 11 - KNTT
- Giải sgk Hoạt động trải nghiệm 11 - KNTT
- Giải sgk Giáo dục quốc phòng 11 - KNTT
- Giải sgk Âm nhạc 11 - KNTT
- Lớp 11 - Chân trời sáng tạo
- Soạn văn 11 (hay nhất) - CTST
- Soạn văn 11 (ngắn nhất) - CTST
- Giải sgk Toán 11 - CTST
- Giải sgk Vật Lí 11 - CTST
- Giải sgk Hóa học 11 - CTST
- Giải sgk Sinh học 11 - CTST
- Giải sgk Lịch Sử 11 - CTST
- Giải sgk Địa Lí 11 - CTST
- Giải sgk Giáo dục KTPL 11 - CTST
- Giải sgk Hoạt động trải nghiệm 11 - CTST
- Giải sgk Âm nhạc 11 - CTST
- Lớp 11 - Cánh diều
- Soạn văn 11 Cánh diều (hay nhất)
- Soạn văn 11 Cánh diều (ngắn nhất)
- Giải sgk Toán 11 - Cánh diều
- Giải sgk Vật Lí 11 - Cánh diều
- Giải sgk Hóa học 11 - Cánh diều
- Giải sgk Sinh học 11 - Cánh diều
- Giải sgk Lịch Sử 11 - Cánh diều
- Giải sgk Địa Lí 11 - Cánh diều
- Giải sgk Giáo dục KTPL 11 - Cánh diều
- Giải sgk Tin học 11 - Cánh diều
- Giải sgk Công nghệ 11 - Cánh diều
- Giải sgk Hoạt động trải nghiệm 11 - Cánh diều
- Giải sgk Giáo dục quốc phòng 11 - Cánh diều
- Giải sgk Âm nhạc 11 - Cánh diều


Giải bài tập SGK & SBT
Tài liệu giáo viên
Sách
Khóa học
Thi online
Hỏi đáp

