50 bài tập trắc nghiệm Định luật Ôm cho đoạn mạch chỉ có điện trở R có đáp án (phần 1)
Với 50 bài tập trắc nghiệm Định luật Ôm cho đoạn mạch chỉ có điện trở R (phần 1) có lời giải chi tiết sẽ giúp học sinh ôn tập, biết cách làm bài tập trắc nghiệm Định luật Ôm cho đoạn mạch chỉ có điện trở R (phần 1).
50 bài tập trắc nghiệm Định luật Ôm cho đoạn mạch chỉ có điện trở R có đáp án (phần 1)
(199k) Xem Khóa học Vật Lí 11 KNTTXem Khóa học Vật Lí 11 CDXem Khóa học Vật Lí 11 CTST
Câu 1. Đoạn mạch gồm điện trở R1 = 100 Ω mắc nối tiếp điện trở R2 = 300 Ω, điện trở toàn mạch là:
A. RTM = 200 Ω. B. RTM = 300 Ω.
C. RTM = 400 Ω. D. RTM = 500 Ω.
Lời giải:
- R1 mắc nt R2 nên Rtm = R1 + R2 = 100 + 300 = 400 Ω. Chọn C.
Câu 2. Một dòng điện 0,8A chạy qua cuộn dây của loa phóng thanh có điện trở 8Ω Hiệu điện thế giữa hai đầu cuộn dây là bao nhiêu?
A. 0,1 V. B. 5,1 V.
C. 6,4 V. D. 10 V.
Lời giải:
- Hiệu điện thế hai đầu cuộn dây là: U = IR = 6,4V . Chọn C.
Câu 3. Hiệu điện thế giữa hai đầu một mạch điện gồm 2 điện trở 10Ω và 30Ω ghép nối tiếp nhau bằng 20 V. Cường độ dòng điện qua điện trở 10Ω là:
A. 0,5 A. B. 10 A.
C. 15 A. D. 20 A.
Lời giải:
- Hai điện trở mắc nối tiếp ta có: Rtđ = R1 + R2 = 40Ω .
- Cường độ dòng điện
Chọn A.
Câu 4. Hiệu điện thế giữa hai đầu một mạch điện gồm 2 điện trở 10Ω và 30Ω ghép song song nhau bằng 20 V. Cường độ dòng điện qua điện trở 10Ω là:
A. 2 A. B. 0,67 A.
C. 1 A. D. 0,5 A.
Lời giải:
- R1 // R2 → U = U1 = U2
Chọn A.
Câu 5. Cho đoạn mạch gồm điện trở R1 = 100 Ω, mắc nối tiếp với điện trở R2 = 200 Ω, hiệu điên thế giữa hai đầu đoạn mạch là 12 V. Hiệu điện thế giữa hai đầu điện trở R1 là
A. U1 = 1 V. B. U1 = 4 V.
C. U1 = 6 V. D. U1 = 8 V.
Lời giải:
- Rtm = R1 + R2 = 300 Ω
- Ta có: I = Utm / Rtm = 12/300 = 0,04 A = I1 = I2 (do mạch mắc nối tiếp)
Chọn B.
Câu 6. Đoạn mạch gồm điện trở R1 = 100Ω mắc song song với điện trở R2 = 300 Ω, điện trở toàn mạch là:
A. RTM = 75 Ω. B. RTM = 100 Ω.
C. RTM = 150 Ω. D. RTM = 400 Ω.
Lời giải:
Chọn A.
Câu 7. Cho đoạn mạch gồm điện trở R1 = 100 Ω, mắc nối tiếp với điện trở R2 = 200 Ω. đặt vào hai đầu đoạn mạch một hiệu điện thế U khi đó hiệu điên thế giữa hai đầu điện trở R1 là 6 V. Hiệu điện thế giữa hai đầu đoạn mạch là:
A. U = 12 V. B. U = 6 V.
C. U = 18 V. D. U = 24 V.
Lời giải:
- I1 = U1 / R1 = 6/100 = 0,06 A = I (do mạch mắc nối tiếp)
⇒ Utm = I.Rtm = I(R1 + R2) = 0,06.(100 + 200) = 18V
Chọn C.
Câu 8. Dùng một dây dẫn mắc bóng đèn vào mạng điện. Dây tóc bóng đèn nóng sáng, dây dẫn hầu như không sáng lên vì:
A. Cường độ dòng điện chạy qua dây tóc bóng đèn lớn hơn nhiều cường độ dòng điện chạy qua dây dẫn.
B. Cường độ dòng điện chạy qua dây tóc bóng đèn nhỏ hơn nhiều cường độ dòng điện chạy qua dây dẫn.
C. Điện trở của dây tóc bóng đèn lớn hơn nhiều so với điện trở của dây dẫn.
D. Điện trở của dây tóc bóng đèn nhỏ hơn nhiều so với điện trở của dây dẫn.
Lời giải:
- R dây tóc >> R dây dẫn ⇒ Q dây tóc >> Q dây dẫn ⇒ dây tóc nóng sáng.
Chọn C.
Câu 9. Một bóng đèn có điện trở 9Ω , cường độ dòng điện qua bóng đèn là . Hiệu điện thế hai đầu dây tóc là
A. 4,5 V B. 9 V
C. 12 V D. 18 V
Lời giải:
- Hiệu điện thế hai đầu dây tóc là: U = IR = 0,5.9 = 4,5V.
Chọn A.
Câu 10. Khi đặt cùng một hiệu điện thế vào hai đầu dây dẫn có điện trở R1 và R2 thì tỉ số dòng điện qua hai dây bằng bao nhiêu ?
A. 4 B. 1/4
C. 2 D. 1/2
Lời giải:
- Ta có: U = I1R1 = I2R2.
Chọn A.
Câu 11. Khi đặt vào hai đầu dây dẫn một hiệu điện thế 12V thì cường độ dòng điện chạy qua dây dẫn là 1A. Nếu tăng hiệu điện thế thêm 24V thì cường độ dòng điện qua dây dẫn là
A. 0,5 A B. 1 A
C. 2 A D. 3 A
Lời giải:
- Ta có:
Chọn D.
Câu 12. Hiệu điện thế giữa hai đầu AB của một đoạn mạch điện gồm 4 điện trở 6Ω mắc song song là 12 V. Cường độ dòng điện trên đoạn mạch AB là:
A. 0,5 A. B. 2 A.
C. 8 A. D. 16 A.
Lời giải:
- Khi mắc song song ta có:
Chọn C.
Câu 13. Hiệu điện thế giữa hai đầu đoạn mạch điện gồm 4 điện trở 6Ω mắc nối tiếp là 12 V. Dòng điện trở chạy qua mỗi điện trở bằng
A. 0,5 A. B. 2 A.
C. 8 A. D. 16 A.
Lời giải:
Rtđ = 4R = 24Ω
Chọn A.
Câu 14. Khi đặt vào hai đầu dây dẫn một hiệu điện thế 16V thì cường độ dòng điện chạy qua dây dẫn là 8mA. Muốn cường độ dòng điện qua dây dẫn giảm còn 16mA thì hiệu điện thế đặt vào hai đầu dây dẫn là
A. 2 V B. 12 V
C. 18 V D. 20 V
Lời giải:
- Ta có:
Chọn B.
Câu 15. Khi đặt vào hai đầu dây dẫn một hiệu điện thế 9V thì cường độ dòng điện chạy qua dây dẫn là 6mA. Muốn cường độ dòng điện qua dây dẫn giảm đi 4mA thì hiệu điện thế đặt vào hai đầu dây dẫn là
A. 2 V B. 3 V
C. 4,5 V D. 6V
Lời giải:
Ta có:
Chọn B
Câu 16. Hiệu điện trở như nhau được nối song song có điện trở tương đương bằng 2Ω Nếu các điện trở đó mắc nối tiếp thì điện trở tương đương của chúng bằng
A. 2Ω B. 4Ω
C. 8Ω D. 16Ω
Lời giải:
- Khi mắc song song ta có:
- Do đó khi mắc nối tiếp thì Rtđ = 2R = 8Ω.
Chọn C.
Câu 17. Điện trở của hai điện trở 10Ω và 30Ω ghép song song là:
A. 5Ω B.7,5Ω
C. 20Ω D. 40Ω
Lời giải:
Câu 17.
- Mạch gồm hai điện trở mắc song song nên .
Chọn B.
Câu 18. Đặt hiệu điện thế 18V vào hai đầu bòng đèn thì cường độ dòng điện qua đèn là 4,5A . Giá trị điện trở của đèn là
A. 9Ω B. 4,5Ω
C. 4Ω D. 13,5Ω
Lời giải:
Câu 18.
- Điện trở của đèn là
Chọn C.
Câu 19. Khi đặt cùng một hiệu điện thế vào hai đầu dây dẫn có điện trở R1 và R2 thì tỉ số dòng điện qua hai dây I1/I2 = 3/4 . Tỉ số R1/R2 bằng bao nhiêu ?
A. 1/3 B. 1/4
C. 4/3 D. 3/4
Lời giải:
Câu 19.
- Ta có
Chọn C
Câu 20. Một điện trở R1 mắc song song với điện trở R2 rồi mắc vào một nguồn điện có suất điện động 24 V, điện trở trong không đáng kể. Cường độ dòng điện qua hệ là 3 A. Giá trị R1 là:
A. 8Ω B. 12Ω
C. 24Ω D. 36Ω
Lời giải:
Câu 20.
- Điện trở tương đương của mạch là
- Vì R1 mắc song song với R2
Chọn C.
Câu 21. Cho mạch điện như hình vẽ, biết R1 = 16Ω, R2 = 40Ω, R3 = R4 = 60Ω Tính điện trở tương đương của mạch bằng?
A. 24Ω B. 40Ω
C. 25Ω D. 45Ω
Lời giải:
Câu 21.
- Vẽ lại mạch điện ta có R2 // R4
R1 nối tiếp với R24 ⇒ R124 = R1 + R24 = 40Ω
R134 song song với R1
Câu 22. Ghép hai điện trở R1 và R2 rồi mắc vào hiệu điện thế U = 12V Khi đó cường dộ dòng điện có thể là I1 = 10A hoặc I2 = 2,4A Giá trị của R1 và R2 là?
A. 6Ω, 8Ω B. 4Ω, 6Ω
C. 3Ω, 5Ω D. 2Ω, 3Ω
Lời giải:
Câu 22.
- Khi I1 = 10A ⇒ Hai điện trở đang mắc song song
- Từ (1) và (2)
Chọn D
Câu 23. Cho mạch điện như hình vẽ, biết R1 = 6Ω, R2 = 4Ω, R3 = 15Ω và điện áp UAB = 16V và cường độ dòng điện qua mạch chính bằng 2 A. Giá trị R4 bằng?
A. 15Ω B. 10Ω
C. 24Ω D. 25Ω
Lời giải:
Câu 23.
- Điện trở trong của mạch là
- Dựa vào hình vẽ ⇒ R1 nối tiếp R2, R3 nối tiếp R4 và R12 // R34
- Tiếp tục ta có
R34 = 40Ω ⇒ R4 = R34 - R3 = 25Ω
Chọn D
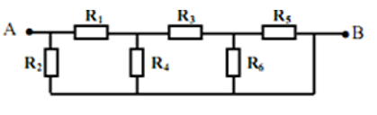
Câu 24. Cho mạch điện như hình vẽ, biết R1 = 0,5Ω, R3 = 1,5Ω, R2 = R5 = R6 = 1Ω, R4 = 2/3 Ω Điện trở tương đương toàn mạch AB có giá trị bằng?
A. 2Ω B. 0,5Ω
C. 20Ω D. 20Ω
Lời giải:
Câu 24.
- Vẽ lại mạch điện ta có R5 song song với R6
R56 mắc nối tiếp với R3 ⇒ R356 = R3 + R56 = 2
R4 mắc // với R356
R1 mắc nối tiếp với R3456 ⇒ R13456 = R1 + R3456 = 1
R2 mắc // với R13456
Chọn B.
Câu 25. Cho mạch điện như hình vẽ, biết R4 = 2Ω, R5 = R6 = 3Ω, R1 = R2 = R3 = 6Ω, R7 = 2,7Ω . Điện trở tương đương toàn mạch AB có giá trị bằng?
A. 2,27Ω B. 1,27Ω
C. 2Ω D. 1Ω
Lời giải:
Câu 25.
- Dựa vào hình vẽ ⇒ R1, R2, R3 mắc nối tiếp nhau ⇒ R123 = R1 + R2 + R3 = 18Ω
- Lại có R4 mắc song song với R123
- Tiếp tục ta dễ dàng nhận thấy R5, R6, R1234 mắc nối tiếp nhau
⇒ R123456 = R5 + R6 + R1234 = 7,8Ω
- Cuối cùng ta thấy R7 mắc song song với R123456
- Điện trở trong của mạch là
Chọn C.
(199k) Xem Khóa học Vật Lí 11 KNTTXem Khóa học Vật Lí 11 CDXem Khóa học Vật Lí 11 CTST
Xem thêm các dạng bài tập Vật Lí lớp 11 có trong đề thi THPT Quốc gia khác:
- Dạng 1: Cách tính điện trở tương đương mạch nối tiếp, mạch song song, mạch cầu
- Trắc nghiệm tính điện trở tương đương mạch nối tiếp, mạch song song, mạch cầu
- Dạng 2: Định luật Ôm cho đoạn mạch nối tiếp và song song
- Trắc nghiệm Định luật Ôm cho đoạn mạch nối tiếp và song song
- Dạng 3: Tìm số chỉ của Ampe kế và Vôn kế
- Trắc nghiệm Tìm số chỉ của Ampe kế và Vôn kế
- 50 bài tập trắc nghiệm Định luật Ôm cho đoạn mạch chỉ có điện trở R có đáp án (phần 2)
Tủ sách VIETJACK shopee lớp 10-11 (cả 3 bộ sách):
Đã có app VietJack trên điện thoại, giải bài tập SGK, SBT Soạn văn, Văn mẫu, Thi online, Bài giảng....miễn phí. Tải ngay ứng dụng trên Android và iOS.
Theo dõi chúng tôi miễn phí trên mạng xã hội facebook và youtube:Nếu thấy hay, hãy động viên và chia sẻ nhé! Các bình luận không phù hợp với nội quy bình luận trang web sẽ bị cấm bình luận vĩnh viễn.
- Giải Tiếng Anh 11 Global Success
- Giải sgk Tiếng Anh 11 Smart World
- Giải sgk Tiếng Anh 11 Friends Global
- Lớp 11 - Kết nối tri thức
- Soạn văn 11 (hay nhất) - KNTT
- Soạn văn 11 (ngắn nhất) - KNTT
- Giải sgk Toán 11 - KNTT
- Giải sgk Vật Lí 11 - KNTT
- Giải sgk Hóa học 11 - KNTT
- Giải sgk Sinh học 11 - KNTT
- Giải sgk Lịch Sử 11 - KNTT
- Giải sgk Địa Lí 11 - KNTT
- Giải sgk Giáo dục KTPL 11 - KNTT
- Giải sgk Tin học 11 - KNTT
- Giải sgk Công nghệ 11 - KNTT
- Giải sgk Hoạt động trải nghiệm 11 - KNTT
- Giải sgk Giáo dục quốc phòng 11 - KNTT
- Giải sgk Âm nhạc 11 - KNTT
- Lớp 11 - Chân trời sáng tạo
- Soạn văn 11 (hay nhất) - CTST
- Soạn văn 11 (ngắn nhất) - CTST
- Giải sgk Toán 11 - CTST
- Giải sgk Vật Lí 11 - CTST
- Giải sgk Hóa học 11 - CTST
- Giải sgk Sinh học 11 - CTST
- Giải sgk Lịch Sử 11 - CTST
- Giải sgk Địa Lí 11 - CTST
- Giải sgk Giáo dục KTPL 11 - CTST
- Giải sgk Hoạt động trải nghiệm 11 - CTST
- Giải sgk Âm nhạc 11 - CTST
- Lớp 11 - Cánh diều
- Soạn văn 11 Cánh diều (hay nhất)
- Soạn văn 11 Cánh diều (ngắn nhất)
- Giải sgk Toán 11 - Cánh diều
- Giải sgk Vật Lí 11 - Cánh diều
- Giải sgk Hóa học 11 - Cánh diều
- Giải sgk Sinh học 11 - Cánh diều
- Giải sgk Lịch Sử 11 - Cánh diều
- Giải sgk Địa Lí 11 - Cánh diều
- Giải sgk Giáo dục KTPL 11 - Cánh diều
- Giải sgk Tin học 11 - Cánh diều
- Giải sgk Công nghệ 11 - Cánh diều
- Giải sgk Hoạt động trải nghiệm 11 - Cánh diều
- Giải sgk Giáo dục quốc phòng 11 - Cánh diều
- Giải sgk Âm nhạc 11 - Cánh diều


Giải bài tập SGK & SBT
Tài liệu giáo viên
Sách
Khóa học
Thi online
Hỏi đáp

