Phương pháp Tính điện trở tương đương của mạch cầu cực hay | Cách chuyển mạch sao thành mạch tam giác
Bài viết Phương pháp Tính điện trở tương đương của mạch cầu cực hay | Cách chuyển mạch sao thành mạch tam giác với phương pháp giải chi tiết giúp học sinh ôn tập, biết cách làm bài tập Phương pháp Tính điện trở tương đương của mạch cầu cực hay | Cách chuyển mạch sao thành mạch tam giác.
Phương pháp Tính điện trở tương đương của mạch cầu cực hay | Cách chuyển mạch sao thành mạch tam giác
(199k) Xem Khóa học KHTN 9 KNTTXem Khóa học KHTN 9 CDXem Khóa học KHTN 9 CTST
Phương pháp giải:
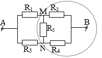
Mạch cầu có sơ đồ như hình vẽ:
Mạch cầu được chia làm 2 loại: mạch cầu cân bằng và mạch cầu không cân bằng.
* Mạch cầu cân bằng có các tính chất sau:
- Về điện trở:
(R5 là đường chéo của cầu)
- Về dòng điện: I5 = 0
- Về HĐT: U5 = 0
Suy ra: I1 = I2; I3 = I4; U1 = U3; U2 = U4
* Mạch cầu không cân bằng:
I5 khác 0; U5 khác 0
a) Đối với mạch cầu cân bằng:
Vì I5 = 0; U5 = 0 nên ta có thể bỏ R5 và vẽ lại mạch.
Mạch được vẽ lại như sau:
Mạch trở thành (R1 nt R3) // (R2 // R4). Và ta tính điện trở tương đương như mạch hỗn hợp thông thường.
b) Đối với mạch cầu không cân bằng:
Ta cần sử dụng phương pháp chuyển mạch để tính điện trở tương đương của mạch điện. Có 2 cách chuyển mạch như sau:
+ Chuyển mạch tam giác thành sao.
Lồng hai mạch vào nhau để tìm x,y,z.
Ta có:
Cộng 3 phương trình theo vế rồi chia cho 2 ta được:
Lấy (4) trừ lần lượt cho (1); (2); (3), ta được
+ Cách chuyển từ mạch sao thành mạch tam giác
Lồng hai mạch vào nhau ta được hình
Từ các biểu thức (5) ở phần trên ta chia các biểu thức theo vế có:
Khử R2 và R3, ta có:
Bài tập ví dụ minh họa
Bài 1: Cho đoạn mạch như hình vẽ bên. Biết các giá trị điện trở R1 = 3Ω; R2 = 6Ω; R3 = 5Ω; R4 = 2 Ω; R5 = 8Ω.
Tính điện trở tương đương của đoạn mạch bằng 2 cách chuyển mạch.
Đáp án: Rtd = 3,75 Ω.
Lời giải:
Cách 1: Chuyển mạch tam giác thành sao
Áp dụng các công thức tìm x, y, z:
Vậy mạch sau khi chuyển ta được [(R1 nt x) // (R3 nt z)] nt y
Điện trở tương đương của mạch là
Cách 2: Chuyển mạch sao thành tam giác
Mạch sau khi biển đổi thì trở thành: [(Y // R3) nt (Z // R4)] // X
Ta có:
Điện trở tương đương toàn mạch là
Bài 2: Cho mạch điện như hình vẽ, các điện trở có độ lớn R1 = 1Ω; R2 = 2Ω; R3 = 3Ω; R4 = 4Ω; R5 = 5Ω.
Tính điện trở tương đương của đoạn mạch AB (Sử dụng cả 2 cách biển đổi).
Lời giải:
Cách 1: biển đổi mạch sao thành tam giác.
Vùng khoanh tròn chọn biến đổi thành mạch tam giác.
Ta có:
Sơ đồ mạch sau khi biến đổi: [(Y // R1) nt (Z // R2)] // X
Điện trở tương đương RY1Z2
Điện trở tương đương của mạch là:
Cách 2: Biển đổi mạch tam giác thành sao.
Mạch biến đổi trở thành: X nt [(Z nt R2) // (Y nt R4)]
Điện trở tương đương của mạch là:
Qua hai ví dụ minh họa, các em có thể biến đổi các mạch sao, tam giác theo các nút tùy ý mà vẫn có kết quả tương tự.
Bài tập trắc nghiệm
Bài 1: Cho mạch điện như hình 24. Trong đó: R1 = R4 = 4Ω; R2 = 2Ω; R3 = 8Ω; R5 = 10Ω. Điện trở các dây nối và khóa K không đáng kể.
Tính điện trở tương đương của đoạn mạch khi:
a) K mở.
b) K đóng.
Tóm tắt
R1 = R4 = 4; R2 = 2; R3 = 8; R5 = 10. Tính điện trở tương đương của đoạn mạch khi:
a) K mở.
b) K đóng.
Lời giải:
a) Khi K mở, dòng điện không đi qua R5 nên có thể bỏ qua R5 và vẽ lại mạch điện như sau:
Sơ đồ mạch điện: (R1 nt R3) // (R2 nt R4)
Điện trở tương đương của mạch là:
b) Khi K đóng, xét tỉ số:
Nên đây là mạch cầu cân bằng. Do đó I5 = 0 và U5 = 0. Ta vẽ lại mạch như sau:
Sơ đồ mạch: (R1 nt R3) // (R2 // R4)
Điện trở tương đương của mạch là
Đáp án: a) 4Ω; b) 4Ω.
Bài 2: Cho mạch điện như hình vẽ, các điện trở có độ lớn: R1 = 5Ω; R2 = 2Ω; R3 = 10Ω; R4 = 30Ω; R5 = 5Ω.
Tính điện trở tương đương của đoạn mạch AB.
Tóm tắt
R1 = 5; R2 = 2; R3 = 10; R4 = 30Ω; R5 = 5Ω.
Tính điện trở tương đương của đoạn mạch AB.
Lời giải:
Xét tỉ số
nên đây là mạch cầu không cân bằng. Để tính điện trở tương đương ta cần biến đổi mạch. Chọn cách biến đổi mạch tam giác thành sao.
Áp dụng các công thức tìm x, y, z:
Vậy mạch sau khi chuyển ta được [(R1 nt x) // (R3 nt z)] nt y
Điện trở tương đương của mạch là
Bài 3: Cho mạch điện như hình vẽ, các giá trị điện trở là R1 = R3 = R4 = 2 Ω; R2 = 10 Ω; R5 = 4 Ω; R6 = 20 Ω.
Tính điện trở tương đương của đoạn mạch.
Tóm tắt
R1 = R3 = R4 = 2 Ω; R2 = 10 Ω; R5 = 4 Ω; R6 = 20 Ω.
Tính điện trở tương đương của đoạn mạch.
Lời giải:
Xét tỉ số:
nên đây là mạch cầu không cân bằng. Để tính điện trở tương đương của mạch ta cần biến đổi mạch. Chọn cách biến đổi mạch sao thành tam giác.
Chuyển mạch sao thành tam giác:
R1 = R3 = R4 = 2; R2 = 10; R5 = 4 Ω; R6 = 20 Ω.
Mạch sau khi biển đổi thì trở thành: {[(Y // R2) nt (Z // R4)] // X} nt R6
Ta có:
Điện trở tương đương toàn mạch là
Đáp án: Rtd = 160/7 Ω.
Bài 4: Cho mạch điện như hình vẽ. Biết R1 = R3 = R5 = 3Ω, R2 = 2 Ω; R4 = 6 Ω.
Tính điện trở tương đương của đoạn mạch AB.
Tóm tắt
R1 = R3 = R5 = 3Ω; R2 = 2 Ω; R4 = 6 Ω. Tính điện trở tương đương của đoạn mạch AB.
Tính điện trở tương đương của đoạn mạch AB.
Lời giải:
Xét tỉ số
nên đây là mạch cầu không cân bằng. Để xác định điện trở tương đương ta cần biển đổi mạch.
Chuyển mạch tam giác thành sao
R1 = R3 = R5 = 3Ω; R2 = 2 Ω; R4 = 6 Ω.
Áp dụng các công thức tìm x, y, z:
Vậy mạch sau khi chuyển ta được [(R1 nt x) // (R2 nt z)] nt y
Điện trở tương đương của mạch là
Bài 5: Cho mạch cầu như hình vẽ. Tính điện trở tương đương của mạch. Biết R1 = 10Ω, R2 = 15Ω, R3 = 20Ω, R4 = 17,5Ω, R5 = 25Ω.
Tóm tắt
Tính điện trở tương đương của mạch. Biết R1 = 10Ω, R2 = 15Ω, R3 = 20Ω, R4 = 17,5Ω, R5 = 25Ω.
Lời giải:
Xét tỉ số
nên đây là mạch cầu không cân bằng.
Để tính điện trở tương đương của mạch cần biển đổi mạch.
Biển đổi mạch tam giác thành sao.
R1 = 10Ω, R2 = 15Ω, R3 = 20Ω, R4 = 17,5Ω, R5 = 25Ω.
Mạch biến đổi trở thành: X nt [(Z nt R2) // (Y nt R4)]
Điện trở tương đương của mạch là
Đáp án: Rtd ≈ 14,9 Ω.
Bài 6: Cho mạch điện như hình vẽ: R1 = 1Ω, R2 = 0,4Ω, R3 = 2Ω, R4 = 6Ω, R5 = 1Ω. Xác định điện trở tương đương của đoạn mạch
Tóm tắt
R1 = 1Ω, R2 = 0,4Ω, R3 = 2Ω, R4 = 6Ω, R5 = 1Ω. Xác định điện trở tương đương của đoạn mạch.
Lời giải:
Mạch điện trên chính mà một mạch cầu, có thể vẽ lại cho dễ nhìn như sau:
Xét tỉ số
nên đây là mạch cầu không cân bằng. Để xác định điện trở tương đương của mạch ta cần biến đổi mạch điện.
R1 = 1Ω, R2 = 0,4Ω, R3 = 2Ω, R4 = 6Ω, R5 = 1Ω
Áp dụng các công thức tìm x, y, z:
Vậy mạch sau khi chuyển ta được [(R1 nt x) // (R2 nt z)] nt y
Điện trở tương đương của mạch là
Đáp án: Rtd ≈ 1,9 Ω
Bài 7: Cho mạch điện như hình vẽ. Biết R1 = 3Ω; R2 = 4Ω; R3 = 12Ω; R4 = 16Ω; R5 = 10 Ω. Xác định điện trở tương đương của đoạn mạch
Tóm tắt
Biết R1 = 3Ω; R2 = 4Ω; R3 = 12Ω; R4 = 16Ω; R5 = 10 Ω. Xác định điện trở tương đương của đoạn mạch
Lời giải:
Đây là dạng mạch cầu, có thể vẽ lại như sau:
Xét tỉ số:
nên đây là mạch cầu cân bằng.
Vì vậy I5 = 0; U5 = 0. Ta có thể vẽ lại mạch như sau:
Sơ đồ mạch tương đương: (R1 nt R2) // (R3 nt R4)
Đáp án: Rtd = 5,6 Ω
Bài 8: Cho mạch điện như hình vẽ. Biết R1 = 3Ω; R2 = 6 Ω; R3 = 4 Ω; R4 = 8Ω; R5 = 5 Ω. Xác định điện trở tương đương của đoạn mạch
Tóm tắt
Biết R1 = 3 Ω; R2 = 6 Ω; R3 = 4 Ω; R4 = 8Ω; R5 = 5 Ω. Xác định điện trở tương đương của đoạn mạch.
Lời giải:
Xét tỉ số:
nên đây là mạch cầu cân bằng.
Vì vậy I5 = 0; U5 = 0. Ta có thể vẽ lại mạch như sau:
Sơ đồ mạch: (R1 nt R2) // (R3 nt R4)
R1 = 3Ω; R2 = 6 Ω; R3 = 4 Ω; R4 = 8Ω; R5 = 5 Ω.
Điện trở tương đương của mạch là:
Đáp án:
Bài 9: Cho mạch điện như hình vẽ. Hãy xác định điện trở tương đương của mạch.Trong đó: R1 = 5; R2 = 2; R3 = 10; R4 = 4; R5 = 5.
Tóm tắt
Hãy xác định điện trở tương đương của mạch. Trong đó: R1 = 5; R2 = 2; R3 = 10; R4 = 4; R5 = 5.
Lời giải:
Xét tỉ số:
nên đây là mạch cầu cân bằng.
Vì vậy I5 = 0; U5 = 0. Ta có thể vẽ lại mạch như sau:
Sơ đồ mạch: (R1 nt R3) // (R2 nt R4)
R1 = 5; R2 = 2; R3 = 10; R4 = 4; R5 = 5.
Điện trở tương đương của mạch là:
Đáp án:
Bài 10: Cho mạch điện như hình vẽ. R1 = R2 = R3 = R4 = 2 Ω; R5 = R6 = 1 Ω; R7 = 4 Ω. Điện trở của vôn kế rất lớn, điện trở của các ampe kế nhỏ không đáng kể. Tính điện trở RAB.
Tóm tắt
Cho mạch điện như hình vẽ. R1 = R2 = R3 = R4 = 2 Ω; R5 = R6 = 1 Ω; R7 = 4 Ω. Rv >> RA = 0.
Tính điện trở RAB.
Lời giải:
Chập P với A; N với Q ta được hình vẽ :
R56 = R5 + R6 = 2 Ω
Ta thấy:
Vậy mạch cầu cân bằng, ta có I2 = 0, UMN = 0 và có thể chập M với N
Suy ra: R1 // R34 ⇒ R134 = 2/3 Ω ;
R7 // R56 ⇒ R756 = 4/3 Ω
RAB = R134 + R756 = 2 Ω
Đáp án: RAB = 2Ω.
Bài tập bổ sung
Câu 1: Cho mạch điện như hình vẽ.
Biết R1 = R4 = 2Ω; R2 = 4Ω; R3 = 8Ω. Hiệu điện thế giữa hai điểm A, B là UAB = 12V. Bỏ qua điện trở các dây nối và các khóa K. Tính điện trở tương đương của mạch AB và dòng điện qua các điện trở trong các trường hợp sau:
a) Đóng K2 mở K3.
b) Đóng K3 mở K2.
c) Đóng cả K2 và K3.
Câu 2: Cho mạch điện như hình vẽ.
Biết R1 = R6 = 2Ω; R2 = R3= 4Ω; R4= 8Ω; R5= 6Ω. Hiệu điện thế giữa hai điểm A, B là UAB = 12V. Bỏ qua điện trở các dây nối và các khóa K. Tính điện trở tương đương của mạch AB và dòng điện qua các điện trở.
Câu 3: Cho mạch điện như sơ đồ.
Biết R1 = 10Ω và R2 = 3R3. Ampe kế A1 chỉ 4 A.
a. Tìm số chỉ của các ampe kế A2 và A3.
b. Hiệu điện thế ở hai đầu R3 là 15 V. Tìm số chỉ của vôn kế V.
Câu 4: Cho mạch điện như hình.
Cho biết R1 = R2 = 5Ω; R3 =R4 = R5 = R6 = 10Ω. Điện trở của các ampe kế nhỏ không đáng kể.
a. Tính điện trở tương đương RAB của đoạn mạch AB.
b. Cho hiệu điện thế giữa hai điểm AB là UAB = 30V. Tìm cường độ dòng điện qua các điện trở và số chỉ ampe kế.
Câu 5: Cho mạch điện như hình vẽ.
Cho biết: R1 = 1Ω, R2 = 2Ω, R3 = 3Ω, R4 = 5Ω, R5 = 0,5Ω, điện trở vôn kế rất lớn, dây dẫn và khóa K có điện trở không đáng kể. Hiệu điện thế giữa hai điểm A, B là UAB = 20V. Hãy tính điện trở tương đương của mạch toàn mạch, dòng điện qua các điện trở và số chỉ của vôn kế, trong các trường hợp sau:
a) Khóa K đang mở.
b) Đóng khóa K.
Câu 6: Người ta mắc 8 điện trở giống nhau R = 15Ω thành mạch điện AO như hình vẽ. Tính điện trở tương đương của đoạn mạch AB. Bỏ qua điện trở các dây nối.
Câu 7: Người ta mắc 12 điện trở giống nhau R = 12Ω thành mạch điện lập phương như hình vẽ.
Bỏ qua điện trở các dây nối. Tính điện trở tương đương của mạch điện khi mắc nguồn vào giữa hai điểm:
a) A và A’.
b) A và C.
c) A và C’.
Câu 8: Cho mạch điện như hình vẽ.
Biết điện trở giữa hai điểm nút liên tiếp nhau đều là r. Tính điện trở tương đương của đoạn mạch khi cho dòng điện:
a) Vào A ra D.
b) Vào A ra B.
Câu 9: Cho mạch điện như hình vẽ trong đó 3 vôn kế giống nhau. Hỏi vôn kế V chỉ giá trị bao nhiêu biết V1 = 22V và V2 = 6V.
Câu 10: Cho mạch điện như hình.
Các Ampe kế giống nhau có điện trở RA. Số chỉ của các Ampe kế A2, A3 lần lượt là 1 A và 0,2 A. Hãy tìm:
a. Tỷ số ?
b. Số chỉ của Ampe kế A1 bằng bao nhiêu?
(199k) Xem Khóa học KHTN 9 KNTTXem Khóa học KHTN 9 CDXem Khóa học KHTN 9 CTST
Xem thêm các dạng bài tập Vật Lí lớp 9 có đáp án và lời giải chi tiết khác:
- Dạng 1: Phương pháp Tính điện trở của sợi dây cực hay
- Dạng 2: Phương pháp Tính điện trở của mạch nối tiếp cực hay
- Dạng 3: Phương pháp Tính điện trở của mạch song song cực hay
- Dạng 4: Phương pháp Tính điện trở tương đương của mạch hỗn hợp cực hay
- Dạng 6: Tính điện trở qua phương pháp vẽ lại mạch điện cực hay
- Dạng 7: Cách giải Bài tập Định luật Ôm cho đoạn mạch nối tiếp, song song cực hay
- Dạng 8: Cách giải Bài tập Định luật Ôm cho đoạn mạch hỗn hợp cực hay
Xem thêm các loạt bài Để học tốt Vật Lí lớp 9 hay khác:
Tủ sách VIETJACK luyện thi vào 10 cho 2k11 (2026):
Đã có app VietJack trên điện thoại, giải bài tập SGK, SBT Soạn văn, Văn mẫu, Thi online, Bài giảng....miễn phí. Tải ngay ứng dụng trên Android và iOS.
Theo dõi chúng tôi miễn phí trên mạng xã hội facebook và youtube:Loạt bài Lý thuyết - Bài tập Vật Lý 9 có đáp án của chúng tôi được biên soạn bám sát nội dung chương trình Vật Lý lớp 9.
Nếu thấy hay, hãy động viên và chia sẻ nhé! Các bình luận không phù hợp với nội quy bình luận trang web sẽ bị cấm bình luận vĩnh viễn.
- Giải Tiếng Anh 9 Global Success
- Giải sgk Tiếng Anh 9 Smart World
- Giải sgk Tiếng Anh 9 Friends plus
- Lớp 9 Kết nối tri thức
- Soạn văn 9 (hay nhất) - KNTT
- Soạn văn 9 (ngắn nhất) - KNTT
- Giải sgk Toán 9 - KNTT
- Giải sgk Khoa học tự nhiên 9 - KNTT
- Giải sgk Lịch Sử 9 - KNTT
- Giải sgk Địa Lí 9 - KNTT
- Giải sgk Giáo dục công dân 9 - KNTT
- Giải sgk Tin học 9 - KNTT
- Giải sgk Công nghệ 9 - KNTT
- Giải sgk Hoạt động trải nghiệm 9 - KNTT
- Giải sgk Âm nhạc 9 - KNTT
- Giải sgk Mĩ thuật 9 - KNTT
- Lớp 9 Chân trời sáng tạo
- Soạn văn 9 (hay nhất) - CTST
- Soạn văn 9 (ngắn nhất) - CTST
- Giải sgk Toán 9 - CTST
- Giải sgk Khoa học tự nhiên 9 - CTST
- Giải sgk Lịch Sử 9 - CTST
- Giải sgk Địa Lí 9 - CTST
- Giải sgk Giáo dục công dân 9 - CTST
- Giải sgk Tin học 9 - CTST
- Giải sgk Công nghệ 9 - CTST
- Giải sgk Hoạt động trải nghiệm 9 - CTST
- Giải sgk Âm nhạc 9 - CTST
- Giải sgk Mĩ thuật 9 - CTST
- Lớp 9 Cánh diều
- Soạn văn 9 Cánh diều (hay nhất)
- Soạn văn 9 Cánh diều (ngắn nhất)
- Giải sgk Toán 9 - Cánh diều
- Giải sgk Khoa học tự nhiên 9 - Cánh diều
- Giải sgk Lịch Sử 9 - Cánh diều
- Giải sgk Địa Lí 9 - Cánh diều
- Giải sgk Giáo dục công dân 9 - Cánh diều
- Giải sgk Tin học 9 - Cánh diều
- Giải sgk Công nghệ 9 - Cánh diều
- Giải sgk Hoạt động trải nghiệm 9 - Cánh diều
- Giải sgk Âm nhạc 9 - Cánh diều
- Giải sgk Mĩ thuật 9 - Cánh diều


Giải bài tập SGK & SBT
Tài liệu giáo viên
Sách
Khóa học
Thi online
Hỏi đáp

