Tính điện trở qua phương pháp vẽ lại mạch điện cực hay
Bài viết Tính điện trở qua phương pháp vẽ lại mạch điện với phương pháp giải chi tiết giúp học sinh ôn tập, biết cách làm bài tập Tính điện trở qua phương pháp vẽ lại mạch điện.
Tính điện trở qua phương pháp vẽ lại mạch điện cực hay
(199k) Xem Khóa học KHTN 9 KNTTXem Khóa học KHTN 9 CDXem Khóa học KHTN 9 CTST
Phương pháp giải:
Bước 1: Viết sơ đồ mạch điện,vẽ lại mạch điện cho đơn giản và rõ ràng hơn (khi có dây nối tắt, hoặc các điện trở mắc nối tiếp liên tục...)
Bước 2: Xác định điện trở tương đương của mạch điện.
Một số quy tắc chuyển mạch.
a/ Chập các điểm cùng điện thế:
- "Ta có thể chập 2 hay nhiều điểm có cùng điện thế thành một điểm khi biến đổi mạch điện tương đương."
(Do VA - Vb = UAB = I.RAB → Khi RAB = 0; I ≠ 0 hoặc RAB ≠ 0, I = 0 → Va = Vb. Tức A và B cùng điện thế)
Các trường hợp cụ thể: Các điểm ở 2 đầu dây nối, khóa K đóng, Am pe kế có điện trở không đáng kể...Được coi là có cùng điện thế. Hai điểm nút ở 2 đầu R5 trong mạch cầu cân bằng...
b/ Bỏ điện trở:
- Ta có thể bỏ các điện trở khác 0 ra khỏi sơ đồ khi biến đổi mạch điện tương đương khi cường độ dòng điện qua các điện trở này bằng 0.
Các trường hợp cụ thể: các vật dẫn nằm trong mạch hở; một điện trở khác 0 mắc song song với một vật dãn có điện trở bằng 0 ( điện trở đã bị nối tắt); vôn kế có điện trở rất lớn (lý tưởng).
* Chú ý: Với mạch điện có khóa K thì cần chú ý 2 trường hợp.
Khóa K mở: dòng điện không đi qua khóa k và các điện trở hay thiết bị điện mắc nối tiếp với khóa K đó.
Khóa K đóng: dòng điện đi qua khóa k và các điện trở hay thiết bị điện mắc nối tiếp với khóa K đó. Nếu khóa K đứng 1 mình trên 1 mạch rẽ và nối trực tiếp với điểm cuối nguồn thì khi khóa K đó đóng, mạch điện được nối tắt.
Bài tập ví dụ minh họa
Bài 1: Tính điện trở tương đương của đoạn mạch sau, biết mỗi điện trở có giá trị R.
Tóm tắt:
Sơ đồ như hình vẽ: Các điện trở bằng nhau bằng R.
Đáp án: Rtb = R/3
Lời giải:
Vì các điện trở được mắc chung nhau ở cả hai đầu nên có thể vẽ lại mạch, ba điện trở mắc song song
Điện trở tương đương của mạch là Rtb = R/3
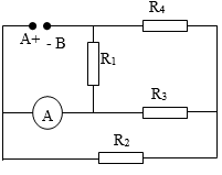
Bài 2: Tính điện trở tương đương của đoạn mạch sau, biết R1 = 4 Ω; R2 = 6 Ω; R3 = 12 Ω; R4 = 10 Ω.
Tóm tắt:
R1 = 4 Ω; R2 = 6 Ω; R3 = 12 Ω; R4 = 9,6 Ω. Rtd = ?
Đáp án: Rtd = 6Ω
Lời giải:
Ta vẽ lại mạch như sau:
Sơ đồ mạch: R3 // [R4 nt (R1 // R2)]
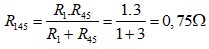
Điện trở tương đương R12 là
Điện trở tương đương R124 = R4 + R12 = 9,6 + 2,4 = 12 Ω
Điện trở tương đương toàn mạch là
Bài 3: Tính điện trở tương đương của mạch điện sau:
Biết R1 = 4 Ω; R2 = 2 Ω; R3 = 6 Ω; R4 = 12 Ω; R5 = 10 Ω.
Đáp án: Rtd = 12,4 Ω
Lời giải:
Ta vẽ lại mạch như sau:
Viết sơ đồ mạch: R5 nt {R1 // [(R3 // R4) nt R2]}
Ta có:
R234 = R2 + R34 = 2 + 4 = 6 Ω
Rtd = R5 + R1234 = 10 + 2,4 = 12,4 Ω.
Bài tập trắc nghiệm
Bài 1: Cho mạch điện như sơ đồ hình 1. Biết R1 = R2 = 20Ω, R3 = R4 = 10Ω. Vôn kế có điện trở vô cùng lớn. Tính điện trở tương đương của mạch.
Tóm tắt:
R1 = R2 = 20Ω, R3 = R4 = 10Ω.
Vôn kế có điện trở vô cùng lớn. Tính điện trở tương đương của mạch.
Lời giải:
Vì vôn kế có điện trở vô cùng lớn nên có thể bỏ nó ra khỏi mạch là vẽ lại mạch như sau:
Sơ đồ mạch: [R1 // (R3 nt R4)] nt R2
R1 = R2 = 20Ω, R3 = R4 = 10Ω.
Điện trở tương đương: R34 = R3 + R4 = 20 Ω.
Rtd = R134 + R2 = 30 Ω.
Đáp án: Rtd = 30 Ω
Bài 2: Cho mạch điện như hình vẽ. Biết R1 = R3 = R4 = R5 = 10Ω, R2 = 5Ω. Điện trở của vôn kế rất lớn, bỏ qua điện trở của dây dẫn và điện trở ampe kế. Tính điện trở tương đương của mạch điện.
Tóm tắt:
Biết R1 = R3 = R4 = R5 = 10Ω, R2 = 5Ω. Tính Rtd.
Lời giải:
Điện trở của vôn kế rất lớn, bỏ qua điện trở của dây dẫn và điện trở ampe kế nên ta có thể bỏ vôn kế ra khỏi mạch, chập hai điểm ở hai đầu am pe kế vì có cùng điện thế, và vẽ lại được sơ đồ mạch như sau:
Sơ đồ: {R1 // [R2 nt (R4 // R5)]} nt R3
Điện trở tương đương
R245 = R2 + R45 = 10 Ω
Rtd = R1245 + R3 = 15 Ω.
Đáp án: Rtd = 15 Ω
Bài 3: Cho mạch điện như hình vẽ. Biết các điện trở R0 = 0,5 Ω; R1 = 1 Ω; R2 = 2 Ω; R3 = 6 Ω; R4 = 0,5 Ω; R5 = 2,5 Ω. Bỏ qua điện trở của am pe kế và dây nối. Xác định điện trở tương đương của đoạn mạch.
Tóm tắt:
R0 = 0,5 Ω; R1 = 1 Ω; R2 = 2 Ω; R3 = 6 Ω; R4 = 0,5 Ω; R5 = 2,5 Ω. Tìm Rtd ?
Lời giải:
Vì bỏ qua điện trở của ampe kế nên có thể chập hai điểm đầu am pe kế lại vì có cùng điện thế. Ta vẽ lại sơ đồ mạch như sau:
Sơ đồ mạch: [R1 // (R4 nt R5)] nt (R2 // R3) nt R0
Điện trở tương đương: R45 = R4 + R5 = 3 Ω
Điện trở tương đương của mạch là
Rtd = R0 + R23 + R145 = 0,5 + 1,5 + 0,75 = 2,75 Ω.
Đáp án: Rtd = 2,75 Ω
Bài 4: Cho mạch điện như hình vẽ. Biết R1 = R4 = 10 Ω, R2 = R3 = 5 Ω
Tìm điện trở tương đương của mạch
a) RAB
b) RAC
c) RBC
Lời giải:
Các điểm C, D được nối với nhau bằng dây dẫn không có điện trở nên cùng điện thế, có thể chập lại với nhau được.
a) Tính RAB
Ta có thể vẽ lại mạch như sau:
Sơ đồ mạch: R1 // [R3 nt (R2 // R4)]
b) RAC
Ta vẽ lại sơ đồ mạch điện như sau:
Sơ đồ mạch [R1 nt (R2 // R4)] // R3
Điện trở tương đương
c) RBC
Ta vẽ lại mạch như sau:
Sơ đồ mạch: R2 // R4 // (R1 nt R3)
Điện trở tương đương: R13 = R1 + R3 = 15 Ω.
Đáp án:
Bài 5: Cho mạch điện như hình vẽ. Biết R1 = 3Ω; R2 = R3 = R4 = 4Ω. Tính điện trở tương đương của mạch điện.
Tóm tắt:
Biết R1 = 3Ω; R2 = R3 = R4 = 4Ω. Tính điện trở tương đương của mạch điện.
Lời giải:
Bỏ qua điện trở của ampe kế, ta vẽ lại mạch điện như sau:
Sơ đồ mạch: R1 // [(R2 // R3) nt R4]
Điện trở tương đương
R234 = R23 + R4 = 6 Ω.
Đáp án: RAB = 2 Ω
Bài 6: Cho mạch điện như hình vẽ. Biết R1 = 12Ω; R2 = 9Ω; R3 = 6Ω; R4 = 6Ω. Tính điện trở tương đương của mạch điện.
Tóm tắt:
Biết R1 = 12Ω; R2 = 9Ω; R3 = 6Ω; R4 = 6Ω. Tính điện trở tương đương của mạch điện.
Lời giải:
Ta có thể vẽ lại mạch như sau:
Sơ đồ mạch: R1 // [R2 nt (R3 // R4)]
Điện trở tương đương
R234 = R2 + R34 = 12 Ω.
Đáp án: Rtd = 6Ω
Bài 7: Một mạch điện như hình bên. Các điện trở như nhau và giá trị mỗi điện trở là r = 1Ω. Tính điện trở tương đương của mạch.
Tóm tắt:
Các điện trở như nhau và giá trị mỗi điện trở là r = 1Ω. Tính điện trở tương đương của mạch.
Lời giải:
Ta đặt tên các nút như sau:
Ta có thể vẽ lại mạch như sau:
Điện trở tương đương
Đáp án:
Bài 8: Cho mạch điện như hình vẽ bên. Biết R1 = 10Ω; R2 = Rx = 4Ω; R3 = R4 = 12; Ra = 1Ω.
Tính điện trở của đoạn mạch khi
a) K đóng.
b) K mở.
Lời giải:
a) Khi K đóng, ta vẽ lại sơ đồ mạch điện như sau:
Sơ đồ mạch: R1 nt {[R2 nt (R3 // R4)] // (Ra nt Rx)}
Điện trở tương đương
R234 = R2 + R34 = 4 + 6 = 10 Ω.
Rax = Ra + Rx = 5 Ω
Đáp án:
b) Khi K mở, ta vẽ lại sơ đồ như sau:
Sơ đồ mạch: R1 nt [R2 // (Ra nt Rx nt R4)] nt R3
Điện trở tương đương
Rax4 = Ra + Rx + R4 = 17 Ω
Đáp án:
Bài 9: Cho mạch điện như hình vẽ. Biết: R1 = 8Ω, R2 = R3 = 4Ω, R4 = 6Ω. Bỏ qua điện trở của ampe kế, của khóa K và của dây dẫn.
Tính điện trở tương đương của đoạn mạch AB khi
a) K đóng
b) K mở
Lời giải:
a) Khi K đóng, điểm C và B có thể chập lại với nhau. Ta vẽ lại được mạch điện như sau:
Sơ đồ mạch: R1 // [R4 nt (R2 // R3)]
Điện trở tương đương
R234 = R23 + R4 = 8 Ω
b) Khi K mở, ta vẽ lại sơ đồ mạch như sau:
Sơ đồ mạch: [(R1 nt R2) // R4] nt R3
Điện trở tương đương: R12 = R1 + R2 = 12 Ω
Rtd = R124 + R3 = 4 + 4 = 8Ω
Đáp án: a) Rđ = 4 Ω; b) Rm = 8 Ω
Bài 10: Cho mạch điện như hình vẽ.
Biết R1 = 1/2 Ω; R2 = 1,5 Ω; R3 = R4 = R5 = 1 Ω.
Tính điện trở tương đương RAB.
Lời giải:
Mạch điện được vẽ lại như sau:
Điện trở tương đương
R236 = R2 + R36 = 2,5 Ω.
R12356 = R1 + R2356 = 1 Ω.
Bài tập tự luyện
Bài 1: Người ta mắc một mạch điện như hình dưới giữa hai điểm A và B có hiệu điện thế 5V. Các điện trở thành phần của đoạn mạch là R1 = 12Ω; R2 = 2Ω; R3 = 3Ω; R4 = 4Ω.
a) Tính điện trở tương đương của đoạn mạch AB.
b) Tính cường độ dòng điện qua mạch chính và các mạch rẻ.
Bài 2: Cho mạch điện như hình vẽ: Các Ampe kế và khóa k có điện trở không đáng kể. Cho U = 6V. Các điện trở: R1 = 6Ω, R2 = 4Ω, R4 = 3Ω, R5 = 6Ω.
a) Khi k mở A, chỉ 0,5 A. Tính R?
b) Tính số chỉ các Ampe kế khi k đóng?
Bài 3:Cho mạch điện như hình dưới. Biết R1 = 8Ω, R2 = R3= 4Ω, R4 = 6Ω, UAB = 6V không đổi. Điện trở của ampe kế, khóa K và các dây nói không đáng kể.
1. Hãy tính điện trở tương đương của đoạn mạch AB và số chỉ của ampe kế trong hai trường hợp:
a. Khóa K mở.
b. Khóa K đóng.
2. Xét trường hợp khi K đóng: Thay khóa K bằng điện trở R5. Tính R5, để cường độ dòng điện chạy qua R2 bằng không.
Bài 4: Cho mạch điện có sơ đồ như hình vẽ: R1 = 8Ω, R2 = 3Ω, R3= 5Ω, R4 = 4Ω, R5 = 6Ω, R6 = 12Ω, R7 = 24Ω và I = 1A.
Tính cường độ dòng điện qua mỗi điện trở?
Bài 5: Cho mạch điện có sơ đồ như hình vẽ: R1 = 3Ω, R2 = 4Ω, R3= R4 = R5 = R6 = 6Ω. Tính điện trở tương đương của đoạn mạch AB?
Bài 6: Cho mạch điện như hình dưới. Biết R1 = 3Ω, R2 = 12Ω, R3 = R4 = 6Ω, UAB = 15V. Tính tỉ số cường độ dòng điện chạy qua R4 khi khóa K đóng và khi khóa K mở.
Bài 7: Cho mạch điện như hình dưới. Biết U = 12V, R1 = 12Ω, R2 = 6Ω, R3 = R4 = 4Ω, Ra = Rd = 0. Tính chỉ số các ampe kế.
Bài 8: Cho mạch điện như hình dưới. Biết UAB = 4V, R1 = 3Ω, R2 = R3 = R4 = 4Ω, Ra = Rd = 0. Tính chỉ số các ampe kế.
Bài 9:Cho mạch điện có sơ đồ như hình vẽ:
trong đó các vôn kế đều giống nhau vôn kế V1 chỉ 7 V, vôn kế V2 chỉ 3V R0 = 300Ω, Ra = 0
a) Xác định điện trở của các vôn kế?
b) Tìm số chi của ampe kế.
Bài 10: Cho mạch điện như hình vẽ. Các ampe kế giống nhau, ampe kế A1 chỉ 0,2A, A2 chỉ 0,8A; các điện trở R có cùng giá trị. Tính chỉ số ampe kế A3?
(199k) Xem Khóa học KHTN 9 KNTTXem Khóa học KHTN 9 CDXem Khóa học KHTN 9 CTST
Xem thêm các dạng bài tập Vật Lí lớp 9 có đáp án và lời giải chi tiết khác:
- Dạng 1: Phương pháp Tính điện trở của sợi dây cực hay
- Dạng 2: Phương pháp Tính điện trở của mạch nối tiếp cực hay
- Dạng 3: Phương pháp Tính điện trở của mạch song song cực hay
- Dạng 4: Phương pháp Tính điện trở tương đương của mạch hỗn hợp cực hay
- Dạng 5: Phương pháp Tính điện trở tương đương của mạch cầu cực hay | Cách chuyển mạch sao thành mạch tam giác
- Dạng 7: Cách giải Bài tập Định luật Ôm cho đoạn mạch nối tiếp, song song cực hay
- Dạng 8: Cách giải Bài tập Định luật Ôm cho đoạn mạch hỗn hợp cực hay
Xem thêm các loạt bài Để học tốt Vật Lí lớp 9 hay khác:
Tủ sách VIETJACK luyện thi vào 10 cho 2k11 (2026):
Đã có app VietJack trên điện thoại, giải bài tập SGK, SBT Soạn văn, Văn mẫu, Thi online, Bài giảng....miễn phí. Tải ngay ứng dụng trên Android và iOS.
Theo dõi chúng tôi miễn phí trên mạng xã hội facebook và youtube:Loạt bài Lý thuyết - Bài tập Vật Lý 9 có đáp án của chúng tôi được biên soạn bám sát nội dung chương trình Vật Lý lớp 9.
Nếu thấy hay, hãy động viên và chia sẻ nhé! Các bình luận không phù hợp với nội quy bình luận trang web sẽ bị cấm bình luận vĩnh viễn.
- Giải Tiếng Anh 9 Global Success
- Giải sgk Tiếng Anh 9 Smart World
- Giải sgk Tiếng Anh 9 Friends plus
- Lớp 9 Kết nối tri thức
- Soạn văn 9 (hay nhất) - KNTT
- Soạn văn 9 (ngắn nhất) - KNTT
- Giải sgk Toán 9 - KNTT
- Giải sgk Khoa học tự nhiên 9 - KNTT
- Giải sgk Lịch Sử 9 - KNTT
- Giải sgk Địa Lí 9 - KNTT
- Giải sgk Giáo dục công dân 9 - KNTT
- Giải sgk Tin học 9 - KNTT
- Giải sgk Công nghệ 9 - KNTT
- Giải sgk Hoạt động trải nghiệm 9 - KNTT
- Giải sgk Âm nhạc 9 - KNTT
- Giải sgk Mĩ thuật 9 - KNTT
- Lớp 9 Chân trời sáng tạo
- Soạn văn 9 (hay nhất) - CTST
- Soạn văn 9 (ngắn nhất) - CTST
- Giải sgk Toán 9 - CTST
- Giải sgk Khoa học tự nhiên 9 - CTST
- Giải sgk Lịch Sử 9 - CTST
- Giải sgk Địa Lí 9 - CTST
- Giải sgk Giáo dục công dân 9 - CTST
- Giải sgk Tin học 9 - CTST
- Giải sgk Công nghệ 9 - CTST
- Giải sgk Hoạt động trải nghiệm 9 - CTST
- Giải sgk Âm nhạc 9 - CTST
- Giải sgk Mĩ thuật 9 - CTST
- Lớp 9 Cánh diều
- Soạn văn 9 Cánh diều (hay nhất)
- Soạn văn 9 Cánh diều (ngắn nhất)
- Giải sgk Toán 9 - Cánh diều
- Giải sgk Khoa học tự nhiên 9 - Cánh diều
- Giải sgk Lịch Sử 9 - Cánh diều
- Giải sgk Địa Lí 9 - Cánh diều
- Giải sgk Giáo dục công dân 9 - Cánh diều
- Giải sgk Tin học 9 - Cánh diều
- Giải sgk Công nghệ 9 - Cánh diều
- Giải sgk Hoạt động trải nghiệm 9 - Cánh diều
- Giải sgk Âm nhạc 9 - Cánh diều
- Giải sgk Mĩ thuật 9 - Cánh diều


Giải bài tập SGK & SBT
Tài liệu giáo viên
Sách
Khóa học
Thi online
Hỏi đáp

