Trắc nghiệm Vận dụng định luật Ôm và công thức tính điện trở của dây dẫn (có đáp án)
Với câu hỏi & bài tập trắc nghiệm Bài tập vận dụng định luật Ôm và công thức tính điện trở của dây dẫn có lời giải chi tiết sẽ giúp học sinh ôn tập trắc nghiệm Bài tập vận dụng định luật Ôm và công thức tính điện trở của dây dẫn.
Trắc nghiệm Vận dụng định luật Ôm và công thức tính điện trở của dây dẫn (có đáp án)
(199k) Học KHTN 9 KNTTHọc KHTN 9 CDHọc KHTN 9 CTST
Câu 1: Xét các dây dẫn được làm từ cùng một loại vật liệu, nếu chiều dài dây dẫn giảm đi 5 lần và tiết diện tăng 2 lần thì điện trở của dây dẫn thay đổi như thế nào?
A. Điện trở của dây dẫn tăng lên 10 lần.
B. Điện trở của dây dẫn giảm đi 10 lần.
C. Điện trở của dây dẫn tăng lên 2,5 lần.
D. Điện trở của dây dẫn giảm đi 2,5 lần.
Ta có:
Nếu chiều dài dây dẫn giảm đi 5 lần và tiết diện tăng 2 lần thì điện trở của dây dẫn thay đổi:
Điện trở của dây dẫn giảm đi 10 lần
→ Đáp án B
Câu 2: Cho mạch điện có sơ đồ như hình vẽ. Trong đó hiệu điện thế giữa hai điểm A và B được giữ không đổi và đèn sáng bình thường khi biến trở có điện trở bằng 0. Câu phát biểu nào dưới đây là đúng?
A. Đèn sáng mạnh lên khi di chuyển con chạy của biến trở về đầu M.
B. Đèn sáng yếu đi khi di chuyển con chạy của biến trở về đầu M.
C. Đèn sáng mạnh lên khi di chuyển con chạy của biến trở về đầu N.
D. Cả ba câu trên đều không đúng.
Ta biết
Khi dịch chuyển con trỏ về đầu M thì khi đó I giảm R tăng
Mà
khi đó I tăng nên đèn càng sáng mạnh lên khi dịch chuyển con trỏ về M.
→ Đáp án A
Câu 3: Hai bóng đèn khi sáng bình thường có điện trở là R1 = 7,5Ω và R2 = 4,5Ω . Dòng điện chạy qua hai đèn đều có cường độ định mức là I = 0,8A. Hai đèn này được mắc nối tiếp với nhau và với một điện trở R3 để mắc vào hiệu điện thế U = 12V. Tính R3 để hai đèn sáng bình thường.
A. 1 Ω
B. 2 Ω
C. 3 Ω
D. 4 Ω
Điện trở tương đương của đoạn mạch là:
Để đèn sáng bình thường thì: R3 = 15 – 7,5 – 4,5 = 3 Ω
→ Đáp án C
Câu 4: Một biến trở con chạy có điện trở lớn nhất là 40 . Dây điện trở của biến trở là một dây hợp kim nicrom có tiết diện 0,5 mm2 và được quấn đều xung quanh một lõi sứ tròn có đường kính 2cm. Tính số vòng dây của biến trở này.
A. 290 vòng
B. 380 vòng
C. 150 vòng
D. 200 vòng
Từ
Chiều dài 1 vòng dây bằng chu vi của lõi sứ:
Số vòng dây quấn trên lõi sứ:
→ Đáp án A
Câu 5: Hai bóng đèn Đ1 và Đ2 có hiệu điện thế định mức tương ứng là U1 =1,5V và U2 = 6V; khi sáng bình thường có điện trở tương ứng là R1 =1,5Ω và R2 = 8Ω. Hai đèn này được mắc cùng với một biến trở vào hiệu điện thế U = 7,5V theo sơ đồ như hình vẽ:
a. Hỏi phải điều chỉnh biến trở có giá trị bao nhiêu để hai đèn sáng bình thường?
b. Biến trở nói trên được quấn bằng dây nikêlin có điện trở suất là 0,40.10-6 Ωm, có độ dài tổng cộng là 19,64m và đường kính tiết diện là 0,5mm. Hỏi giá trị của biến trở tính được ở câu a trên đây chiếm bao nhiêu phần trăm so với điện trở lớn nhất của biến trở này?
A. Rb = 24Ω, 60%
B. Rb = 24Ω, 40%
C. Rb = 40Ω, 40%
D. Rb = 40Ω, 60%
a) Ta có: U2b = U2 = Ub = 6V (Vì Đ 2// biến trở)
Cường độ dòng điện qua Đ1 và Đ2:
Cường độ dòng điện qua biến trở:
Ib = I2b – I2 = 1 – 0,75 = 0,25A
Điện trở của biến trở khi đèn sáng bình thường:
b) Tiết diện của dây Niken để làm biến trở:
Điện trở lớn nhất của biến trở:
Điện trở của biến trở khi đèn sáng bình thường chiếm:
→ Đáp án A
Câu 6: Một biến trở có con chạy được làm bằng Nicrom, có tiết diện đều 0,55 mm2, điện trở suất 1,1.10-6 , gồm 500 vòng quấn quanh lõi sứ trụ tròn có đường kính 2 cm.
a) Tính điện trở cực đại của biến trở.
b) Tính cường độ dòng điện định mức của biến trở. Biết hiệu điện thế lớn nhất được phép đặt vào hai đầu biến trở là 157V.
a) Chiều dài của dây biến trở:
Điện trở cực đại của biến trở:
b) Tính cường độ dòng điện định mức của biến trở:
Câu 7: Hai dây dẫn được làm từ cùng một loại vật liệu, dây thứ nhất có điện trở R1 = 15Ω , có chiều dài và có tiết diện 0,2 mm2, dây thứ hai có điện trở R2 = 10Ω , chiều dài . Tính tiết diện S2 của dây.
Ta có tỉ lệ:
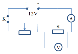
Câu 8: Cho mạch điện có sơ đồ như hình vẽ:
Nguồn điện có hiệu điện thế không đổi 12V.
a) Điều chỉnh con chạy của biến trở để vôn kế chỉ 6V thì ampe kế chỉ 0,5A. Hỏi khi đó biến trở có điện trở là bao nhiêu?
b) Phải điều chỉnh biến trở có điện trở là bao nhiêu để vôn kế chỉ 4,5V.
a) Biến trở có điện trở là:
b) Khi điều chỉnh biến trở để vôn kế có số chỉ 4,5V thì ta có:
Cường độ dòng điện chạy qua điện trở R và biến trở khi đó là:
Điện trở của biến trở là:
Câu 9: Cho mạch điện như hình vẽ:
R1 = 20Ω , R2 = 10Ω , R3 = 30Ω , UAB = 120V. Điện trở của dây nối và ampe kế nhỏ không đáng kể.
a) Khi Rb = 40 Ω thì ampe kế chỉ bao nhiêu?
b) Điều chỉnh biến trở để ampe kế chỉ giá trị 0. Tính trị số của biến trở tham gia vào mạch điện khi đó.
a) Khi Rb = 40Ω , điện trở đoạn AB:
Cường độ dòng điện qua AB và qua các điện trở:
Ta có: I1 + I3 = 6 và I2 + Ib = 6 (1)
Dựa vào cường độ dòng điện qua các điện trở R1, R2, R3, Rb ta suy ra:
+ Dòng điện qua ampe kế có chiều từ M đến E.
+ Số chỉ của ampe kế: IA = I3 – Ib = 2,4 – 1,2 = 1,2A
b) Trị số của biến trở tham gia vào mạch điện khi ampe kế chỉ 0:
Ampe kế chỉ 0 thì:
Theo trên ta có:
Từ (2), (5), (6), (7) ta có:
Câu 10: Cho sơ đồ mạch điện như hình vẽ:
Bóng đèn loại 6V – 0,2A, trên biến trở có ghi 100Ω – 1A. UAB = 24V.
a) Khi con chạy C ở vị trí giữa của biến trở, độ sáng của đèn như thế nào? Tại sao?
b) Muốn đèn sáng bình thường ta di chuyển con chạy C về phía nào của biến trở? Tính giá trị của phần biến trở tham gia vào mạch điện khi đó.
a) Khi C ở giữa biến trở, phần biến trở tham gia vào mạch điện và điện trở của đèn và của toàn mạch điện là:
Cường độ dòng điện qua đèn và biến trở:
Ta thấy IĐ = 0,3A > 0,2A nên đèn dễ cháy
b) Để đèn sáng bình thường thì cường độ dòng điện qua đèn phải là 0,2A
Giả sử khi C ở tại C’ đèn sáng bình thường:
Như vậy phần biến trở tham gia vào mạch điện tăng 40Ω nên ta phải di chuyển con chạy C về phía M sao cho RC'N = 90Ω .
(199k) Học KHTN 9 KNTTHọc KHTN 9 CDHọc KHTN 9 CTST
Xem thêm Lý thuyết và Bài tập trắc nghiệm Vật Lí lớp 9 có đáp án và lời giải chi tiết khác:
- Lý thuyết Công suất điện (hay, chi tiết)
- Trắc nghiệm Công suất điện
- Lý thuyết Điện năng - Công của dòng điện (hay, chi tiết)
- Trắc nghiệm Điện năng - Công của dòng điện
- Lý thuyết Bài tập về công suất điện và điện năng sử dụng (hay, chi tiết)
- Trắc nghiệm Bài tập về công suất điện và điện năng sử dụng
Xem thêm các loạt bài Để học tốt Vật Lí lớp 9 hay khác:
Tủ sách VIETJACK luyện thi vào 10 cho 2k11 (2026):
Đã có app VietJack trên điện thoại, giải bài tập SGK, SBT Soạn văn, Văn mẫu, Thi online, Bài giảng....miễn phí. Tải ngay ứng dụng trên Android và iOS.
Theo dõi chúng tôi miễn phí trên mạng xã hội facebook và youtube:Loạt bài Lý thuyết - Bài tập Vật Lý 9 có đáp án của chúng tôi được biên soạn bám sát nội dung chương trình Vật Lý lớp 9.
Nếu thấy hay, hãy động viên và chia sẻ nhé! Các bình luận không phù hợp với nội quy bình luận trang web sẽ bị cấm bình luận vĩnh viễn.
- Giải Tiếng Anh 9 Global Success
- Giải sgk Tiếng Anh 9 Smart World
- Giải sgk Tiếng Anh 9 Friends plus
- Lớp 9 Kết nối tri thức
- Soạn văn 9 (hay nhất) - KNTT
- Soạn văn 9 (ngắn nhất) - KNTT
- Giải sgk Toán 9 - KNTT
- Giải sgk Khoa học tự nhiên 9 - KNTT
- Giải sgk Lịch Sử 9 - KNTT
- Giải sgk Địa Lí 9 - KNTT
- Giải sgk Giáo dục công dân 9 - KNTT
- Giải sgk Tin học 9 - KNTT
- Giải sgk Công nghệ 9 - KNTT
- Giải sgk Hoạt động trải nghiệm 9 - KNTT
- Giải sgk Âm nhạc 9 - KNTT
- Giải sgk Mĩ thuật 9 - KNTT
- Lớp 9 Chân trời sáng tạo
- Soạn văn 9 (hay nhất) - CTST
- Soạn văn 9 (ngắn nhất) - CTST
- Giải sgk Toán 9 - CTST
- Giải sgk Khoa học tự nhiên 9 - CTST
- Giải sgk Lịch Sử 9 - CTST
- Giải sgk Địa Lí 9 - CTST
- Giải sgk Giáo dục công dân 9 - CTST
- Giải sgk Tin học 9 - CTST
- Giải sgk Công nghệ 9 - CTST
- Giải sgk Hoạt động trải nghiệm 9 - CTST
- Giải sgk Âm nhạc 9 - CTST
- Giải sgk Mĩ thuật 9 - CTST
- Lớp 9 Cánh diều
- Soạn văn 9 Cánh diều (hay nhất)
- Soạn văn 9 Cánh diều (ngắn nhất)
- Giải sgk Toán 9 - Cánh diều
- Giải sgk Khoa học tự nhiên 9 - Cánh diều
- Giải sgk Lịch Sử 9 - Cánh diều
- Giải sgk Địa Lí 9 - Cánh diều
- Giải sgk Giáo dục công dân 9 - Cánh diều
- Giải sgk Tin học 9 - Cánh diều
- Giải sgk Công nghệ 9 - Cánh diều
- Giải sgk Hoạt động trải nghiệm 9 - Cánh diều
- Giải sgk Âm nhạc 9 - Cánh diều
- Giải sgk Mĩ thuật 9 - Cánh diều


Giải bài tập SGK & SBT
Tài liệu giáo viên
Sách
Khóa học
Thi online
Hỏi đáp

